电脑桌面
添加小米粒文库到电脑桌面
安装后可以在桌面快捷访问

某基坑边坡支护概况VIP免费

某基坑边坡支护概况_第1页
1/8
某基坑边坡支护概况_第2页
2/8
某基坑边坡支护概况_第3页
3/8
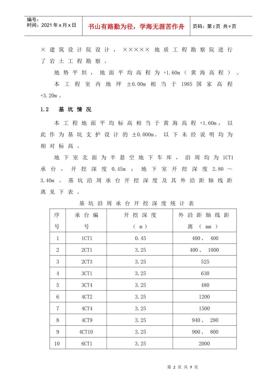
××××基坑边坡支护方案编制目录编制说明-------------------------------------------------------1一、基坑工程概况------------------------------------------1二、工程地质与水文地质条件-------------------------3三、基坑降水及围护方案选择-------------------------4四、基坑围护方案-----------------------------------------------I第1页共9页编号:时间:2021年x月x日书山有路勤为径,学海无涯苦作舟页码:第1页共9页××××基坑支护方案编制说明编制原则:本方案是指导×××××基坑围护施工实施过程中各项组织、技术措施、生产的文件,包含了施工过程中对基坑施工及周围环境的监测及质量控制,确保本工程正常、安全的进行。编制依据:①××××基坑围护工程的招标文件②《建筑地基基础设计规范》GB50007─2002③《建筑基坑支护技术规程》JGJ120─99④《建筑地基基础工程施工质量验收规范》GB50202─2002⑤《建筑边坡工程技术规范》GB50330─2002⑥《锚杆喷射混凝土支护技术规范》GB50086─2001⑦《建筑基坑工程技术规程》YB9258─97⑧《岩土锚杆(索)技术规程》CECS22:2005⑨《基坑土钉支护技术规程》CECS96:97一、基坑工程概况1.1工程总体概况××××××位于昆山市巴城镇马鞍山路南侧、古城,×××××为10层,框剪结构、桩基础,地下室为半地下架空停车库,地基基础设计等级为乙级。本工程建设单位为××××地产有限公司,××××第2页共9页第1页共9页编号:时间:2021年x月x日书山有路勤为径,学海无涯苦作舟页码:第2页共9页×建筑设计院设计,×××××地质工程勘察院进行了岩土工程勘察。地势平坦,地面平均高程为+1.60m(黄海高程)。本工程室内地坪±0.00m相当于1985国家高程+3.20m。1.2基坑情况本工程地面平均标高相当于黄海高程+1.60m,以此作为基坑支护设计的±0.000m。以下未经说明均为相对标高。地下室北面为半悬空地下车库,沿周均为1CT1承台,开挖深度0.45m;地下室开挖深度2.80~3.40m。基坑沿周承台开挖深度及其外沿距轴线距离见下表。基坑沿周承台开挖深度统计表序号承台编号开挖深度(m)外沿距轴线距离(mm)11CT10.45400、40022CT13.25400、100032CT33.2552543CT13.2563053CT43.2548064CT23.25120074CT43.25150084CT93.25940、28094CT103.25900、800106CT13.252000第3页共9页第2页共9页编号:时间:2021年x月x日书山有路勤为径,学海无涯苦作舟页码:第3页共9页116CT23.251000、750128CT13.25900注:开挖深度为垫层顶标高加上50mm厚垫层;围护边线为避免阳角取承台距轴线最远距离再加上地下室外墙作业面,作业面不小于50cm。因此本工程基坑开挖深度北侧按0.45m考虑,南侧按3.25m考虑;支护边线距地下室外墙轴线北侧按1.40m考虑,南侧分别按1.40、1.50、2.00m考虑,具体位置见基坑围护平面布置图。1.3基坑周边条件××××××××,场地较小,地势平坦,周围建筑物已完工,尤其是小区主入口广场在基坑围护期间对基坑有一定影响(地势高差较大);故需采取边坡支护。拟建地下室东侧距古城路人行道约20m,人行道上的管(缆)线可不考虑在本次基坑围护影响范围内;场地内无地下管(缆)线。1.4基坑安全等级本工程基坑开挖深度均≤7.00m,且基坑影响范围(2倍基坑深度)内无建筑物。综合考虑本基坑安全等级按三级基坑设计。二、工程地质与水文地质条件2.1工程地质条件根据××××地质工程勘察院提供的《×××岩土工程勘察报告报告》(勘察阶段:详细勘察;编第4页共9页第3页共9页编号:时间:2021年x月x日书山有路勤为径,学海无涯苦作舟页码:第4页共9页号:05426),本基坑设计所涉及的范围内的土层,将设计所用的相关土层参数列表如下:注:土层厚度参照K20号勘察孔,计算根据地质情况取有代表性的钻孔的厚度值;③1粉土、④1粉质粘土夹粉土局部分布,未在表中列出。2.2水文及水文地质条件场地浅层地下水主要为第四系孔隙潜水,主要赋存在①层素填土、②层粘土、③层淤泥质粉质粘土中,场区水系发育,河道水域与场区地下水有密切水力联系,浅层地下水主要受地表径流、大气降水和近河水补给,以地面蒸发和侧向径流为主要排泄途...

1、当您付费下载文档后,您只拥有了使用权限,并不意味着购买了版权,文档只能用于自身使用,不得用于其他商业用途(如 [转卖]进行直接盈利或[编辑后售卖]进行间接盈利)。
2、本站所有内容均由合作方或网友上传,本站不对文档的完整性、权威性及其观点立场正确性做任何保证或承诺!文档内容仅供研究参考,付费前请自行鉴别。
3、如文档内容存在违规,或者侵犯商业秘密、侵犯著作权等,请点击“违规举报”。

碎片内容

某基坑边坡支护概况

您可能关注的文档

确认删除?
VIP
微信客服
  • 扫码咨询
会员Q群
  • 会员专属群点击这里加入QQ群
客服邮箱
回到顶部