电脑桌面
添加小米粒文库到电脑桌面
安装后可以在桌面快捷访问

某印刷包装有限公司一体化体系管理手册VIP免费

某印刷包装有限公司一体化体系管理手册_第1页
1/56
某印刷包装有限公司一体化体系管理手册_第2页
2/56
某印刷包装有限公司一体化体系管理手册_第3页
3/56
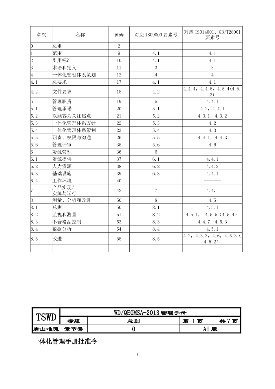
唐山唯德印刷包装有限公司一体化体系管理手册依据GB/T19001—2008(IDTISO9001:2008)GB/T24001—2004(IDTISO14001:2004)GB/T28001—2001WD/QEOMSA-2015A1版TTSWD审核:审批:实施日期:2015年1月5日目录章次名称页码对应ISO9000要素号对应ISO14001、GB/T28001要素号0总则2----------1范围94.14.12引用标准104.14.13术语和定义11334一体化管理体系策划12444.1总要求174.14.14.2文件要求184.24.4.4,4.4.5,4.5.4(4.5.3)5管理职责1954.4.15.1管理承诺205.14.2,4.4.15.2以顾客为关注焦点215.24.3.1,4.3.25.3一体化管理体系方针225.34.25.4一体化管理体系策划235.44.35.5职责、权限与沟通265.54.4.1,4.4.35.6管理评审355.64.66资源管理366-------6.1资源提供376.14.4.16.2人力资源386.24.4.26.3基础设施396.34.4.16.4工作环境40-------7产品实现/实施与运行4274.4,8测量、分析和改进5084.58.1总则508.14.5.18.2监视和测量518.24.5.1,4.5.5(4.5.4)8.3不合格品控制538.34.4.7,4.5.38.4数据分析548.44.5.18.5改进558.54.2,4.3.3,4.6,4.5.3(4.5.2)一体化管理手册批准令TSWDWD/QE0MSA-2013管理手册标题总则第1页共7页唐山唯德章节号0A1版1为了提高唐山唯德印刷包装有限公司质量、环境、职业健康安全管理水平,完善质量、环境和职业健康安全管理,积极进行污染预防,节能降耗,实现满足顾客要求和法律法规要求,内抓质量、环境和职业健康安全管理,外树形象,以达到可持续发展的目的,公司依据GB/T24001—2004(IDTISO14001:2004)《环境管理体系要求及使用指南》、GB/T19001—2008(IDTISO9001:2008)《质量管理体系要求》和GB/T28001—2001《职业健康安全管理体系规范》,结合公司实际情况编制了本手册。本手册规定了公司一体化管理体系的组织结构、职责、编制的程序、所识别过程的相互关系,阐明了对顾客和相关方的质量、环境和职业健康安全承诺,是公司一体化管理的纲领性文件,是公司质量、环境和职业健康安全管理活动的准则和指南,全体员工应严格遵照执行。本手册自2013年12月25日起实施,特予批准颁布。总经理:陈金峰2013年12月25日一体化管理方针:精益求精,追求卓越,超越顾客期望关注环境,关爱生命,实现持续发展TSWDWD/QE0MSA-2013管理手册标题总则第2页共7页唐山唯德章节号0A1版2寓义:1、牢固树立顾客至上的意识,用优质的产品和优良的服务,不断增强顾客满意度。2、坚持可持续发展的战略和以人为本的经营理念,采用新技术、新材料、新设备,节约能源、减少污染,并为职工营造文明、健康、和谐的工作环境。公司的质量、环境、健康安全目标:具体见《年度一体化管理目标指标》及《目标指标分解一览表》TSWDWD/QE0MSA-2013管理手册标题总则第3页共7页唐山唯德章节号0A1版3管理者代表任命书现任命孙德磊同志为公司管理者代表,其职责为:(1)负责组织建立、实施和保持公司的一体化管理体系。(2)向总经理及时报告公司一体化管理体系的运行情况和任何改进需求。(3)采取有效形式,提高公司全体员工满足顾客要求的意识和环境参与意识。(4)代表公司就一体化管理的有关事宜与外部联络。望公司全体员工服从协调,共同履行一体化管理职能,以确保一体化管理体系的有效运行。TSWDWD/QE0MSA-2013管理手册标题总则第4页共7页唐山唯德章节号0A1版4总经理:陈金峰2013年12月25日公司简介唐山唯德印刷包装有限公司,位于玉田县北环路玉泰工业园内,公司总投资6000万元,总建筑面积16960平方米,年产值6000万元。唐山唯德印刷包装有限公司是一家集设计、制版、印刷、三层五层纸板线、后道加工为一条龙服务的包装公司。公司人才济济,管理完善,视质量如生命。主要承接各种牛奶包装箱、饮料礼品盒、啤酒包装箱、馍片包装、药品包装箱等各种产品的印刷、制作业务。公司以独特专业的眼光定位市场、产品精心设计、经营以诚为本、以科技为向导,力求做到高品质、低成本。公司主要设备有德国罗兰R704全自动四色胶版印刷机,12000印次/小时,腹膜机,上亮机,日产彩色纸箱5万个;五层瓦楞纸板生产线,另配有多功能自动高速印刷机,6000次/小时,装订机,日产高强瓦楞纸箱10...

1、当您付费下载文档后,您只拥有了使用权限,并不意味着购买了版权,文档只能用于自身使用,不得用于其他商业用途(如 [转卖]进行直接盈利或[编辑后售卖]进行间接盈利)。
2、本站所有内容均由合作方或网友上传,本站不对文档的完整性、权威性及其观点立场正确性做任何保证或承诺!文档内容仅供研究参考,付费前请自行鉴别。
3、如文档内容存在违规,或者侵犯商业秘密、侵犯著作权等,请点击“违规举报”。

碎片内容

某印刷包装有限公司一体化体系管理手册

您可能关注的文档

精华资料店+ 关注
实名认证
内容提供者

大量教育教学资料

确认删除?
VIP
微信客服
  • 扫码咨询
会员Q群
  • 会员专属群点击这里加入QQ群
客服邮箱
回到顶部