电脑桌面
添加小米粒文库到电脑桌面
安装后可以在桌面快捷访问

危险化学品建设项目安全设施设计审查申请书VIP免费

危险化学品建设项目安全设施设计审查申请书_第1页
1/7
危险化学品建设项目安全设施设计审查申请书_第2页
2/7
危险化学品建设项目安全设施设计审查申请书_第3页
3/7
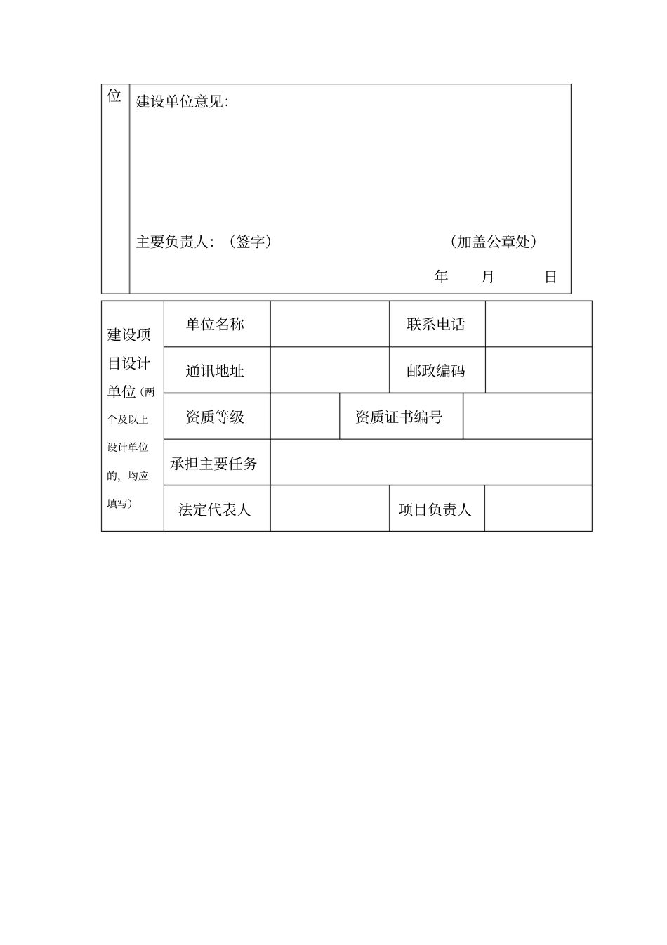
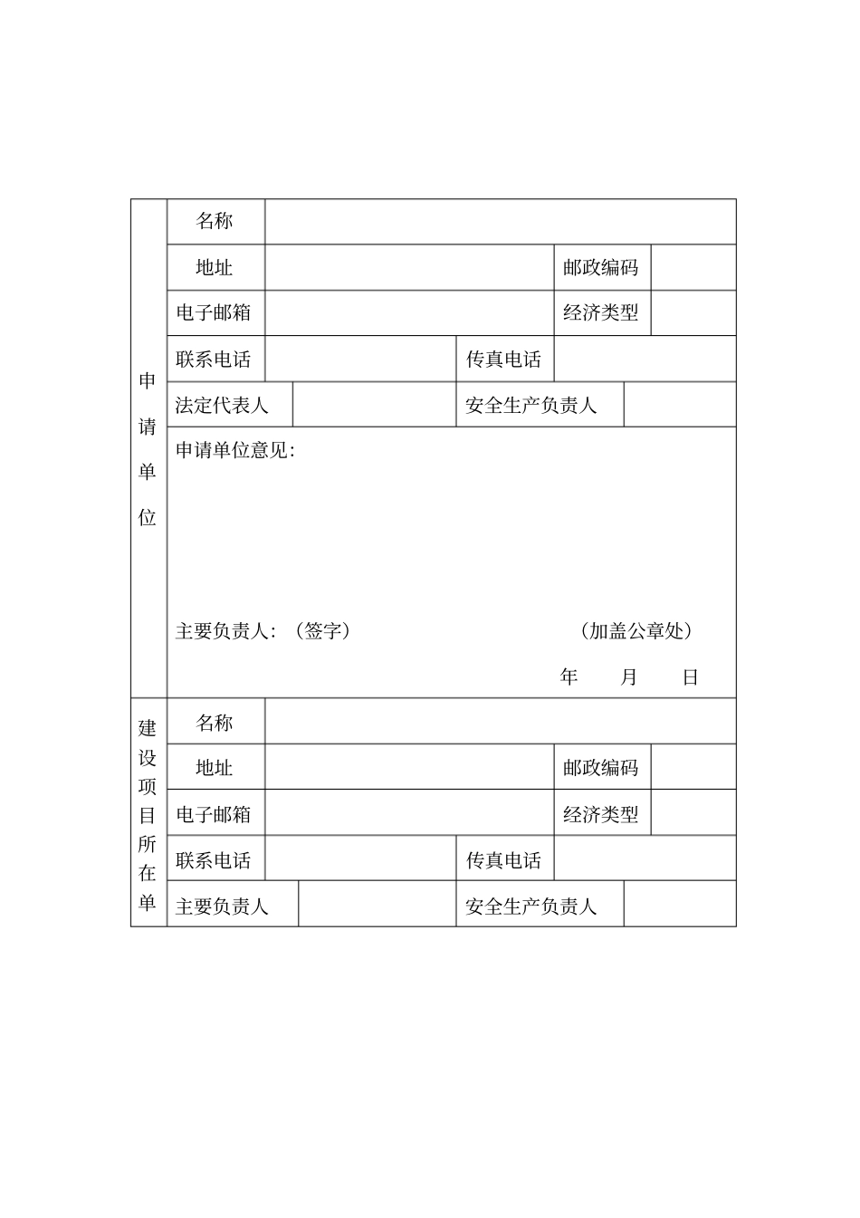
附件5:危险化学品建设项目安全设施设计审查申请书项目名称申请单位经办人联系电话填写日期申请单位名称地址邮政编码电子邮箱经济类型联系电话传真电话法定代表人安全生产负责人申请单位意见:主要负责人:(签字)(加盖公章处)年月日建设项目所在单名称地址邮政编码电子邮箱经济类型联系电话传真电话主要负责人安全生产负责人位建设单位意见:主要负责人:(签字)(加盖公章处)年月日建设项目设计单位(两个及以上设计单位的,均应填写)单位名称联系电话通讯地址邮政编码资质等级资质证书编号承担主要任务法定代表人项目负责人建设项目基本概况:1、项目类型:2、建设地址:3、总投资万元,其中,安全投资万元4、主要原辅材料:5、主要产品(包括中间产品、副产品):6、项目涉及重点监管的危险化学品:7、项目涉及重点监管的危险化工工艺:8、项目中构成重大危险源的主要装置(设施)有:安全条件审查通过后,主要技术、工艺路线、产品方案或者装置规模变更情况:安全条件审查通过后,建设项目生产、储存区周边状况变化情况:安全设施设计情况(是否执行标准AQ/T3033,特别是设计过程中危险与可操作性分析实施情况等):申请文件、材料清单(在“□”中用“√”勾选):□建设项目安全设施设计审查申请书及文件;□各设计单位的设计资质证明文件(复制件);□建设项目安全设施设计专篇。□在建设项目安全条件审查阶段未取得建设项目审批(核准、备案)手续的,还应当提交投资主管部门出具的建设项目审批(核准、备案)文件(复制件)。危险化学品建设项目安全设施设计审查申请书填写说明一、本申请书可以用钢笔、签字笔填写,字迹要清晰、工整;也可以用打印机打印四号字文本,但“负责人签字”必须由负责人本人用钢笔、签字笔签署姓名。二、本申请书“申请单位”是指《危险化学品建设项目安全监督管理办法》(国家安全监管总局令第45号)规定的建设单位,“建设项目所在单位”是指“申请单位”依法设立的分支机构。三、本申请书封面中,“项目名称”栏,填写需要政府或者投资主管部门审批或者核准、备案的建设项目名称;“申请单位”栏,填写申请单位“企业法人营业执照”或者“营业执照”、“企业名称预先核准通知书”上的企业名称。四、本申请书“申请单位”和“建设项目所在单位”栏目中的“名称”和“地址”,分别填写申请单位和建设项目所在单位“企业法人营业执照”或者“营业执照”、“企业名称预先核准通知书”上的企业名称和企业住所。未设立分支机构的申请单位,仅填写“申请单位”栏的内容。五、本申请书“申请单位”和“建设项目所在单位”栏中的“经济类型”栏,依照国家统计局、国家工商总局《关于划分企业登记注册类型的规定》(国统字〔2011〕86号),填写企业登记注册类型。六、本申请书“建设项目设计单位”栏中“单位名称”和“通讯地址”栏,分别填写承担该建设项目安全设施设计的单位“企业法人营业执照”上的企业名称和住所;“资质等级”和“资质证书编号”,分别填写承担该建设项目安全设施设计的单位取得的“资质证书”上的级别和编号。七、本申请书建设项目设计单位“承担主要任务”栏,填写相应单位在建设项目中承担的设计工作内容。八、本申请书“项目类型”栏,按照下列分类进行多项选择性填写:(一)新建危险化学品生产项目;(二)新建危险化学品储存项目;(三)改建危险化学品生产项目;(四)改建危险化学品储存项目;(五)扩建危险化学品生产项目;(六)扩建危险化学品储存项目;(七)新建伴有危险化学品产生的化工建设项目;(八)改建伴有危险化学品产生的化工建设项目;(九)扩建伴有危险化学品产生的化工建设项目;(十)危险化学品长输管道新建项目;(十一)危险化学品长输管道改建项目;(十二)危险化学品长输管道扩建项目。九、本申请书“建设地址”栏,填写建设项目所在地行政区划中的详细地址。十、本申请书“总投资”和“安全投资”栏,分别填写建设项目设计“投资概算”中的总投资金额和安全设施投资金额。十一、本申请书设置的栏目尺寸,不能满足填写内容的需要时,可自行设置栏目尺寸,但不能改变表格外边...

1、当您付费下载文档后,您只拥有了使用权限,并不意味着购买了版权,文档只能用于自身使用,不得用于其他商业用途(如 [转卖]进行直接盈利或[编辑后售卖]进行间接盈利)。
2、本站所有内容均由合作方或网友上传,本站不对文档的完整性、权威性及其观点立场正确性做任何保证或承诺!文档内容仅供研究参考,付费前请自行鉴别。
3、如文档内容存在违规,或者侵犯商业秘密、侵犯著作权等,请点击“违规举报”。

碎片内容

危险化学品建设项目安全设施设计审查申请书

您可能关注的文档

确认删除?
VIP
微信客服
  • 扫码咨询
会员Q群
  • 会员专属群点击这里加入QQ群
客服邮箱
回到顶部