电脑桌面
添加小米粒文库到电脑桌面
安装后可以在桌面快捷访问

某学生公寓施工组织设计编制VIP免费

某学生公寓施工组织设计编制_第1页
1/63
某学生公寓施工组织设计编制_第2页
2/63
某学生公寓施工组织设计编制_第3页
3/63
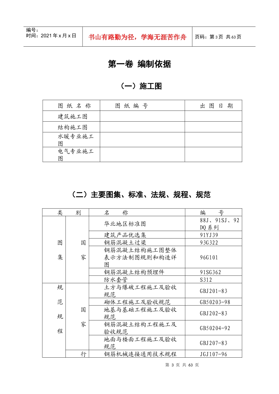
目录第一卷编制依据............................................................................4第一章(一)施工图...................................................................4第二章(二)主要图集、标准、法规、规程、规范.........................................4第三章(三)建设单位提供施工用地、水、电等条件.......................................5第二卷工程概况............................................................................7第一章(一)工程简介.................................................................7第二章(二)建筑设计特点.............................................................7第三章(三)结构设计特点.............................................................8第三卷施工部署...........................................................................10第一章(一)工程目标................................................................10第二章(二)管理组织机构............................................................10第三章(三)施工部署................................................................12第四章(四)施工准备................................................................14第五章(五)施工总平面布置..........................................................17第四卷主要分部分项工程施工方案...........................................................18第一章(一)施工测量................................................................18第二章(二)土方开挖................................................................23第三章(三)钢筋工程................................................................25第四章(四)模板工程................................................................29第五章(五)混凝土工程..............................................................33第六章(六)防水工程................................................................35第七章(七)土方回填................................................................37第八章(八)砌筑工程................................................................38第九章(九)脚手架工程..............................................................39第十章(十)外装修工程..............................................................41第十一章(十一)楼地面装修..........................................................43第2页共63页编号:时间:2021年x月x日书山有路勤为径,学海无涯苦作舟页码:第2页共63页第十二章(十二)内装修..............................................................45第十三章(十三)门窗工程............................................................49第十四章(十四)电气工程............................................................51第十五章(十五)暖卫工程............................................................61第五卷施工进度计划.......................................................................69第一章(一)总工期控制:............................................................69第二章(二)主要分部工程工期安排:..................................................69第三章(三)工期保证措施:..........................................................69第六卷季节施工措施.......................................................................72第一章(一)冬季施工措施:..........................................................72第二章(二)雨期施工措施:..........................................................73第七卷主要材料用量计划.............

1、当您付费下载文档后,您只拥有了使用权限,并不意味着购买了版权,文档只能用于自身使用,不得用于其他商业用途(如 [转卖]进行直接盈利或[编辑后售卖]进行间接盈利)。
2、本站所有内容均由合作方或网友上传,本站不对文档的完整性、权威性及其观点立场正确性做任何保证或承诺!文档内容仅供研究参考,付费前请自行鉴别。
3、如文档内容存在违规,或者侵犯商业秘密、侵犯著作权等,请点击“违规举报”。

碎片内容

某学生公寓施工组织设计编制

您可能关注的文档

确认删除?
VIP
微信客服
  • 扫码咨询
会员Q群
  • 会员专属群点击这里加入QQ群
客服邮箱
回到顶部