电脑桌面
添加小米粒文库到电脑桌面
安装后可以在桌面快捷访问

微型货车质量总体设计方案VIP免费

微型货车质量总体设计方案_第1页
1/34
微型货车质量总体设计方案_第2页
2/34
微型货车质量总体设计方案_第3页
3/34
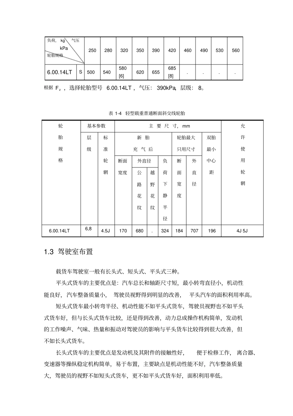
微型货车质量总体设计方案第1章汽车形式的选择1.1汽车质量参数的确定汽车质量参数包括整车整备质量、载客量、装载质量、质量系数、汽车总质量、载荷分配等。1.1.1汽车载人数和装载质量汽车的载荷质量是指汽车在良好路面上所允许的额定装载质量。汽车载客量:2人汽车的载重量:me=1000kg1.1.2整车整备质量mo确定整车整备质量是指车上带有全部装备(包括随车工具,备胎等),加满燃料、水、但没有装货和载人时的整车质量。质量系数ηmo是指汽车载质量与整车整备质量的比值,ηmo=m0me/m0。根据表1-1表1-1货车质量系数ηmo总质量ma/tηmo货车1.8<ma≤6.00.8~1.16.0<ma≤14.01.20~1.35ma≥14.01.30~1.70本车型为轻型货车,1.8<ma≤6.0,故取ηmo=0.8根据公式ηmo=me/m0;mo=me/ηmo=1000/0.8=1250kg1.1.3汽车总质量ma汽车总质量ma是指装备齐全,并按规定装满客、货时的整车质量。ma=mo+me+2×65kg(1.1)式中:ma——汽车总质量,kg;mo——整车整备质量,kg;me——汽车载质量,kg;根据公式(2.1)可得:ma=mo+me+2×65kg=1000+1250+2×65=2380kg汽车总质量:2380kg1.2汽车轮胎的选择表1-2各类汽车轴荷分配满载空载前轴后轴前轴后轴商用货车4×2后轮单胎32%~40%60%~68%50%~59%41%~50%4×2后轮双胎,长、端头式25%~27%73%~75%44%~49%51%~56%4×2后轮双胎,平头式30%~35%65%~70%48%~54%46%~52%6×2后轮双胎19%~25%75%~81%31%~37%63%~69%根据表1-2,本车型为4×2后轮双胎,平头式,故暂定前轴占32%,后轴占68%,则:前轮单侧:kgnGFz8.380232.0238032.01后轮单侧:kgnGFz6.404468.0238068.02其中zF为轮胎所承受重量。根据GB9744一1997可选择轮胎如表1.3表1.4所示表1-3轻型载重普通断面斜胶轮胎气压与负荷对应表负荷,kg气压kPa轮胎规格2502803203503904204604905305606.00.14LTS500540580[6]620655685[8]....根据zF,选择轮胎型号6.00.14LT,气压:390kPa,层级:8。表1-4轻型载重普通断面斜交线轮胎1.3驾驶室布置载货车驾驶室一般有长头式、短头式、平头式三种。平头式货车的主要优点是:汽车总长和轴距尺寸短,最小转弯直径小,机动性能良好,汽车整备质量小,驾驶员视野得到明显的改善,平头汽车的面积利用率高。短头式货车最小转弯半径、机动性能不如平头式货车,驾驶员视野也不如平头式货车好,但与长头式货车比较,还是得到改善,动力总成操作机构简单,发动机的工作噪声、气味、热量和振动对驾驶员的影响与平头货车比较得到很大改善,但不如长头式货车。长头式货车的主要优点是发动机及其附件的接触性好,便于检修工作,离合器、变速器等操纵稳定机构简单,易于布置,主要缺点是机动性能不好,汽车整备质量大,驾驶员的视野不如短头式货车,更不如平头式货车好,面积利用率低。轮胎规格基本参数主要尺寸,mm允许使用轮辋层级标准轮辋新胎充气后轮胎最大只用尺寸双胎最小中心距断面宽度外直径负荷下静半径断面宽度外直径公路花纹越野花纹6.00.14LT6,84.5J170680.3241847071964J5J综上各货车的优缺点,本车选用平头式,该布置形式视野较好,汽车的面积利用较高,在各种等级的载重车上得到广泛采用。1.4驱动形式的选择汽车的驱动形式有很多种。汽车的用途,总质量和对车辆通过性能的要求等,是影响选取驱动形式的主要因素。本车采用普通商用车多采用结构简单、制造成本低的42后双胎的驱动形式。1.5轴数的选择汽车的总质量和道路法规对轴载质量的限制和轮胎的负荷能力以及汽车的结构等对汽车的轴数有很大的影响。总质量小于19吨的商用车一般采用结构简单、成本低廉的两轴方法,当汽车的总质量不超过32t时,一般采用三轴;当汽车的总质量超过32t时,一般采用四轴。故本车轴数定为两轴。1.6货车布置形式汽车的布置形式是指发动机、驱动桥和车身的相互关系和布置而言。汽车的使用性能取决于整车和各总成。其布置的形式也对使用性能也有很重要的影响。本车为平头货车,发动机前置后桥驱动。1.7外廓尺寸的确定GB1589—1989汽车外廓尺寸限界规定如下:货车、整体式客车总长不应超过12m,不包括后视镜,汽车宽不超过2.25m;空载顶窗关闭状态下,汽车高不超过4m;根据课...

1、当您付费下载文档后,您只拥有了使用权限,并不意味着购买了版权,文档只能用于自身使用,不得用于其他商业用途(如 [转卖]进行直接盈利或[编辑后售卖]进行间接盈利)。
2、本站所有内容均由合作方或网友上传,本站不对文档的完整性、权威性及其观点立场正确性做任何保证或承诺!文档内容仅供研究参考,付费前请自行鉴别。
3、如文档内容存在违规,或者侵犯商业秘密、侵犯著作权等,请点击“违规举报”。

碎片内容

微型货车质量总体设计方案

确认删除?
VIP
微信客服
  • 扫码咨询
会员Q群
  • 会员专属群点击这里加入QQ群
客服邮箱
回到顶部