电脑桌面
添加小米粒文库到电脑桌面
安装后可以在桌面快捷访问

某电信大楼装修施工组织设计VIP免费

某电信大楼装修施工组织设计_第1页
1/16
某电信大楼装修施工组织设计_第2页
2/16
某电信大楼装修施工组织设计_第3页
3/16
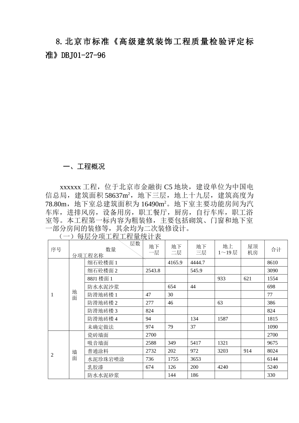
目录一、工程概况...........................................2二、施工部署...........................................3三、装修施工工序交叉施工原则及措施.....................4四、各主要分部、分项工程施工工序:.....................6五、主要分项工程施工图示...............................7六、主要施工方法与技术措施.............................9(一)细石砼地面工程................................9(二)陶粒空心砌块工程.............................10(三)水泥砂浆抹灰(包括踢脚)施工.................10(四)墙面乳胶漆(涂料)施工.......................13(五)吸音墙\顶面施工..............................14(六)墙面磁砖施工.................................15(七)石膏板吊顶...................................17(八)木门框、扇安装...............................18七、质量目标与保证措施................................19八、安全保证措施及文明施工:..........................22九、施工进度保证措施..................................23编制依据:1.xxxxxx工程图纸及文件2.《建筑装饰工程施工及验收规范》JGJ73-913.北京市标准《建筑安装分项工程施工工艺规程》(第二册)4.《工程项目安全生产标准》建一安字(1996)第200号5.《建筑安全手册》第二版6.《北京市施工现场管理法规文件汇编》7.《室内建筑高级装饰工程手册》8.北京市标准《高级建筑装饰工程质量检验评定标准》DBJ01-27-96一、工程概况xxxxxx工程,位于北京市金融街C5地块,建设单位为中国电信总局,建筑面积58637m2,地下三层,地上十九层,建筑高度为78.80m,地下室总建筑面积为16490m2。地下室主要功能房间为汽车库,进排风房,设备用房,职工餐厅,厨房,自行车库,职工浴室等。本工程第一标内容为粗装修,主要包括砌筑、门窗和地下室一部分房间的装修等,其余均为二次装修设计。(一)每层分项工程工程量统计表序号层数数量分项工程名称地下一层地下二层地下三层地上1~19层屋顶机房合计1地面细石砼楼面14165.94444.78610细石砼楼面22543.8545.9309088J1楼面19336211554防水水泥沙浆65444698防滑地砖楼1473077防滑地砖楼22774663386防滑地砖楼3824824防滑地砖楼49413415871815未确定做法974793710902墙面瓷砖墙面27002700吸音墙面2588349541713219675普通涂料273220297232039148024水泥珍珠岩喷涂736175536536144乳胶漆67412620042405240防水水泥砂浆144186330未定10915411453顶棚防水水泥砂浆8383544917吸音吊顶9581421533831253普通涂料17297550621269水泥珍珠岩喷涂14294690473310852防水石膏板吊顶3963102乳胶漆245.530.373.215861935序号层数数量分项工程名称单位地下一层地下二层地下三层地上1~19层屋顶机房合计1踢脚及墙裙水泥砂浆m92410329411403702831地砖踢脚m1477392122434水泥砂浆墙裙m1666034061175未定m14045.5185.52砌块墙200厚砌块墙m23068.8343.4300.83713100厚砌块墙m29.23门木门、防火木门樘73272246212596二、施工部署本工程陶粒空心砌体和抹灰等湿作业由南通三建九分公司施工,其余粗装修内的精装修由专业装饰公司施工,在施工前,各分包要详细了解各自的工作内容,合理安排各工种和准备材料进场。1、垂直运输:地下室施工材料及施工机具从上下楼梯由工人自行抬运。地上部分利用北侧已安好的外用电梯运输材料。在今后精装修期间尽早将消防电梯投入使用,在外用电梯拆除的情况下作为施工期间的垂直运输。2、施工顺序:地下三层→地下二层→地下一层→地上部分3、劳动力需用计划序号工种人数1瓦工802砼工103架子工154抹灰工(墙地砖)305木工(吊顶、吸音墙)606油漆工(墙、顶涂料)807电焊工28电工29力工2010合计2994、主要施工机具序号名称规格单位数量1搅拌机滚筒式0.35m3台12冲击钻TE10-14台53手枪钻10mm把54切割机355台55云石机110台46电改锥把57涂料喷枪把58铝合金刮杠3m根59水平尺1200mm把510水平尺600MM把511电箱380V台112电箱220V台413门型脚手架600*1200*1800套414拉铆枪把1注:砂浆搅拌机安置在建筑物北侧三、装...

1、当您付费下载文档后,您只拥有了使用权限,并不意味着购买了版权,文档只能用于自身使用,不得用于其他商业用途(如 [转卖]进行直接盈利或[编辑后售卖]进行间接盈利)。
2、本站所有内容均由合作方或网友上传,本站不对文档的完整性、权威性及其观点立场正确性做任何保证或承诺!文档内容仅供研究参考,付费前请自行鉴别。
3、如文档内容存在违规,或者侵犯商业秘密、侵犯著作权等,请点击“违规举报”。

碎片内容

某电信大楼装修施工组织设计

您可能关注的文档

确认删除?
VIP
微信客服
  • 扫码咨询
会员Q群
  • 会员专属群点击这里加入QQ群
客服邮箱
回到顶部