电脑桌面
添加小米粒文库到电脑桌面
安装后可以在桌面快捷访问

某涵洞施工组织设计1VIP专享VIP免费

某涵洞施工组织设计1_第1页
1/15
某涵洞施工组织设计1_第2页
2/15
某涵洞施工组织设计1_第3页
3/15
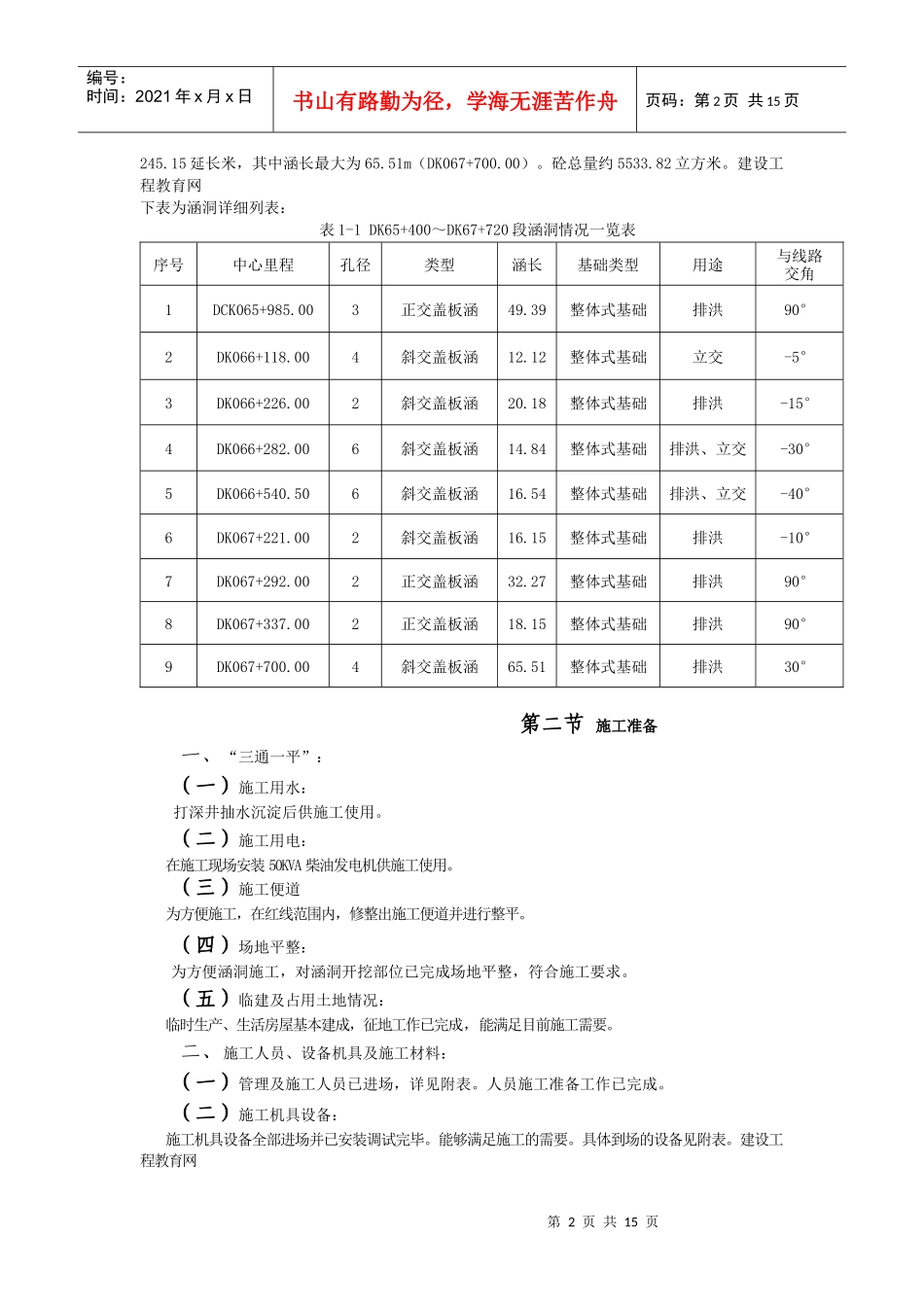
第1页共15页编号:时间:2021年x月x日书山有路勤为径,学海无涯苦作舟页码:第1页共15页某涵洞设计1第一章编制说明第一节编制依据一、涵洞施工图及通用图;二、《客货共线铁路桥涵工程施工技术指南》(TZ203-2008);三、《铁路桥涵工程施工质量验收标准》(TB10415-2003);四、《铁路混凝土结构耐久性设计暂行规定》(铁建设【2005】157号);五、《铁路混凝土与砌体工程施工规范》TB10210-2001;六、《铁路桥涵工程施工质量验收标准》TB10415-2003;七、《铁路混凝土与砌体工程施工质量验收标准》TB10424-2003;八、《工程测量规范》GB50026-2007;九、《混凝土质量控制标准》GB50164-1992;十、《砌体工程施工质量验收规范》GB50203-2002;十一、《钢筋焊接及验收规范》JGJ18-2003;十二、ZH-02标总体施工组织设计及投标文件;十三、依据我单位的施工能力,现有机械设备、技术实力和类似工程施工中积累的经验;建设工程教育网十四、依据现场周边环境和结合现场实际情况;十五、依据国家和辽宁省颁布的法律、法规、法令条款及辽宁省有关施工安全、土地使用与管理、文明施工方面的具体规定和技术标准。第二节编制范围DK65+400~DK67+720段涵洞工程第三节编制原则为确保“高起点、高标准、高速度”地完成该段涵洞的施工任务,本施工方案的编制:一、严格按照设计文件,铁路桥涵施工技术规范和质量评定标准与验收标准进行编制;二、根据工程实际情况,编制出有针对性的施工方案,以保证自始自终对施工现场实施全员、全方位、全过程的监控,同时保证达到动静结合、科学管理的目的。第二章工程概况及施工准备第一节工程概况本段DK65+400~DK67+720为涵洞施工,主要用于排洪立交(排洪6座,立交1座,排洪兼立交2座)。此段共计9座涵洞,均为钢筋混凝土盖板箱涵,总长为第2页共15页第1页共15页编号:时间:2021年x月x日书山有路勤为径,学海无涯苦作舟页码:第2页共15页245.15延长米,其中涵长最大为65.51m(DK067+700.00)。砼总量约5533.82立方米。建设工程教育网下表为涵洞详细列表:表1-1DK65+400~DK67+720段涵洞情况一览表序号中心里程孔径类型涵长基础类型用途与线路交角1DCK065+985.003正交盖板涵49.39整体式基础排洪90°2DK066+118.004斜交盖板涵12.12整体式基础立交-5°3DK066+226.002斜交盖板涵20.18整体式基础排洪-15°4DK066+282.006斜交盖板涵14.84整体式基础排洪、立交-30°5DK066+540.506斜交盖板涵16.54整体式基础排洪、立交-40°6DK067+221.002斜交盖板涵16.15整体式基础排洪-10°7DK067+292.002正交盖板涵32.27整体式基础排洪90°8DK067+337.002正交盖板涵18.15整体式基础排洪90°9DK067+700.004斜交盖板涵65.51整体式基础排洪30°第二节施工准备一、“三通一平”:(一)施工用水:打深井抽水沉淀后供施工使用。(二)施工用电:在施工现场安装50KVA柴油发电机供施工使用。(三)施工便道为方便施工,在红线范围内,修整出施工便道并进行整平。(四)场地平整:为方便涵洞施工,对涵洞开挖部位已完成场地平整,符合施工要求。(五)临建及占用土地情况:临时生产、生活房屋基本建成,征地工作已完成,能满足目前施工需要。二、施工人员、设备机具及施工材料:(一)管理及施工人员已进场,详见附表。人员施工准备工作已完成。(二)施工机具设备:施工机具设备全部进场并已安装调试完毕。能够满足施工的需要。具体到场的设备见附表。建设工程教育网第3页共15页第2页共15页编号:时间:2021年x月x日书山有路勤为径,学海无涯苦作舟页码:第3页共15页(三)工地试验室已组建,仪器安装、标定已完成,并通过了辽宁省质检总站的认证。符合施工的要求。本工程所用的石料、水泥、砂,钢筋等材料,经试验室检验,各项指标均符合要求,并已通过监理工程师检验。试验室根据施工需要和进场材料的特性做出了混凝土配合比报告,且已经通过了监理工程师检验、审批(附材料试验资料)。三、技术准备:涵洞开工前,根据设计资料,结合现场实际地形、地质情况,对其位置、方向、孔径、长度、出入口高程以及与沟渠顺接的情况进行核对。出现与设计不符的,应立即联系设计院予以变更。测量导...

1、当您付费下载文档后,您只拥有了使用权限,并不意味着购买了版权,文档只能用于自身使用,不得用于其他商业用途(如 [转卖]进行直接盈利或[编辑后售卖]进行间接盈利)。
2、本站所有内容均由合作方或网友上传,本站不对文档的完整性、权威性及其观点立场正确性做任何保证或承诺!文档内容仅供研究参考,付费前请自行鉴别。
3、如文档内容存在违规,或者侵犯商业秘密、侵犯著作权等,请点击“违规举报”。

碎片内容

某涵洞施工组织设计1

确认删除?
VIP
微信客服
  • 扫码咨询
会员Q群
  • 会员专属群点击这里加入QQ群
客服邮箱
回到顶部