电脑桌面
添加小米粒文库到电脑桌面
安装后可以在桌面快捷访问

某药业空压机招标书VIP免费

某药业空压机招标书_第1页
1/32
某药业空压机招标书_第2页
2/32
某药业空压机招标书_第3页
3/32
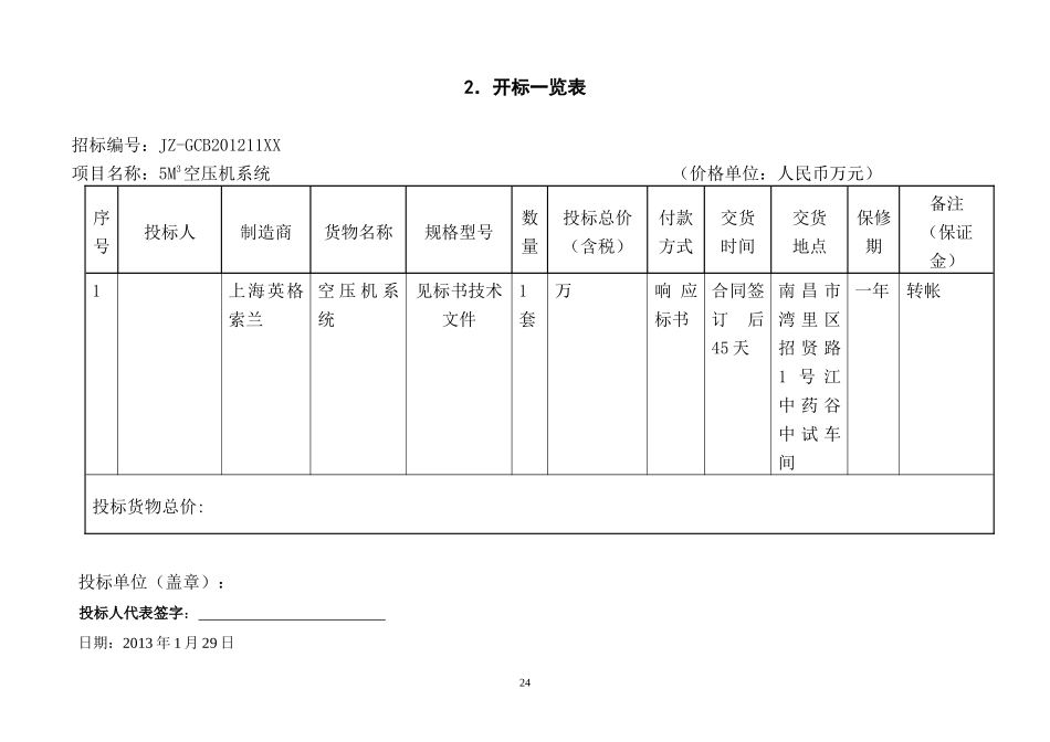
正本江中药业股份有限公司(螺杆式空压系统)投标文件项目名称:5M3空压机系统招标编号:JZ-GCB201211XX全权代表:投标单位(公章)2013年1月29日1.投标函致:江中药业股份有限公司授权为全权代表,参加贵方组织的空压机系统JZ-GCB201211XX招标活动,并对货物进行投标。为此:1、提供投标须知规定的全部投标文件:a、投标书正本1份,副本2份b、资格证明文件2、投标货物的总标投价为(大写):。3、保证遵守招标文件中的有关规定。4、保证忠实地执行买卖双方所签的合同,并承担合同规定的责任义务。5、愿意向贵方提供任何与该项投标有关的数据、情况和技术资料。6、本投标自开标之日起1个月内有效。7、与本投标有关的一切正式往来信函请寄:地址传真电话电子邮件投标人代表签字投标人名称公章日期2013年1月29日12.开标一览表招标编号:JZ-GCB201211XX项目名称:5M3空压机系统(价格单位:人民币万元)序号投标人制造商货物名称规格型号数量投标总价(含税)付款方式交货时间交货地点保修期备注(保证金)1上海英格索兰空压机系统见标书技术文件1套万响应标书合同签订后45天南昌市湾里区招贤路1号江中药谷中试车间一年转帐投标货物总价:投标单位(盖章):投标人代表签字:日期:2013年1月29日243.投标货物数量、价格表招标编号:JZ-GCB201211XX项目名称:5M3空压机系统(价格单位:人民币万元)序号货物名称规格型号数量投标价(含税)投标报价组成(含税)备注货物总价特殊工具费备品备件费安装调试费技术服务及培训费运费123456789101螺杆式空气压缩机UP5-30-71台免费免费免费免费免费2空气储罐0.6m3/10kg1台免费无免费免费免费3初过滤器SYAF-C051台免费无免费免费免费4冷冻式压缩空气干燥机SYCD-5W1台免费无免费免费免费5油雾过滤器SYAF-T051台免费无免费免费免费精密过滤器SYAF-A051台免费无免费免费免费注:1、投标总价(项4)=(项5+6+7+8+9+10)×数量各项含税费用。(1)选购件价不包括在本报价表内,应另附纸分项单报。(2)第4项包括要求供货范围内的主机和附件,出厂装箱清单所列易损件、备品备件及专用工具等,并已包括各种税费。(3)第8项为设备开机调试,不包含设备的安装。25(4)第10项为制造厂运至交货地点全部货物运杂费。2、货物主要部件(包括附件)分项价目表(1)货物名称:螺杆式空气压缩机型号规格:UP5-30-7数量:1台序号设备及部件名称型号、规格及说明数量原产地生产厂家备注1螺杆空气压缩机1上海英格索兰3进气过滤器1美国英格索兰4加载/卸载调节系统1美国贺尔碧格6油气分离器1上海上海杨园7水分离器1美国英格索兰8油过滤器1美国英格索兰9电脑控制系统1美国英格索兰10油路系统1美国PAKER11压力传感器1美国英格索兰12温度传感器1美国英格索兰13压差传感器1美国英格索兰14卸荷阀1美国英格索兰15断油阀1美国英格索兰17全部密封件1美国英格索兰18电控柜1上海英格索兰19电动机1河北河北电机厂22润滑油美国英格索兰升(2)特殊工具清单及价目表(赠送备件)序号名称规格型号单位数量品牌厂家产地价格1油过滤器54672654个1美国英格索兰美国英格索兰上海免费2油过滤99277378个1美国英美国英上海免费26器扳手格索兰格索兰报价合计(3)备品、备件清单及价目表序号数量规格参数单价制造商备注1122203095英格索兰空气过滤器2154672654英格索兰油过滤器3154749247英格索兰油分离器4122114185英格索兰超级冷却剂投标人(公章):授权代表(签字):日期:2013年1月29日274.技术参数表招标编号:JZ-GCB201211XX项目名称:5M3空压机系统序号设备名称设备参数其他技术性能1螺杆式空气压缩机功率:30KW,气量:5.40m3/min,压力:0.75Mpa额定电流:56.2A气体含油量:≤3ppm设计环境温度:≤46℃使用海拔高度:≤1000m传动方式:皮带机组噪声:68dB(A)冷却方式:风冷机组排气温度:t环境+8℃电机型号:IY200L-4服务系数:1.15电机转速:1480rpm电机防护等级:IP55电机绝缘等级:F电源及启动方式:380V/3PH/50HZY-Δ外形尺寸(长/宽/高)1712/1379/1344mm整机重量:1028kg电缆进线孔:Φ64mm排气接口:BSP1.52空气储罐1.0Mpa0.6m3罐体:2134*650温度:100℃进气口:DN65出气口:...

1、当您付费下载文档后,您只拥有了使用权限,并不意味着购买了版权,文档只能用于自身使用,不得用于其他商业用途(如 [转卖]进行直接盈利或[编辑后售卖]进行间接盈利)。
2、本站所有内容均由合作方或网友上传,本站不对文档的完整性、权威性及其观点立场正确性做任何保证或承诺!文档内容仅供研究参考,付费前请自行鉴别。
3、如文档内容存在违规,或者侵犯商业秘密、侵犯著作权等,请点击“违规举报”。

碎片内容

某药业空压机招标书

您可能关注的文档

确认删除?
VIP
微信客服
  • 扫码咨询
会员Q群
  • 会员专属群点击这里加入QQ群
客服邮箱
回到顶部