电脑桌面
添加小米粒文库到电脑桌面
安装后可以在桌面快捷访问

某联合厂房建筑施工方案VIP免费

某联合厂房建筑施工方案_第1页
1/29
某联合厂房建筑施工方案_第2页
2/29
某联合厂房建筑施工方案_第3页
3/29
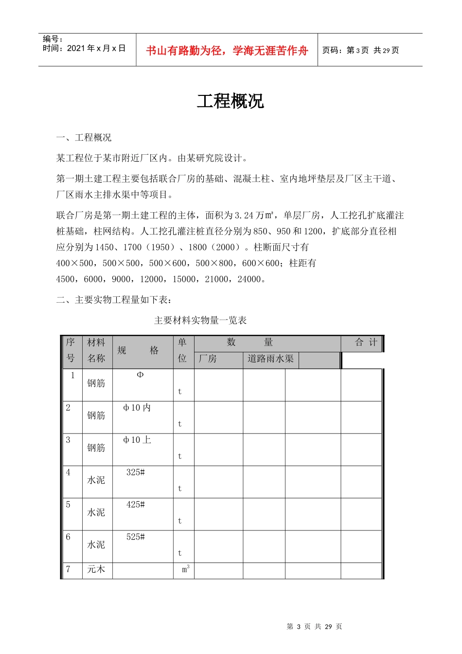
某联合厂房建筑施工方案目录工程概况..................................................3总体安排..................................................4组织机构及指挥系统....................................4方针目标管理..........................................6施工总体安排..........................................8施工进度计划安排......................................8施工准备..................................................8技术准备..............................................8施工组织准备..........................................9施工机械的选择配备...................................10总平面布置...........................................11临时用电.............................................12临时用水.............................................14劳动力配备...........................................16主要施工方法.............................................17测量放线.............................................17厂房施工.............................................17厂区主干道路.........................................32厂区雨水主排水渠.....................................34主要技术保证措施.........................................36保证施工工期的措施...................................37保证工程质量的措施...................................38保证安全、文明施工的措施.............................40施工试验及计量管理.......................................41材料进场管理制度.........................................42合理化建议...............................................43售前售后服务.............................................44工程技术档案资料管理.....................................45第3页共29页编号:时间:2021年x月x日书山有路勤为径,学海无涯苦作舟页码:第3页共29页工程概况一、工程概况某工程位于某市附近厂区内。由某研究院设计。第一期土建工程主要包括联合厂房的基础、混凝土柱、室内地坪垫层及厂区主干道、厂区雨水主排水渠中等项目。联合厂房是第一期土建工程的主体,面积为3.24万㎡,单层厂房,人工挖孔扩底灌注桩基础,柱网结构。人工挖孔灌注桩直径分别为850、950和1200,扩底部分直径相应分别为1450、1700(1950)、1800(2000)。柱断面尺寸有400×500,500×500,500×600,500×800,600×600;柱距有4500,6000,9000,12000,15000,21000,24000。二、主要实物工程量如下表:主要材料实物量一览表序号材料名称规格单位数量合计厂房道路雨水渠1钢筋Фt2钢筋ф10内t3钢筋ф10上t4水泥325#t5水泥425#t6水泥525#t7元木m3第4页共29页第3页共29页编号:时间:2021年x月x日书山有路勤为径,学海无涯苦作舟页码:第4页共29页8标砖24011563千匹9中砂过筛m310细砂未过筛m311砾石m312砾石m313砾石m314砾石m315生石灰t总体安排组织机构及指挥系统一、指挥系统根据该工程的规模特点,公司领导班子特别重视,经过认真慎重多次研究决定将本工程列为公司一九九九年度重点工程,为组织协调和加强本工程的组织领导工作,特成立由公司总经理亲自挂帅,公司总工程师担任技术负责人,及各职能部门参加的工程现场指挥部,形成指挥系统,指挥系统图附后。二、组织机构本工程采用项目法施工,具体由我公司优秀项目经理部─徐荣文项目经理部承担该工程的施工任务,全面负责指挥该项目工程现场施工和各项管理工作,并在公司范围内抽调强有力的各项专业技术管理人员,充实原有班子,建成强有力的项目管理班子,健全各项管理制度,统一指挥,协调各方面的关系,确保工程的工期、质量、安全、成本及文明施工,做到优质高效。项目经理及管理人员简历和近期主要业绩见标书的前部分。第5页共29页第4页共29页编号:时间:2021年x月x日书山有路勤为径,学海无涯苦作舟页码:第5页共29页三、各方面的组织协调在劳动力调配上,由项目经理部会同公司...

1、当您付费下载文档后,您只拥有了使用权限,并不意味着购买了版权,文档只能用于自身使用,不得用于其他商业用途(如 [转卖]进行直接盈利或[编辑后售卖]进行间接盈利)。
2、本站所有内容均由合作方或网友上传,本站不对文档的完整性、权威性及其观点立场正确性做任何保证或承诺!文档内容仅供研究参考,付费前请自行鉴别。
3、如文档内容存在违规,或者侵犯商业秘密、侵犯著作权等,请点击“违规举报”。

碎片内容

某联合厂房建筑施工方案

您可能关注的文档

确认删除?
VIP
微信客服
  • 扫码咨询
会员Q群
  • 会员专属群点击这里加入QQ群
客服邮箱
回到顶部