电脑桌面
添加小米粒文库到电脑桌面
安装后可以在桌面快捷访问

塔内件基础知识VIP免费

塔内件基础知识_第1页
1/14
塔内件基础知识_第2页
2/14
塔内件基础知识_第3页
3/14
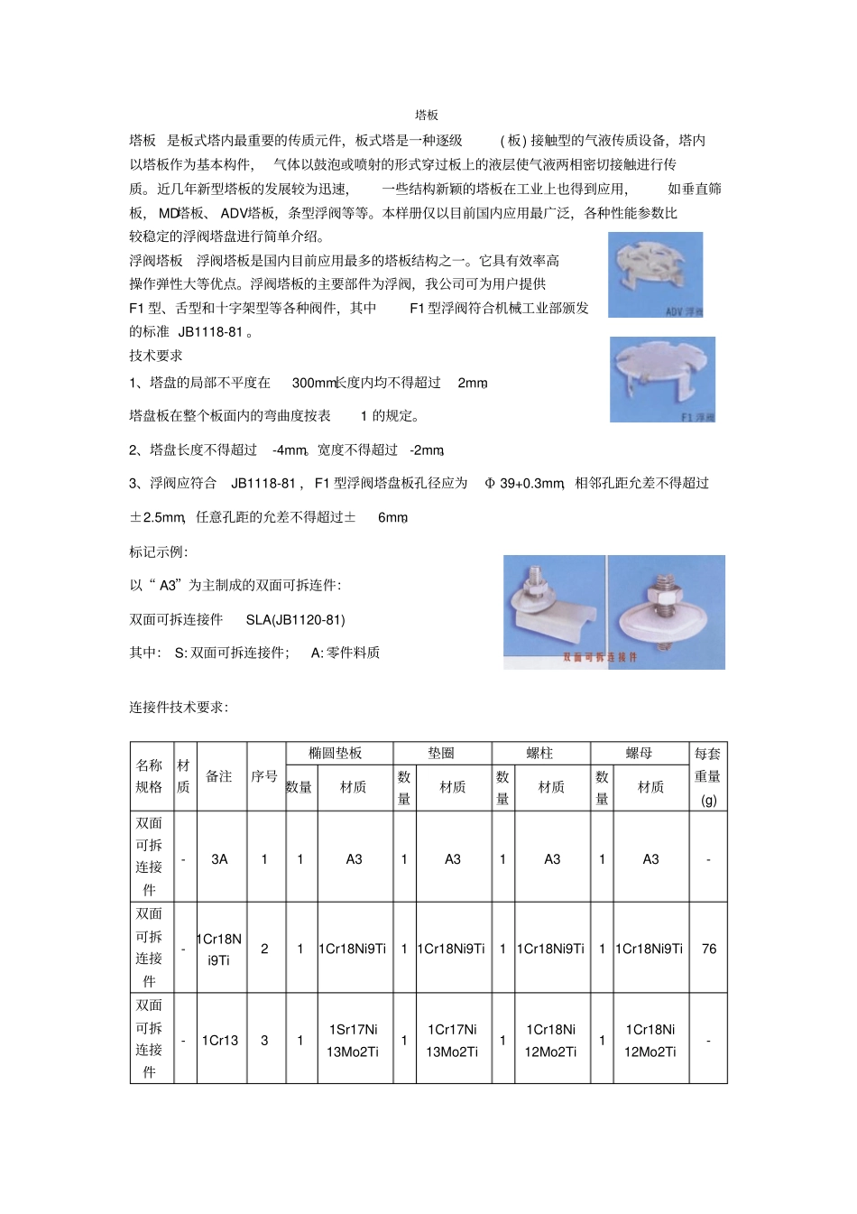
塔板塔板是板式塔内最重要的传质元件,板式塔是一种逐级(板)接触型的气液传质设备,塔内以塔板作为基本构件,气体以鼓泡或喷射的形式穿过板上的液层使气液两相密切接触进行传质。近几年新型塔板的发展较为迅速,一些结构新颖的塔板在工业上也得到应用,如垂直筛板,MD塔板、ADV塔板,条型浮阀等等。本样册仅以目前国内应用最广泛,各种性能参数比较稳定的浮阀塔盘进行简单介绍。浮阀塔板浮阀塔板是国内目前应用最多的塔板结构之一。它具有效率高操作弹性大等优点。浮阀塔板的主要部件为浮阀,我公司可为用户提供F1型、舌型和十字架型等各种阀件,其中F1型浮阀符合机械工业部颁发的标准JB1118-81。技术要求1、塔盘的局部不平度在300mm长度内均不得超过2mm。塔盘板在整个板面内的弯曲度按表1的规定。2、塔盘长度不得超过-4mm。宽度不得超过-2mm。3、浮阀应符合JB1118-81,F1型浮阀塔盘板孔径应为Φ39+0.3mm,相邻孔距允差不得超过±2.5mm,任意孔距的允差不得超过±6mm。标记示例:以“A3”为主制成的双面可拆连件:双面可拆连接件SLA(JB1120-81)其中:S:双面可拆连接件;A:零件料质连接件技术要求:名称规格材质备注序号椭圆垫板垫圈螺柱螺母每套重量(g)数量材质数量材质数量材质数量材质双面可拆连接件-3A11A31A31A31A3-双面可拆连接件-1Cr18Ni9Ti211Cr18Ni9Ti11Cr18Ni9Ti11Cr18Ni9Ti11Cr18Ni9Ti76双面可拆连接件-1Cr13311Sr17Ni13Mo2Ti11Cr17Ni13Mo2Ti11Cr18Ni12Mo2Ti11Cr18Ni12Mo2Ti-卡子技术要求:标记适用厚度(n)总高(H)卡板圆头螺板螺母每套重量(g)aa:d:σ1材质LLod3规格材质d2σ2材质规格材质K6A6476053113A3352515M10-112A3M10A3134K8A8135K1010136K121252655813403017M12132.5M12166K1414167K6B64760531121Cr18Ni9Ti352515M101Cr18Ni9Ti1121Cr18Ni9TiM101Cr18Ni9Ti107K8B8108K10B10109K12B12526558133403017M12132.5M12166K14B14167K6C64760531121Cr17Ni13Mo2Ti352515M101Cr17Ni13Mo2Ti1121Cr17Ni13Mo2TiM101Cr17Ni13Mo2Ti107K8C8108K10C10109K12C12526558133403017M12132.5M12166K14C14167卡子(JB1119-81)标记示例:适用厚度n为10mm以1Cr18Ni9Ti材质为主制成的卡子卡子K10B(JB1119-81)其中K,10表示材质10:卡子适用厚度;K:表示卡子卡子连接件卡子是最常用的板式塔塔盘的固定件,根据JB-1119-81标准生产,填料格栅填料格栅填料是新型规整填料,有塑料格栅填料和金属格栅填料。塑料格栅填料是由塑料板经过一定的加工工艺,根据塔径和人孔的大小用金属构件连接组装而成。每盘填料高度由塔径而。金属格栅填料呈蜂窝状,由金属薄板冲压连接根据人孔大小制成块片和塔内装组而成。格栅填料主要是以板片作为主要传质构件。板片垂直于塔截面,与气流和液流方向平行,上下两层呈450旋转。气体和液体有固定的通道,流体在板片之间不断冲刷接触,使得含有固体颗粒或含尘气体和液体不会在填料表面停滞、沉积、淤积和堵塞。因此格栅填料是一种高效、大通量、低压降,不堵塔的新型规整填料,对于煤气的冷却除尘、脱硫等具有较大的优越性。孔板波纹填料是在金属薄板表面冲孔、轧制密纹,冲波纹最后组装而成的规整填料,具有阻力小、气液分布均匀、效率高、通量大、放大效应不明显等特点,应用于负压、常压和加压操作。填料名称型号峰高mm比表面积m2/m3理论板数1/m空隙率%压力降Mpa/mF因子m/s(kg/m3)0.5孔板波纹填料SM125241251-1.298.51.5×10-43SM250122502-3971.52×10-42.6SM35083503.5-4951.5×10-42SM4506.54504-4.5931.8×10-41.5丝网波填料丝网波填料是填料发展史的一个重要里程碑,这种填料由压成波纹的丝网片排列而成,波纹片倾角30O或45O,相邻两波纹片方向相反,在塔内填装时,上下两盘填料交错90O叠放。具有高效、压降低和通量大的优点,产品有BX、CY型,常用于难分离和热敏性物系的真空精馏,常压精馏和吸收过程。填料名称型号峰高mm比表面积m2/m3理论板数1/m空隙率%压力降Mpa/mF因子m/s(kg/m3)0.5丝网波纹填料CY7004.37008-10874.5-6.5×10-41.3-2.4BX5006.35004.5-5.5953.0×10-42型号板间距mm(定位距)堆积重度kg/m3比表面积m2/m3空隙率%GS-15013040.191.86GS-2421514...

1、当您付费下载文档后,您只拥有了使用权限,并不意味着购买了版权,文档只能用于自身使用,不得用于其他商业用途(如 [转卖]进行直接盈利或[编辑后售卖]进行间接盈利)。
2、本站所有内容均由合作方或网友上传,本站不对文档的完整性、权威性及其观点立场正确性做任何保证或承诺!文档内容仅供研究参考,付费前请自行鉴别。
3、如文档内容存在违规,或者侵犯商业秘密、侵犯著作权等,请点击“违规举报”。

碎片内容

塔内件基础知识

您可能关注的文档

爱的疯狂+ 关注
实名认证
内容提供者

该用户很懒,什么也没介绍

确认删除?
VIP
微信客服
  • 扫码咨询
会员Q群
  • 会员专属群点击这里加入QQ群
客服邮箱
回到顶部