电脑桌面
添加小米粒文库到电脑桌面
安装后可以在桌面快捷访问

江苏某公司卧式设备安装记录表VIP免费

江苏某公司卧式设备安装记录表_第1页
1/11
江苏某公司卧式设备安装记录表_第2页
2/11
江苏某公司卧式设备安装记录表_第3页
3/11
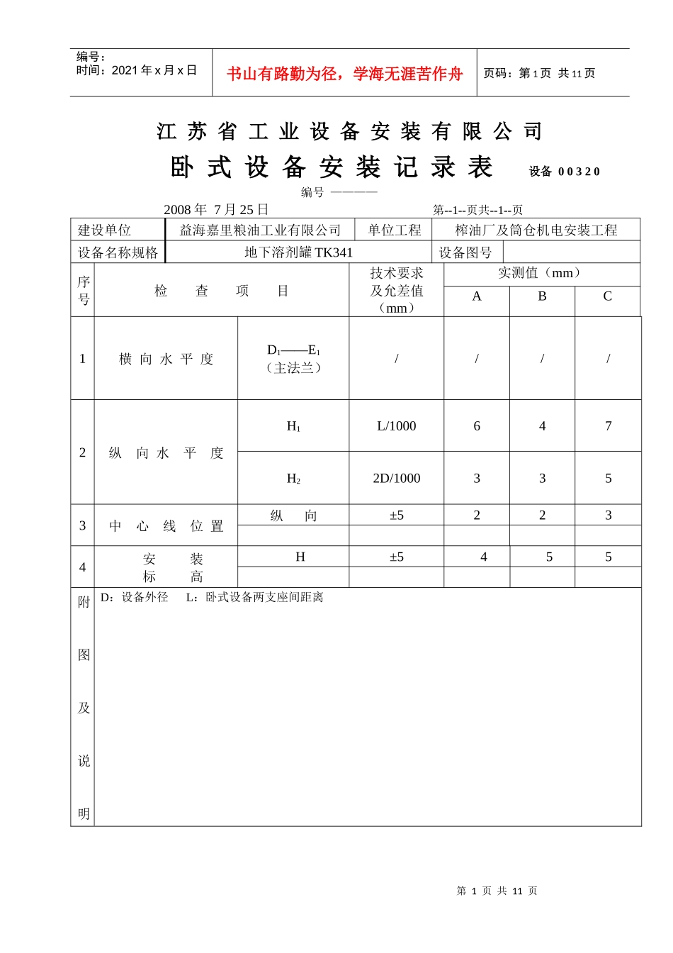
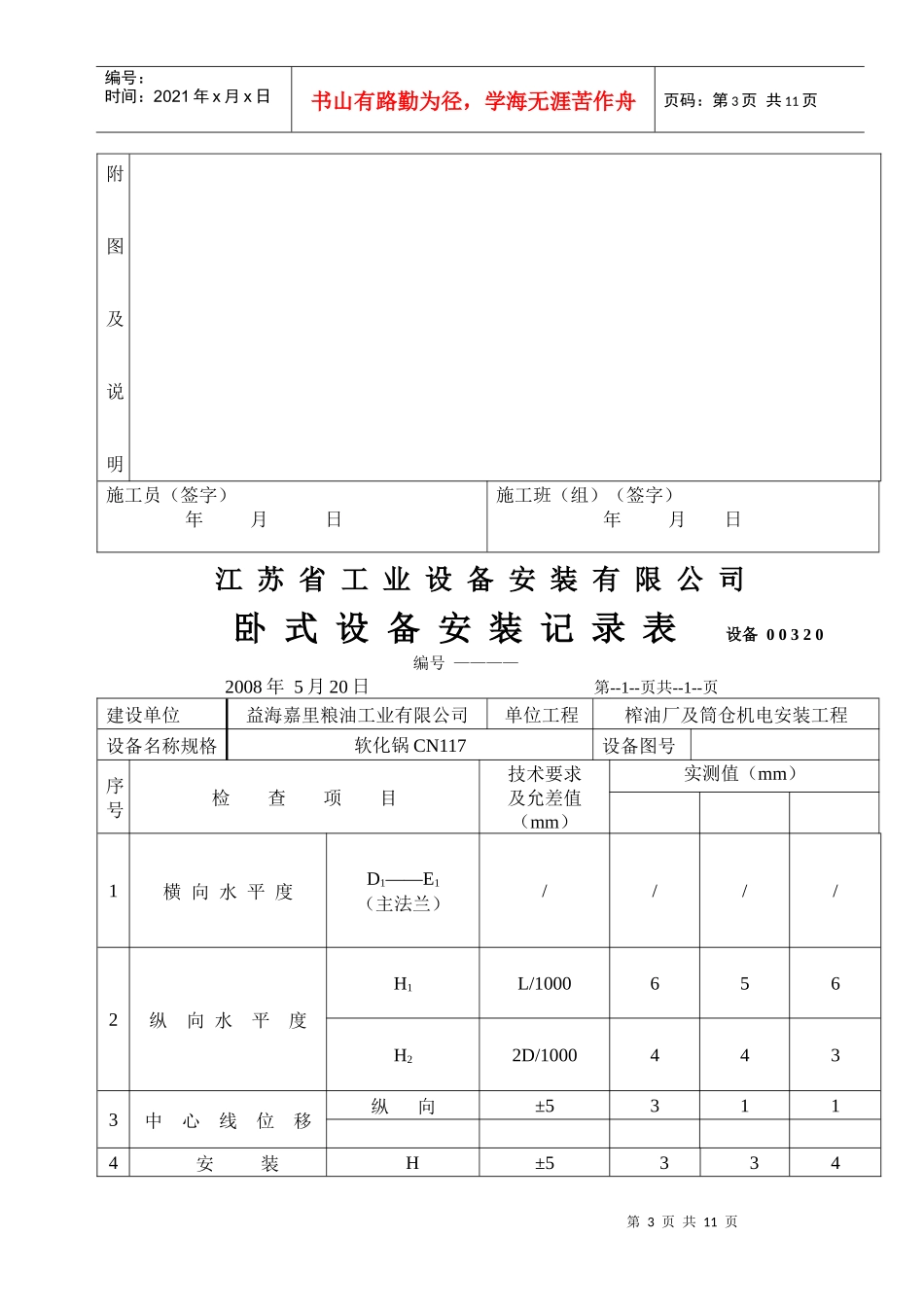
第1页共11页编号:时间:2021年x月x日书山有路勤为径,学海无涯苦作舟页码:第1页共11页江苏省工业设备安装有限公司卧式设备安装记录表设备00320编号————2008年7月25日第--1--页共--1--页建设单位益海嘉里粮油工业有限公司单位工程榨油厂及筒仓机电安装工程设备名称规格地下溶剂罐TK341设备图号序号检查项目技术要求及允差值(mm)实测值(mm)ABC1横向水平度D1——E1(主法兰)////2纵向水平度H1L/1000647H22D/10003353中心线位置纵向±52234安装标高H±5455附图及说明D:设备外径L:卧式设备两支座间距离第2页共11页第1页共11页编号:时间:2021年x月x日书山有路勤为径,学海无涯苦作舟页码:第2页共11页施工员(签字)年月日施工班(组)(签字)年月日江苏省工业设备安装有限公司卧式设备安装记录表设备00320编号————2008年7月25日第--1--页共--1--页建设单位益海嘉里粮油工业有限公司单位工程榨油厂及筒仓机电安装工程设备名称规格地下溶剂罐TK342设备图号序号检查项目技术要求及允差值(mm)实测值(mm)1横向水平度D1——E1(主法兰)////2纵向水平度H1L/1000557H22D/10002453中心线位移纵向±51224安装标高H±5435第3页共11页第2页共11页编号:时间:2021年x月x日书山有路勤为径,学海无涯苦作舟页码:第3页共11页附图及说明施工员(签字)年月日施工班(组)(签字)年月日江苏省工业设备安装有限公司卧式设备安装记录表设备00320编号————2008年5月20日第--1--页共--1--页建设单位益海嘉里粮油工业有限公司单位工程榨油厂及筒仓机电安装工程设备名称规格软化锅CN117设备图号序号检查项目技术要求及允差值(mm)实测值(mm)1横向水平度D1——E1(主法兰)////2纵向水平度H1L/1000656H22D/10004433中心线位移纵向±53114安装H±5334第4页共11页第3页共11页编号:时间:2021年x月x日书山有路勤为径,学海无涯苦作舟页码:第4页共11页标高附图及说明施工员(签字)年月日施工班(组)(签字)年月日江苏省工业设备安装有限公司卧式设备安装记录表设备00320编号————2008年5月20日第--1--页共--1--页建设单位益海嘉里粮油工业有限公司单位工程榨油厂及筒仓机电安装工程设备名称规格软化锅CN118设备图号序号检查项目技术要求及允差值(mm)实测值(mm)1横向水平度D1——E1(主法兰)////2纵向水平度H1L/1000744H22D/10006443中心线位移纵向±5533第5页共11页第4页共11页编号:时间:2021年x月x日书山有路勤为径,学海无涯苦作舟页码:第5页共11页4安装标高H±5555附图及说明施工员(签字)年月日施工班(组)(签字)年月日江苏省工业设备安装有限公司卧式设备安装记录表设备00320编号————2008年5月20日第--1--页共--1--页建设单位益海嘉里粮油工业有限公司单位工程榨油厂及筒仓机电安装工程设备名称规格溶剂工作罐TK340设备图号序号检查项目技术要求及允差值(mm)实测值(mm)1横向水平度D1——E1(主法兰)////2纵向水平度H1L/1000454H22D/10003433中心线位移纵向±5423第6页共11页第5页共11页编号:时间:2021年x月x日书山有路勤为径,学海无涯苦作舟页码:第6页共11页4安装标高H±5233附图及说明施工员(签字)年月日施工班(组)(签字)年月日江苏省工业设备安装有限公司卧式设备安装记录表设备00320编号————2008年5月21日第--1--页共--1--页建设单位益海嘉里粮油工业有限公司单位工程榨油厂及筒仓机电安装工程设备名称规格一蒸冷凝器CO320设备图号序号检查项目技术要求及允差值(mm)实测值(mm)1横向水平度D1——E1(主法兰)////2纵向水平度H1L/1000332H22D/1000223第7页共11页第6页共11页编号:时间:2021年x月x日书山有路勤为径,学海无涯苦作舟页码:第7页共11页3中心线位移纵向±53234安装标高H±5433附图及说明施工员(签字)年月日施工班(组)(签字)年月日江苏省工业设备安装有限公司卧式设备安装记录表设备00320编号————2008年7月7日第--1--页共--1--页建设单位益海嘉里粮油工业有限公司单位工程榨油厂及筒仓机电安装工程设备名称规格气体塔冷凝器CO330设备图号序号检查项目技术要求及允差值(mm)实测值(mm)1横向水平度D1...

1、当您付费下载文档后,您只拥有了使用权限,并不意味着购买了版权,文档只能用于自身使用,不得用于其他商业用途(如 [转卖]进行直接盈利或[编辑后售卖]进行间接盈利)。
2、本站所有内容均由合作方或网友上传,本站不对文档的完整性、权威性及其观点立场正确性做任何保证或承诺!文档内容仅供研究参考,付费前请自行鉴别。
3、如文档内容存在违规,或者侵犯商业秘密、侵犯著作权等,请点击“违规举报”。

碎片内容

江苏某公司卧式设备安装记录表

确认删除?
VIP
微信客服
  • 扫码咨询
会员Q群
  • 会员专属群点击这里加入QQ群
客服邮箱
回到顶部