电脑桌面
添加小米粒文库到电脑桌面
安装后可以在桌面快捷访问

水渠施工组织设计(DOC62页)VIP免费

水渠施工组织设计(DOC62页)_第1页
1/36
水渠施工组织设计(DOC62页)_第2页
2/36
水渠施工组织设计(DOC62页)_第3页
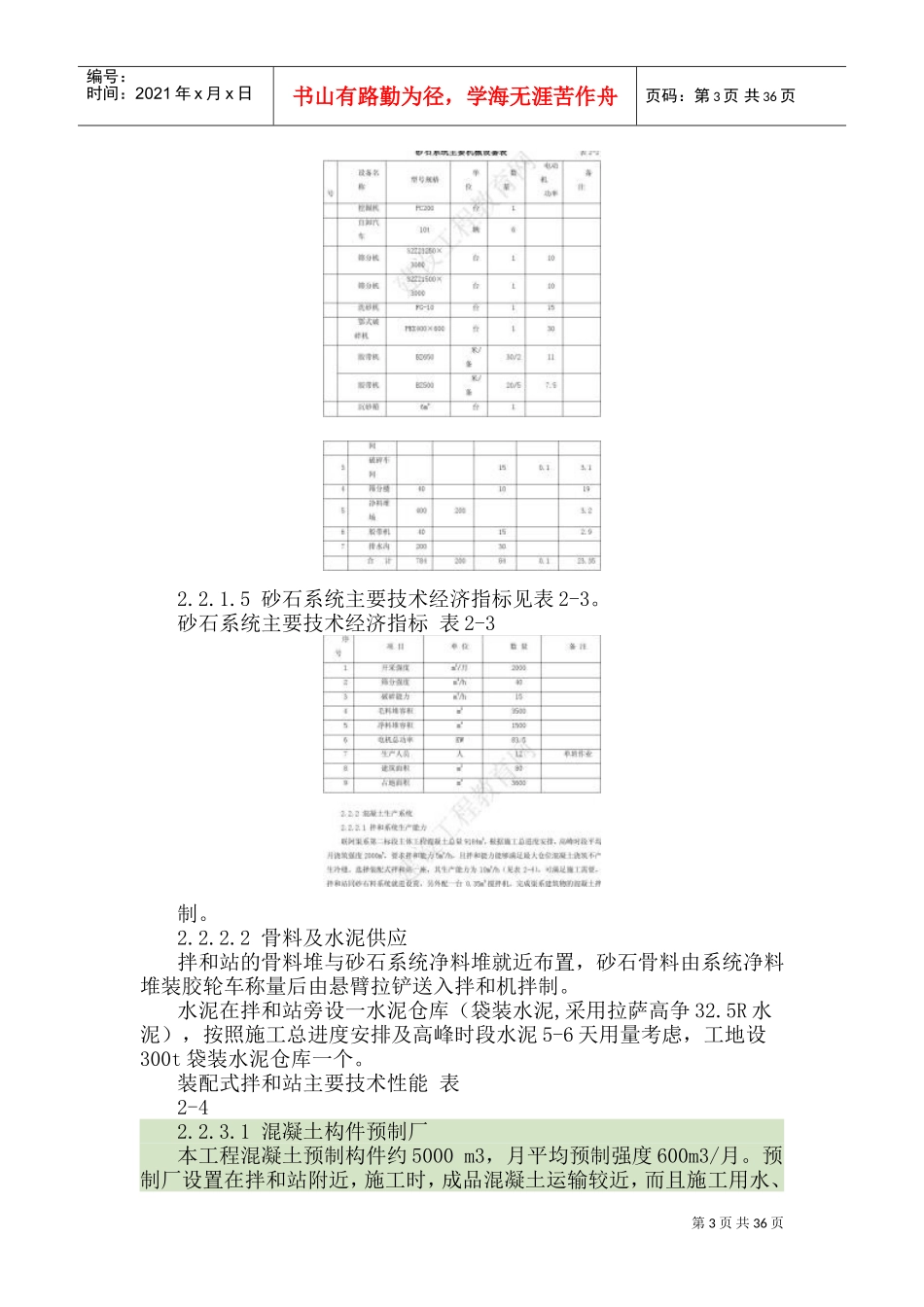
3/36
第1页共36页编号:时间:2021年x月x日书山有路勤为径,学海无涯苦作舟页码:第1页共36页水渠(河道)工程施工组织设计方案一、工程条件1.1概述满拉灌区位于西藏自治区年楚河流域,是满拉水库的配套工程。灌区控制范围为满拉水库下游至年楚河河口两岸可自流及提水灌溉的土地,灌区总控制面积53万亩,设计灌溉面积42.68万亩。满拉灌区共包括11个渠系,联阿渠系、团结渠系是其中的两个渠系。联阿渠系第二标段,包括干渠10.344km(桩号8+085~18+429m)、2.063km及以上渠系上的所有建筑物。工程建设工期为12个月,至2003年8月311.2水文、气象、工程地质条件处的涅如藏布上,距年楚河河口117km421.0mm752.1mm,最小降水量为210.5mm6-9月降水量占年降水量的90%左右。6.3度,最高月平均气温14.5度,最低月平均气温-3.8度,极端最高气温28.2度,极端最低气温-25.1度,日喀则站多年平均湿度为42%。年楚河流域的径流主要由降水、冰川积雪融水及地下水补给三部分组成。从日喀则站多年径流资料分析来看,径流年度间变化不大,但径流的年内分配不均,汛期(6-9月)径流量占年径流量的70%左右,枯水期(12月-次年3月)径流平稳。由于地下水补给量较大,致使流域枯水季节径流较内地河流丰富。灌区地震基本烈度为Ⅶ度。引水枢纽部位基础均为砂砾石,两岸堤之间河床砂砾石2.0m深度范围内为近期淤积砂砾石结构,较松散,需挖除后方可建基。渠道类型主要为坡麓型、平原型、山岭型和穿越山岭型;其通过的岩性主要为基岩、粘土、土壤、砂壤土、含砂壤土角砾、砂和砂砾石。基岩以页岩为主,边坡整体是稳定的,粘土和壤土为弱透水层,不需要采取防渗处理措施,但需护坡。基岩、含砂壤土角砾、含角砾砂壤土、砂砾石等为中至强透水层,各层允许坡降较小,需采取护坡和防渗措施。渠道沿线通过泥石流多发区,应采取可靠排挡措施进行处理,以防止渠道边坡稳定和淤积问题,渠道在风成沙丘附近通过,应采取相应的防沙措施,予以保护。1.3对外交通条件联阿引水枢纽位于日喀则市上游年楚河干流上,距日喀则市约15Km;日喀则至江孜全程86Km为三级旅游公路,路况较好,可资利用,该公路至各引水枢纽、干支渠及泵站等施工现场均有乡道可以利用。二、施工总平面布置2.1布置特点11个渠系,联阿渠系是其中一个渠系,包括引水枢纽工程8.085km(包括干提加固)联阿渠系二标段分二期施工,施工主要工厂靠近施工现场布置,按紧凑合第2页共36页编号:时间:2021年x月x日书山有路勤为径,学海无涯苦作舟页码:第2页共36页2.2施工辅助企业布置2.2.12.2.1.15269.85m3,计入临建工程和施工损耗519.8m3,混凝土总量约为5789.65m3,需砂石净料6500m3,其中需砂约2650m3。2.2.1.2砂石采料场及料场开采根据招标文件补充通知(1),本工程砂石料采用天然砂石料,料场由招标人提供三个,料场的各项指标均符合设计要求,料场储量丰富,满足工程用料需要。根据施工总进度安排,主体工程施工主要安排在枯水期,料场开采采用陆地开采。先用推土机或挖掘机剥离无用表层,然后用PC200挖掘机装10t自卸汽车运至砂石骨料加工系统。2.2.1.3砂石骨料加工系统工艺流程由料场开采的砂砾混合料由自卸汽车运到系统汽车受料坑卸料,由受料坑下设胶带机送往预筛分间。>40mm粒径的大石,用胶带机送到破碎车间,经PEX400×600型鄂式破碎机破碎后,用胶带机送回预筛分间形成闭路循环。<40mm粒径的混合料由胶带机送往筛分间进行筛洗分级,分级后的各级骨料由3条胶带机分别运往相应的净料堆场堆存。砂石加工系统工艺流程见下图:B=5002.2.1.4砂石砂石料系统主要土建工程量表表2-1第3页共36页编号:时间:2021年x月x日书山有路勤为径,学海无涯苦作舟页码:第3页共36页2.2.1.5砂石系统主要技术经济指标见表2-3。砂石系统主要技术经济指标表2-3制。2.2.2.2骨料及水泥供应拌和站的骨料堆与砂石系统净料堆就近布置,砂石骨料由系统净料堆装胶轮车称量后由悬臂拉铲送入拌和机拌制。水泥在拌和站旁设一水泥仓库(袋装水泥,采用拉萨高争32.5R水泥),按照施工总进度安排及高峰时段水泥5-6天用量考虑,工地设300t袋装水泥仓库一个。装配式拌和站主要技术性能表2-42.2.3...

1、当您付费下载文档后,您只拥有了使用权限,并不意味着购买了版权,文档只能用于自身使用,不得用于其他商业用途(如 [转卖]进行直接盈利或[编辑后售卖]进行间接盈利)。
2、本站所有内容均由合作方或网友上传,本站不对文档的完整性、权威性及其观点立场正确性做任何保证或承诺!文档内容仅供研究参考,付费前请自行鉴别。
3、如文档内容存在违规,或者侵犯商业秘密、侵犯著作权等,请点击“违规举报”。

碎片内容

水渠施工组织设计(DOC62页)

确认删除?
VIP
微信客服
  • 扫码咨询
会员Q群
  • 会员专属群点击这里加入QQ群
客服邮箱
回到顶部