电脑桌面
添加小米粒文库到电脑桌面
安装后可以在桌面快捷访问

桥梁工程安全生产事故专项应急预案VIP免费

桥梁工程安全生产事故专项应急预案_第1页
1/12
桥梁工程安全生产事故专项应急预案_第2页
2/12
桥梁工程安全生产事故专项应急预案_第3页
3/12
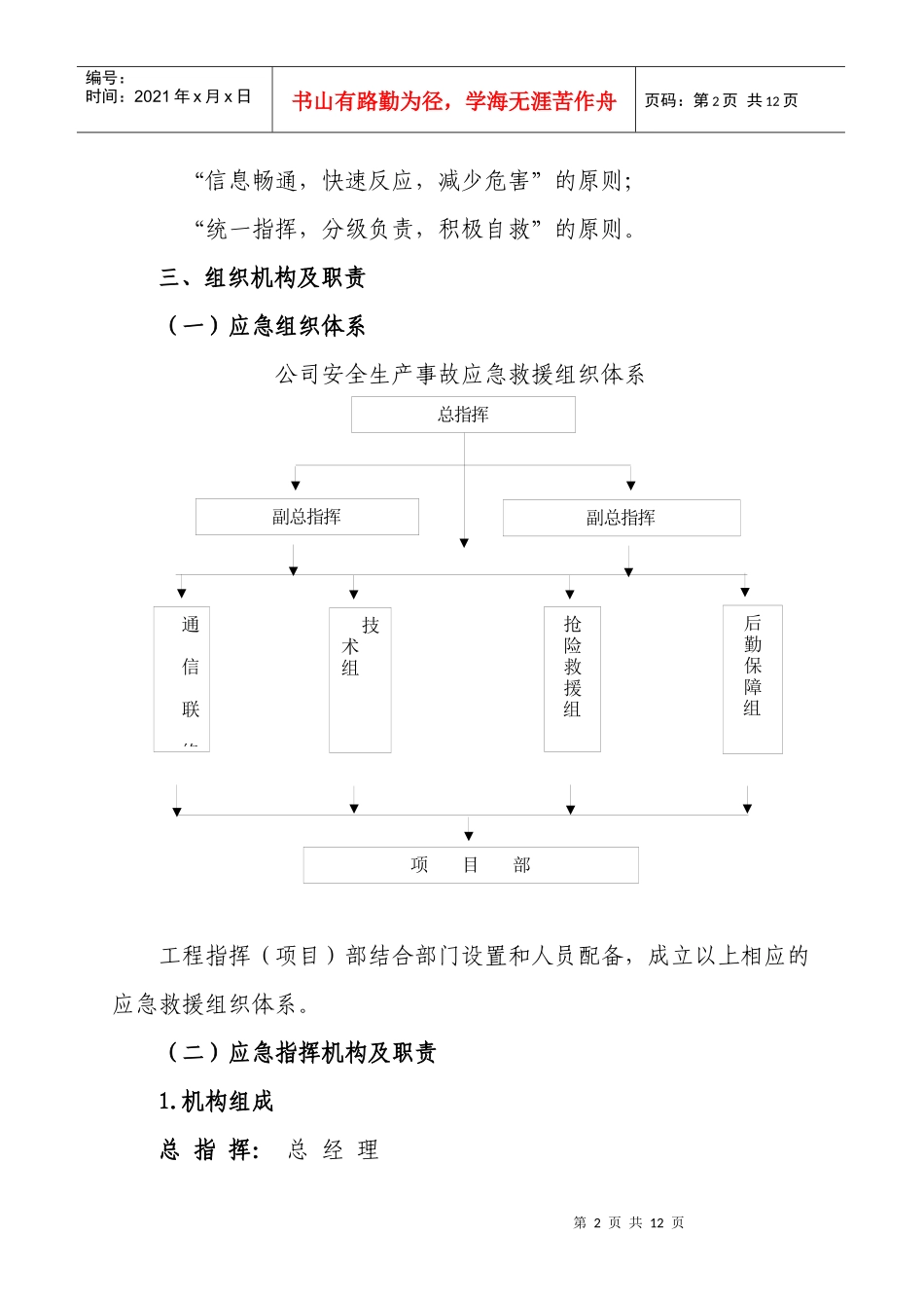
第1页共12页编号:时间:2021年x月x日书山有路勤为径,学海无涯苦作舟页码:第1页共12页2.桥梁(高墩、大跨、深水、架梁)工程安全生产事故专项应急预案一、事故类型和危害程度分析(一)事故类型在桥梁(高墩、大跨、深水基础、架梁等)工程施工中可能出现的事故类型主要有:坍塌、高处坠落、物体打击、机械伤害、溺水。(二)危害程度分析上述灾害均可造成施工现场人员伤亡、设备损坏、堵塞交通,以及危及在建工程或既有工程。二、应急处置基本原则“以人为本,科学规范,预防为主”的原则;第2页共12页第1页共12页编号:时间:2021年x月x日书山有路勤为径,学海无涯苦作舟页码:第2页共12页“信息畅通,快速反应,减少危害”的原则;“统一指挥,分级负责,积极自救”的原则。三、组织机构及职责(一)应急组织体系公司安全生产事故应急救援组织体系工程指挥(项目)部结合部门设置和人员配备,成立以上相应的应急救援组织体系。(二)应急指挥机构及职责1.机构组成总指挥:总经理总指挥副总指挥副总指挥技术组抢险救援组后勤保障组通信联络项目部第3页共12页第2页共12页编号:时间:2021年x月x日书山有路勤为径,学海无涯苦作舟页码:第3页共12页副总指挥:副总经理、总工程师为使现场有序,行动有效,下设四个小组。通信联络组组长:副总经理成员单位:行政办公室、党委宣传部门、安全质量管理部门、施工技术部门(调度)技术组组长:总工程师成员单位:施工技术部门、物资设备部门抢险救援组组长:副总经理成员单位:施工技术部门、安全质量管理部门、物资设备部门后勤保障组组长:副总经理成员单位:劳动人事、物资设备、财务部门、办公室、工会、保卫部门工程指挥(项目)部结合部门设置和人员配备,成立以上相应的应急工作组。项目部相应人员为各工作组成员。2.工作职责(1)总指挥:启动和解除应急预案,指挥应急救援,配合上级和政府部门。(2)副总指挥:协助总指挥负责应急救援的具体指挥工作,协调小组各成员的具体行动,并实施决策。(3)通信联络组①负责收集、分析和传递现场信息,确保与总指挥或副总指挥、公司以及外部联系畅通;②负责组织对事发现场的拍照、摄像工作;③负责对外界的信息发布和报道;事故扩大应急后,负责向周第4页共12页第3页共12页编号:时间:2021年x月x日书山有路勤为径,学海无涯苦作舟页码:第4页共12页边居民、社区的对外信息公告。(4)技术组①提出抢险抢修及避免事故扩大的临时应急方案和措施;②指导应急方案和措施的实施及完善;③绘制事故现场平面图,标明重点部位,向外部救援机构提供准确的抢险救援技术资料;④负责应急过程的记录、应急结果的评估及复工方案。(5)抢险救援组①实施抢险救援应急方案和措施;②寻找受害者并转移至安全地带;③负责抢险救援现场的安全防护,防止次生事故的发生;④抢险救援结束后,报告总指挥、副总指挥,并对结果进行复查和评估。(6)后勤保障组①提供必须的抢险救援物资及设备;②保证现场救援人员必须的防护、救护用品及生活物质的供给;③在事故现场周围建立警戒区域实施交通管制,维护现场治安秩序;④负责与外部医疗、公安、救援等机构的联系协调,在专业医护未到达前,对受害者进行必要的抢救护理(如人工呼吸、包扎止血、防止受伤部位受污染等);⑤负责伤亡人员的善后处理工作。四、预防与预警(一)危险源监控在桥梁工程施工中,遇有严重危机人身和行车安全的项目,开工第5页共12页第4页共12页编号:时间:2021年x月x日书山有路勤为径,学海无涯苦作舟页码:第5页共12页前及施工中,公司、项目部要及时、定期组织相关部门现场查看,编制确认该项目存在或可能存在的危险源、安全隐患。项目部要对施工的项目、工作岗位、工作环境、可能存在的危险源、安全隐患以及采用的安全、技术措施进行书面交底,履行交底签字制度。对施工的机械、机具和防护用品进行使用前的良好确认。严格执行班前安全讲话制度。现场各级专(兼)职安全人员要认真履行职责,监督检查。1.坍塌安全预防措施桥基础开挖过程中,严格按照设计文件及技术交底进行施工,严格基坑边坡控制,随时注意地质变化。当遇到地下...

1、当您付费下载文档后,您只拥有了使用权限,并不意味着购买了版权,文档只能用于自身使用,不得用于其他商业用途(如 [转卖]进行直接盈利或[编辑后售卖]进行间接盈利)。
2、本站所有内容均由合作方或网友上传,本站不对文档的完整性、权威性及其观点立场正确性做任何保证或承诺!文档内容仅供研究参考,付费前请自行鉴别。
3、如文档内容存在违规,或者侵犯商业秘密、侵犯著作权等,请点击“违规举报”。

碎片内容

桥梁工程安全生产事故专项应急预案

教育精品店+ 关注
实名认证
内容提供者

优良的服务

确认删除?
VIP
微信客服
  • 扫码咨询
会员Q群
  • 会员专属群点击这里加入QQ群
客服邮箱
回到顶部