电脑桌面
添加小米粒文库到电脑桌面
安装后可以在桌面快捷访问

江苏省电力公司物资集中规模招标目录VIP专享VIP免费

江苏省电力公司物资集中规模招标目录_第1页
1/5
江苏省电力公司物资集中规模招标目录_第2页
2/5
江苏省电力公司物资集中规模招标目录_第3页
3/5
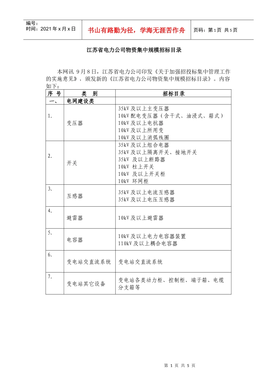
第1页共5页编号:时间:2021年x月x日书山有路勤为径,学海无涯苦作舟页码:第1页共5页江苏省电力公司物资集中规模招标目录本网讯9月8日,江苏省电力公司印发《关于加强招投标集中管理工作的实施意见》,颁发新的《江苏省电力公司物资集中规模招标目录》。内容如下:序号类别招标目录一、电网建设类1.变压器35kV及以上主变压器10kV配电变压器(含干式、油浸式、箱式)10kV及以上电抗器10kV及以上所用变10kV及以上消弧线圈2.开关35kV及以上组合电器35kV及以上隔离开关、接地开关35kV及以上断路器10kV柱上开关10kV及以上开关柜10kV环网柜3.互感器35kV及以上电流互感器35kV及以上电压互感器4.避雷器10kV及以上避雷器5.电容器10kV及以上电力电容器装置110kV及以上耦合电容器6.变电站交直流系统变电站交直流系统7.变电站其它设备变电站各类动力柜、控制柜、端子箱、电缆分支箱等第2页共5页第1页共5页编号:时间:2021年x月x日书山有路勤为径,学海无涯苦作舟页码:第2页共5页序号类别招标目录8.装置性材料变电构支架塔材(钢管塔、角钢塔、杆塔)导地线(含架空绝缘导线)绝缘子穿墙套管金具交联电缆及附件控制电缆变电所母线及引线9.继电保护变压器保护10kV及以上线路保护、电抗器保护、电容器保护110kV及以上母线保护保护管理机、故障录波器10.安全自动装置10kV及以上备用电源自投装置及校验设备、自切装置10kV及以上稳定控制(切机、切负荷)系统及校验设备10kV及以上振荡解列、低周低压解列装置及校验设备10kV及以上低频、低压减负荷装置、继电器及校验设备10kV及以上变电站谐波监测装置厂站功角测量装置整定计算程序11.自动化35kV及以上变电站计算机监控(测)系统、防误装置变电站集控中心监控系统电能量自动计量主站系统及终端设备变电站电力远程视频监控系统配网自动化系统及其终端设备(FTU/TTU等)12.电力通信110kV及以上OPGW光缆ADSS光缆、普通光缆第3页共5页第2页共5页编号:时间:2021年x月x日书山有路勤为径,学海无涯苦作舟页码:第3页共5页序号类别招标目录省、市、县主干网光传输设备光传输接入设备、综合接入设备、通信电源微波传输设备同步时钟设备省、市、县主干网通信电源通信配线设备通信集中监控系统二调度通信类1.调度自动化系统及其UPS电源2.电力市场运营系统3.调度管理信息系统4.调度大屏幕显示系统模拟图板5.电力调度数据网络设备6.二次系统安全防护设备7.会议电视设备8.程控交换机(含行政交换机、调度交换机)三营销计量类1.小型机、存储服务器、PC机、传真机、复印机、触摸屏等营销用计算机办公设备2.集中抄表系统、抄表机第4页共5页第3页共5页编号:时间:2021年x月x日书山有路勤为径,学海无涯苦作舟页码:第4页共5页序号类别招标目录3.营销用视频监控设备4.客户服务系统及设备5.负荷管理系统主站及终端设备6.营销软件开发项目7.营销技术支持服务项目8.贸易结算用电能表9.计量用互感器10.电能计量检定标准装置11.电能计量现场检验设备12.电能计量表箱、配送设备四科技信息类1.信息网络核心设备和接入交换设备2.网络系统建设项目设备3.小型机服务器系统、PC服务器系统4.数据存储设备、网络辅助设备、信息安全设备、计算机设备和外设5.信息机房机柜、精密空调、KVM、UPS等相关设备第5页共5页第4页共5页编号:时间:2021年x月x日书山有路勤为径,学海无涯苦作舟页码:第5页共5页序号类别招标目录6.系统软件、工具软件、统一平台的软件五办公类办公家具、办公用品六劳保服装员工职业服装七其它生产检修车辆、电能计量车辆、特种车辆等主要仪器设备、安全工器具宣传用品、企业文化导入相关设备及用品、医疗设备和教培用品有关要求说明如下:1、上表中所指物资为省公司出资项目需采购的物资,不含由国网、华东公司负责招标的物资。2、未列入以上目录但单项合同估算价在20万元及以上的物资,须报省公司集中招标,单项合同估算价在20万元以下的按照比质比价方式规范采购。

1、当您付费下载文档后,您只拥有了使用权限,并不意味着购买了版权,文档只能用于自身使用,不得用于其他商业用途(如 [转卖]进行直接盈利或[编辑后售卖]进行间接盈利)。
2、本站所有内容均由合作方或网友上传,本站不对文档的完整性、权威性及其观点立场正确性做任何保证或承诺!文档内容仅供研究参考,付费前请自行鉴别。
3、如文档内容存在违规,或者侵犯商业秘密、侵犯著作权等,请点击“违规举报”。

碎片内容

江苏省电力公司物资集中规模招标目录

确认删除?
VIP
微信客服
  • 扫码咨询
会员Q群
  • 会员专属群点击这里加入QQ群
客服邮箱
回到顶部