电脑桌面
添加小米粒文库到电脑桌面
安装后可以在桌面快捷访问

汽车测速及倒车实训VIP免费

汽车测速及倒车实训_第1页
1/16
汽车测速及倒车实训_第2页
2/16
汽车测速及倒车实训_第3页
3/16
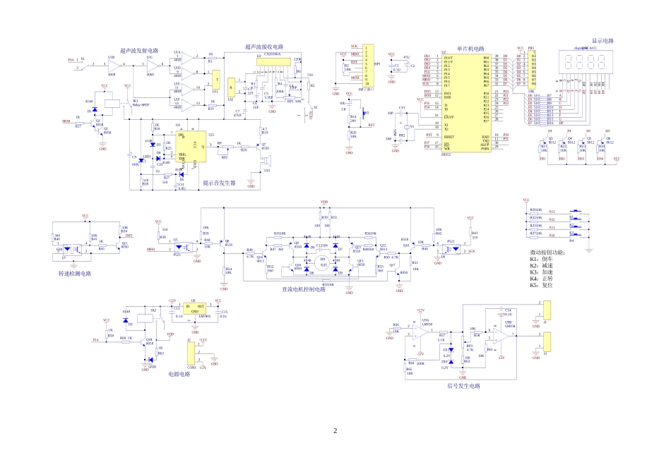
第一章《汽车测速及倒车提示》电路1VCCK1K2K3K4VCCVCCVCCGNDP1448231U9ALM35856748U9BLM358R5610KR6510KR64100KR575.1KR6110KR5810KRP34.7KC140.1UD116.2VD106.2VGNDGND+12V-12V+12V-12V12J312J1GNDGND12Y112MCY130PCY230P12345678910ISP1SCKMISOMOSIRSTEA/VP31X119X218RESET9RD17WR16INT012INT113T014T115P10/T1P11/T2P123P134P145P156P167P178P0039P0138P0237P0336P0435P0534P0633P0732P2021P2122P2223P2324P2425P2526P2627P2728PSEN29ALE/P30TXD11RXD10U289S52RSTSCKMISOMOSIP14P20P21P22P23P30P31P34P35P36P37C10.1UC247U123456789PR110KCR1R2R3R4R5R6R7R8ISP下载口VCCVCCVCCVCCGNDGNDABCDEFGDPA1HF2H3HB4HEDDPCGDS1display-4CA/CCABCDEFGDPGNDQ39012Q49012Q59012Q690121H2H3H4H1H2H3H4HR2110KR2210KR2310KR2410K1312U1F406912U1A406934U1B406998U1D406956U1C40691110U1E406912LS1T12LS2R12345678U3CX20106AC4330PC3223C61UFC53.3UFC747UFGNDC810UGNDK5R2010KVCCRSTQ188050VCCIN12OUT3GNDU8LM7805C130.1UC150.1UGND123J2CON3+12V-12V+12VVCC1243U6P5211243U5P521GNDD0D1D2D3D4D5D6D7D0D1D2D3D4D5D6D7R7510R8510R9510R10510R12510R13510R15510R16510DS1DS2DS3DS4D0D1D2D3D4D5D6D7DS1DS2DS3DS4INT0INT1P34INT0P20P21P22P23R14200TRIG2Q3R4CVolt5THR6DIS7VCC8GND1U4555R252KR182KR261KR194.7R27510R28510Q78550LED1LED2D54148D44148D34148C101UC116.8UC9100URP2RP微动按钮功能:K1:倒车K2:减速K3:加速K4:正转K5:复位R11KR111KR5510VDDVDDGND电源电路直流电机控制电路转速检测电路提示音发生器超声波接收电路超声波发射电路单片机电路显示电路Q18050Q28050R171KD14148VCC231S1231S2GNDVCC1243U7GD1R40300R4110KINT1JK2JK1Relay-SPDTD24148Q149013Q129013Q158050Q168050D64148D74148D84148D94148C12104R494.7KR504.7KR3610KR48360R53360R52360R47360R3510KQ98550Q138550Q178050R5510KGNDR5410KR4410KGNDR30100R31100GNDR3910KQ88550GNDQ108550R4610KR43510R4210KVCCR5110KQ118050R451KR3410KDJ1电机R210KGNDR34.7R4200KR6220KR38510R2910KR3210KR3310KR3710KR591KR601KR621KR63100LS3RP150KMOSIMISOSCK信号发生电路2第3页共16页编号:时间:2021年x月x日书山有路勤为径,学海无涯苦作舟页码:第3页共16页第二章《汽车测速及倒车提示》介绍及电路原理2.1微动按钮功能K5,复位键:按一下,电路复位,电路处于待机状态。K4,正转键:按一下,电机DJ1正转,汽车前进。K3,加速键:正转时,按一下。电机DJ1加速。K2,减速键:正转时,按一下,电机DJ1减速。Kl,倒转键:按一下,电机DJ1反转,汽车后退。2.2产品功能介绍1.电路正确连接后,接通电源,按一下微动按钮K5,数码显示管DS1显示0000。2.按一下微动按钮K4,电机DJ1转动并带动转盘(遮断器)转动,数码显示管DS1显示数字,再按一下K4,电机DJl停转,电路复位。3.在按一下微动按钮K4,按一下微动按钮K3,电机DJ1转动加快并带动转盘(遮断器)转动,数码显示管DS1显示数字,此时显示的数字增大。可按微动按钮K3三次(三档),第四次按动K3时,电机DJ1停转,电路复位。4.在按一下微动按钮K4后,按一下微动按钮K2,电机DJ1转速减慢并带动转盘(遮断器)转动减慢,数码显示管DS1示数字减少。再按一下微动按钮K2,电机DJ1停转,电路复位。5.按一下微动按钮Kl,电机DJ1倒转并带动转盘(遮断器)转动,此时为汽车倒车。用障碍物放在离开超声接收器LS1和超声发生器LS2一定距离的位置上,数码显示管DS1显示数字,此时显示的数字为障碍物与LS1和LS2的距离(相当于汽车与障碍物的距离,单位为厘米),如果障碍物距离变动,数码显示管DS1,显示数字也随之变化。当距离等于20厘米时,电机DJ1,自动停转。或在大于20厘米时再按一下微动按钮K1,电机DJ1停转,电路复位。2.3电路原理该产品是由下面几部分电路组成:超声波发射电路、超声波接收电路、提示音发生器、直流电机控制电路、转速检测电路、单片机电路、显示电路和电源电路。1.超声波发射电路发射电路主要由U1(74LS04/CD4069)和超声波发生换能器组成,单片机端口P3.4输第4页共16页第3页共16...

1、当您付费下载文档后,您只拥有了使用权限,并不意味着购买了版权,文档只能用于自身使用,不得用于其他商业用途(如 [转卖]进行直接盈利或[编辑后售卖]进行间接盈利)。
2、本站所有内容均由合作方或网友上传,本站不对文档的完整性、权威性及其观点立场正确性做任何保证或承诺!文档内容仅供研究参考,付费前请自行鉴别。
3、如文档内容存在违规,或者侵犯商业秘密、侵犯著作权等,请点击“违规举报”。

碎片内容

汽车测速及倒车实训

中小学文库+ 关注
实名认证
内容提供者

精品资料应用尽有

确认删除?
VIP
微信客服
  • 扫码咨询
会员Q群
  • 会员专属群点击这里加入QQ群
客服邮箱
回到顶部