电脑桌面
添加小米粒文库到电脑桌面
安装后可以在桌面快捷访问

汽车构造教案DOC38(1VIP免费

汽车构造教案DOC38(1_第1页
1/38
汽车构造教案DOC38(1_第2页
2/38
汽车构造教案DOC38(1_第3页
3/38
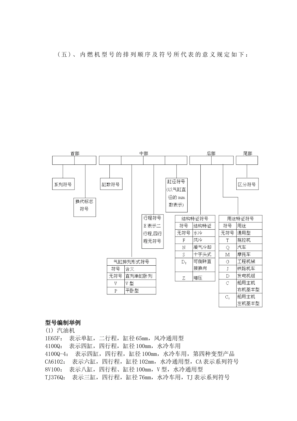
汽车构造教案本书教学目的和任务近几年来,我国的汽车、交通运输迅速发展,汽车在国民经济的各个领域和社会生活发挥着越来越重要的作用。汽车维修业也随之繁荣,这方面的人才需求很大。为培养具有专业知识和技能的新一代汽车维修和汽车驾驶人员。总论一、教学的目的和要求1、了解汽车的发展2、掌握汽车的基础知识和主要参数二、重点和难点现代汽车类型汽车的总体构造汽车的主要技术参数汽车的行驶原理三、课时安排:2个学时四、教学内容§1现代汽车类型轿车客车货车牵引车和汽车列车特种车工矿自卸车农用汽车越野汽车(一)、轿车的分类-1、按排量分类类型发动机排量(L)车型微型≤1.0夏利、奥拓普通型>1.0~≤1.6富康、捷达中级>1.6~≤2.5桑塔纳、奥迪100中高级>2.5~≤4.0皇冠、奔驰300高级>4.0CA770、卡迪拉克、林肯、奔驰500系列轿车的分类-2.按发动机布置形式发动机前置、前驱,发动机前置、后驱,发动机后置、后驱(二)、客车的分类-按长度分类类型车辆长度(m)微型<3.5轻型3.5~7中型7~10大型10~12超大型>12(铰接式)10~12(双层)客车的分类-按车身型式分类长(短)头客车箱形客车流线型客车铰接式客车双层客车(四)、货车的分类-按驾驶室总成结构型式分类栏板式罐式自卸式平台式箱式篷式按汽车质量分类:类型总质量(t)微型<1.8轻型1.8~6中型>1.6~≤2.5重型>14(五)、内燃机型号的排列顺序及符号所代表的意义规定如下:型号编制举例(1)汽油机1E65F:表示单缸,二行程,缸径65mm,风冷通用型4100Q:表示四缸,四行程,缸径100mm,水冷车用4100Q-4:表示四缸,四行程,缸径100mm,水冷车用,第四种变型产品CA6102:表示六缸,四行程,缸径102mm,水冷通用型,CA表示系列符号8V100:表示八缸,四行程、缸径100mm,V型,水冷通用型TJ376Q:表示三缸,四行程,缸径76mm,水冷车用,TJ表示系列符号CA488:表示四缸,四行程,缸径88mm,水冷通用型,CA表示系列符号(2)柴油机195:表示单缸,四行程,缸径95mm,水冷通用型165F:表示单缸,四行程,缸径65mm,风冷通用型495Q:表示四缸,四行程,缸径95mm,水冷车用6135Q:表示六缸,四行程,缸径135mm,水冷车用X4105:表示四缸,四行程,缸径105mm,水冷通用型,X表示系列代号§2汽车的总体构造1)发动机2)底盘3)车身4)电气设备§3汽车的主要技术参数1.整车整备质量:汽车完全装备好的质量,完整的发动机、底盘、车身、全部电器设备和车辆正常行驶所需要地辅助设备质量。2.最大总质量:汽车满载时的总质量。3.最大装载质量:最大总质量和整车整备质量之差。4.最大轴载质量:汽车单轴所承载的最大总质量。5.车长:垂直与车辆纵向对称平面并分别抵靠在汽车前、后最外短突出部位的两垂面间的距离。6.车宽:平行与车辆纵向对称平面并分别抵靠车辆两侧固定突出部位的两平面之间的距离。7.车高:车辆支撑面与车辆最高突出部位抵靠的水平面之间的距离8.轴距:汽车直线行驶位置时,同侧相邻两轴的车轮落地中心点到车辆纵向对称平面的两条垂线间的距离。9.轮距:在支撑面上,同轴左右车轮两轨迹中心间的距离。10.前悬:在直线行驶时,汽车前端刚性固件的最前点到通过两前轮轴线的垂面间的距离。11.后悬:汽车后段刚性固定件的最后点到通过最后车轮轴线的垂面件的距离。12.最小离地间隙:满载时,车辆支承平面与车辆最低点之间的距离。13.接近角:汽车前端突出点向前轮引的切线与地面的夹角。14.离去角:汽车后端突出点向后轮引的切线与地面的夹角。15.转弯直径:外转向轮的中心平面在车辆支承平面上的轨迹圆直径。§4汽车的行驶原理汽车行驶所受阻力:滚动阻力Ff、空气阻力Fw、上坡阻力Fi、加速阻力Fj行驶时总阻力与驱动力(Ft)的关系:加速:Ft>ΣF匀速:Ft=ΣF减速:Ft<ΣF驱动力与附着力(Fψ):Fψ=Gψψ=附着系数驱动力与附着力的关系Ft≤Fψ=Gψ汽车正常行驶Ft>Fψ=Gψ汽车车轮打滑作业:课后习题第3章发动机工作原理和总体构造二、教学的目的和要求1、了解汽车发动机一般构造及术语2、了解发动机的组成、类型及型号3、掌握发发动机的工作原理二、重点和难点1、基本概念2、发动机总体构造三、...

1、当您付费下载文档后,您只拥有了使用权限,并不意味着购买了版权,文档只能用于自身使用,不得用于其他商业用途(如 [转卖]进行直接盈利或[编辑后售卖]进行间接盈利)。
2、本站所有内容均由合作方或网友上传,本站不对文档的完整性、权威性及其观点立场正确性做任何保证或承诺!文档内容仅供研究参考,付费前请自行鉴别。
3、如文档内容存在违规,或者侵犯商业秘密、侵犯著作权等,请点击“违规举报”。

碎片内容

汽车构造教案DOC38(1

您可能关注的文档

确认删除?
VIP
微信客服
  • 扫码咨询
会员Q群
  • 会员专属群点击这里加入QQ群
客服邮箱
回到顶部