电脑桌面
添加小米粒文库到电脑桌面
安装后可以在桌面快捷访问

汽车二级管理知识分析维护VIP免费

汽车二级管理知识分析维护_第1页
1/11
汽车二级管理知识分析维护_第2页
2/11
汽车二级管理知识分析维护_第3页
3/11
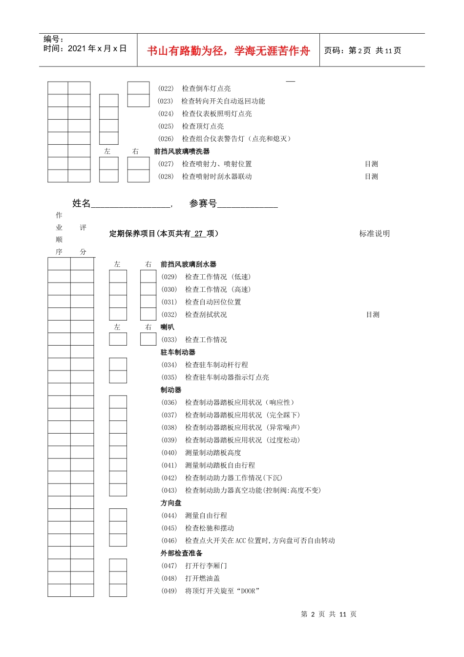
第1页共11页编号:时间:2021年x月x日书山有路勤为径,学海无涯苦作舟页码:第1页共11页汽车二级维护:除一级维护作业外。以检查、调整转向节、转向摇臂、制动蹄片、悬架等经过一定时间的使用容易磨损或变形的安全部件为主,并拆检轮胎,进行轮胎换位,检查调整发动机工作状况和排气污染控制装置等,由维修企业负责执行的车辆维护作业。汽车二级维护项目作业表姓名____________,参赛号___________作业顺序评分定期保养项目(本页共有28项)标准说明预检工作驾驶员座椅(001)安装座椅套(002)安装地板垫(003)安装方向盘套(004)拉起发动机舱盖释放杆车辆前部(005)打开发动机舱盖(006)安装翼子板布(007)安装前格栅布(008)安装车轮挡块可以用举升机顶起部分车辆重量发动机舱(009)检查发动机冷却液液位(010)检查发动机机油液面(011)检查制动液液位(012)检查喷洗器液面驾驶员座椅左右车灯(013)检查示宽灯点亮(014)检查牌照灯点亮(015)检查尾灯点亮(016)检查大灯(近光)点亮(017)检查大灯(远光)和指示灯点亮(018)检查大灯闪光开关和指示灯点亮(019)检查转向信号灯和指示灯点亮(020)检查危险警告灯和指示灯点亮(021)检查制动灯点亮(尾灯点亮时)第2页共11页第1页共11页编号:时间:2021年x月x日书山有路勤为径,学海无涯苦作舟页码:第2页共11页(022)检查倒车灯点亮(023)检查转向开关自动返回功能(024)检查仪表板照明灯点亮(025)检查顶灯点亮(026)检查组合仪表警告灯(点亮和熄灭)左右前挡风玻璃喷洗器(027)检查喷射力、喷射位置目测(028)检查喷射时刮水器联动目测姓名_________________,参赛号_____________作业顺序评分定期保养项目(本页共有27项)标准说明左右前挡风玻璃刮水器(029)检查工作情况(低速)(030)检查工作情况(高速)(031)检查自动回位位置(032)检查刮拭状况目测左右喇叭(033)检查工作情况驻车制动器(034)检查驻车制动杆行程(035)检查驻车制动器指示灯点亮制动器(036)检查制动器踏板应用状况(响应性)(037)检查制动器踏板应用状况(完全踩下)(038)检查制动器踏板应用状况(异常噪声)(039)检查制动器踏板应用状况(过度松动)(040)测量制动踏板高度(041)测量制动踏板自由行程(042)检查制动助力器工作情况(下沉)(043)检查制动助力器真空功能(控制阀:高度不变)方向盘(044)测量自由行程(045)检查松驰和摆动(046)检查点火开关在ACC位置时,方向盘可否自由转动外部检查准备(047)打开行李厢门(048)打开燃油盖(049)将顶灯开关旋至“DOOR”第3页共11页第2页共11页编号:时间:2021年x月x日书山有路勤为径,学海无涯苦作舟页码:第3页共11页(050)将换挡杆置于空挡(051)释放驻车制动杆左前车门门控灯开关(052)检查工作情况(顶灯和指示器灯工作情况)车身螺母和螺栓(053)检查座椅安全带的螺栓和螺母是否松动(054)检查座椅的螺栓和螺母是否松动(055)检查车门的螺栓和螺母是否松动姓名_________________,参赛号_____________作业顺序评分定期保养项目(本页共有18项)标准说明左后车门门控灯开关(056)检查工作情况(顶灯和指示灯工作情况)螺母和螺栓(058)检查座椅的螺栓和螺母是否松动(059)检查车门的螺栓和螺母是否松动油箱盖油箱盖(060)检查是否变形和损坏(061)检查连接状况后部左右车灯(062)检查安装状况(063)检查是否损坏和有污垢备用轮胎(064)检查是否有裂纹和损坏(065)检查是否嵌入金属颗粒或其他异物(066)测量胎面沟槽深度(测量规)(067)检查是否有异常磨损(068)检查气压(069)检查是否漏气(070)检查钢圈是否损坏或腐蚀第4页共11页第3页共11页编号:时间:2021年x月x日书山有路勤为径,学海无涯苦作舟页码:第4页共11页螺母和螺栓(071)检查行李厢门的螺栓和螺母是否松动左右后悬架(072)检查减振器的阻尼状态(073)检查车辆倾斜度维护项目作业表[顶起位置1(4/4)]姓名_________________,参赛号_____________裁判签字____________作业顺序评分定期保养项目(本页共有14项)标准说明右后车门门控灯开关(074)检查工作情况(顶灯和指示灯工作情况)螺母和螺栓(075)检查座椅安全带的螺栓和螺母是否松动(076)检查座椅的螺栓和螺母是否松动(077)检查车门的螺栓和螺母是否松动右前车门门控灯开关(078)检查...

1、当您付费下载文档后,您只拥有了使用权限,并不意味着购买了版权,文档只能用于自身使用,不得用于其他商业用途(如 [转卖]进行直接盈利或[编辑后售卖]进行间接盈利)。
2、本站所有内容均由合作方或网友上传,本站不对文档的完整性、权威性及其观点立场正确性做任何保证或承诺!文档内容仅供研究参考,付费前请自行鉴别。
3、如文档内容存在违规,或者侵犯商业秘密、侵犯著作权等,请点击“违规举报”。

碎片内容

汽车二级管理知识分析维护

您可能关注的文档

确认删除?
VIP
微信客服
  • 扫码咨询
会员Q群
  • 会员专属群点击这里加入QQ群
客服邮箱
回到顶部