电脑桌面
添加小米粒文库到电脑桌面
安装后可以在桌面快捷访问

浅析硫磺砂浆在大型桥梁工程临时支座中的配制与应用VIP专享VIP免费

浅析硫磺砂浆在大型桥梁工程临时支座中的配制与应用_第1页
1/8
浅析硫磺砂浆在大型桥梁工程临时支座中的配制与应用_第2页
2/8
浅析硫磺砂浆在大型桥梁工程临时支座中的配制与应用_第3页
3/8
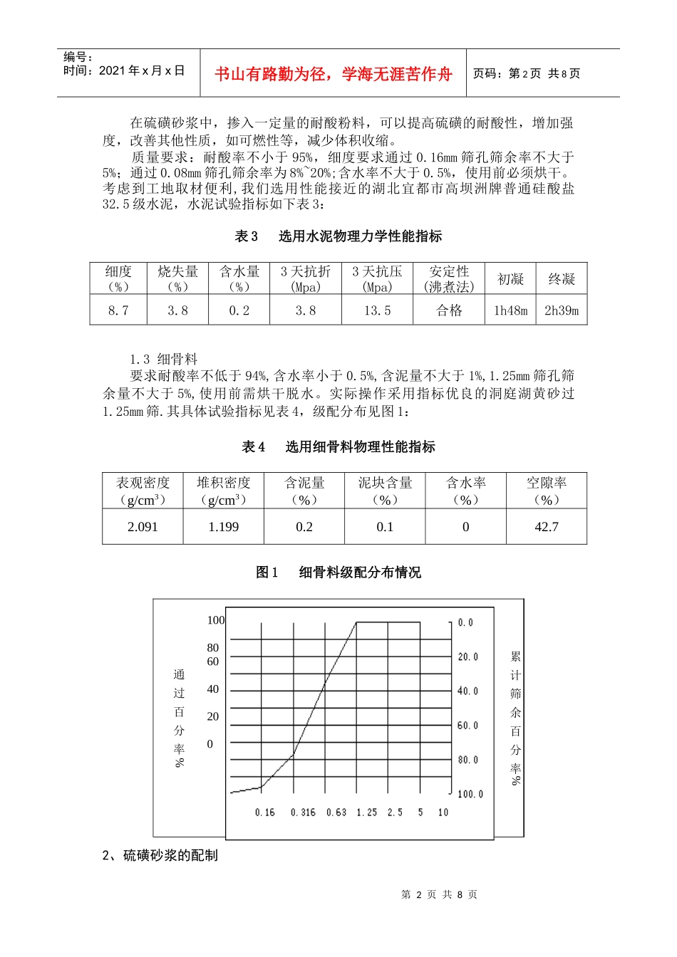
第1页共8页编号:时间:2021年x月x日书山有路勤为径,学海无涯苦作舟页码:第1页共8页硫磺砂浆的配制及在大型桥梁结构体系转换中的应用中国水电七局沪蓉西宜长高速公路项目部王振起甘露摘要:通过工程实例,叙述了硫磺砂浆的性能、配制及其在大型桥梁结构体系转换中应用。关键词:硫磺砂浆、配制、临时支座、体系转换、应用硫磺砂浆是指将硫磺加热到一定温度形成液态并充分脱水后加入适当比例的预热干燥耐酸粉料和粒径1.25mm以下的细骨料,形成的一种新型热塑性材料。它具有硬化快、高早强、处理方便、可回收、经济安全等优异性,在土木工程领域尤其在大型桥梁中,有着广泛的应用前景。1、硫磺砂浆的组份1.1硫磺硫磺是硫磺砂浆的胶粘剂,通常选用的硫磺为工业粉状硫磺或块状硫,要求纯度高、杂质少、水份少、含量应不少于98%、水分小于1%。硫磺为热施工材料,对温度要求严格。在常温下,硫磺为淡黄色固体,在不同的温度下,将形成不同的同素异形体和三态。固态的斜方硫加温至95.5。C形成固态单斜硫,加温至119.25。C,形成液态黄色硫,加温至160,。C形成褐色液态硫,加温至444.6。C,形成气态硫,加温至1000。C,形成气态硫蒸气。硫磺的熔化脱水温度为130~150℃;与粉料、细砂的混合温度为140~160℃;温度低时因粘度大不能混匀,温度高达170℃以上时,熔融的硫磺,其粘度变化较为复杂。粘度与其温度的变化情况见表1:当温度为115。C时,粘度为0.0125Pa.s;160度时为0.0066Pa.s;165。C时其粘度增加1000倍以上;198.8。C时,其粘度高达90Pa.s,增加10000倍以上。因此硫磺在施工过程中温度应介于115~160。C之间,易于操作施工。硫的工程特性见表2表1硫磺温度与粘度变化情况温度/c115160165198.8粘度/Pa.s0.01250.00666.790表2硫的工程特性性质数值弹性模量13.9x103MPa显微硬度716MPa抗弯强度6~8MPa抗压强度25~30MPa热膨胀系数55x10-6/。C导热系数0.27W/(m。C)容重1.995g/cm31.2水泥(充当耐酸粉料)第2页共8页第1页共8页编号:时间:2021年x月x日书山有路勤为径,学海无涯苦作舟页码:第2页共8页在硫磺砂浆中,掺入一定量的耐酸粉料,可以提高硫磺的耐酸性,增加强度,改善其他性质,如可燃性等,减少体积收缩。质量要求:耐酸率不小于95%,细度要求通过0.16mm筛孔筛余率不大于5%;通过0.08mm筛孔筛余率为8%~20%;含水率不大于0.5%,使用前必须烘干。考虑到工地取材便利,我们选用性能接近的湖北宜都市高坝洲牌普通硅酸盐32.5级水泥,水泥试验指标如下表3:表3选用水泥物理力学性能指标1.3细骨料要求耐酸率不低于94%,含水率小于0.5%,含泥量不大于1%,1.25mm筛孔筛余量不大于5%,使用前需烘干脱水。实际操作采用指标优良的洞庭湖黄砂过1.25mm筛.其具体试验指标见表4,级配分布见图1:表4选用细骨料物理性能指标表观密度(g/cm3)堆积密度(g/cm3)含泥量(%)泥块含量(%)含水率(%)空隙率(%)2.0911.1990.20.1042.7图1细骨料级配分布情况2、硫磺砂浆的配制细度(%)烧失量(%)含水量(%)3天抗折(Mpa)3天抗压(Mpa)安定性(沸煮法)初凝终凝8.73.80.23.813.5合格1h48m2h39m通过百分率%100580456045404520450累计筛余百分率%加5%~10%硫磺继续第3页共8页第2页共8页编号:时间:2021年x月x日书山有路勤为径,学海无涯苦作舟页码:第3页共8页2.1配合比设计硫磺的硬化是冷却时的固化过程,其强度随温度的不同而变化,在20~40。C时其强度最大,和普通砂浆的水化硬化有本质的区别。考虑到桥梁结构体系转换中使用临时支座的强度要求与可熔性的有机结合,我们设计了四种不同的硫磺砂浆配合比,见表5表54种不同的硫磺砂浆配合比配合比编号硫磺(kg)细砂(kg)水泥(kg)1#6027132#4838143#4040204#3541242.2硫磺砂浆的熬制方法①先将硫磺打成2~5cm的小块,按比例称好分批放入锅中,加热130~150℃熔化,边熔边放边搅,注意防止局部过热,以达到充分脱水的目的。②硫磺脱水后,分批将已搅拌均匀的130℃烘干细骨料、水泥放入锅中不断搅拌、脱水,混合均匀;注意要严格控制熬制温度,一般为140~170℃,最高不超过180℃,约熬制3~4小时。③待硫磺砂浆熬制均匀、颜色一致、汽泡完全消失时,先取样检查,以确定其熬制...

1、当您付费下载文档后,您只拥有了使用权限,并不意味着购买了版权,文档只能用于自身使用,不得用于其他商业用途(如 [转卖]进行直接盈利或[编辑后售卖]进行间接盈利)。
2、本站所有内容均由合作方或网友上传,本站不对文档的完整性、权威性及其观点立场正确性做任何保证或承诺!文档内容仅供研究参考,付费前请自行鉴别。
3、如文档内容存在违规,或者侵犯商业秘密、侵犯著作权等,请点击“违规举报”。

碎片内容

浅析硫磺砂浆在大型桥梁工程临时支座中的配制与应用

确认删除?
VIP
微信客服
  • 扫码咨询
会员Q群
  • 会员专属群点击这里加入QQ群
客服邮箱
回到顶部