电脑桌面
添加小米粒文库到电脑桌面
安装后可以在桌面快捷访问

流体力学实验(环境工程)VIP免费

流体力学实验(环境工程)_第1页
1/7
流体力学实验(环境工程)_第2页
2/7
流体力学实验(环境工程)_第3页
3/7
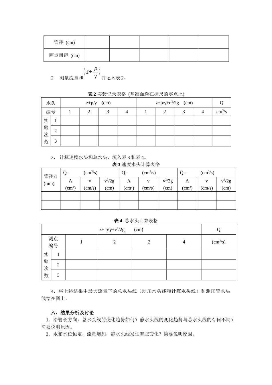
实验一伯努利方程实验一、目的和要求1.验证不可压缩流体的定常流动的总流Bernoulli方程(能量方程),加深对流动过程中能量损失的了解;2.掌握流速、流量、压强等流动参量的实验测量技能3.用实例流量计算流速水头去核对测压板上两线的正确性;。二、实验原理在实验管路中沿管内水流方向取n个过水断面。运用不可压缩流体的定常流动的总流Bernoulli方程,可以列出进口附近断面(1)至另一缓变流断面(i)的Bernoulli方程:z1+p1γ+α1v122g=zi+piγ+αivi22g+hw1−i其中i=2,3,4,……,n;取α1=α2=⋯⋯=αn=1。选好基准面,从断面处已设置的静压测管中读出测管水头z+pγ的值;通过测量管路的流量,计算出各断面的平均流速v和αv22g的值,最后即可得到各断面的总水头z+pγ+αv22g的值。验装置装置图实验装置如图一所示。三、实验步骤1.熟悉实验设备,了解测压管的布置情况;2.打开泵供水,待水箱溢流后,关闭伯努利管阀门,检查所有测压管的液面是否平齐。如不平,则查明故障原因(如连通管阻塞、漏气或夹气泡等),并加以排除,直至调平;3.打开伯努利管阀门,待测压管的液面完全静止后,观察测量测压管的液面高度,并记录在表2;4.调节伯努利管阀的开度,待流量稳定后,测量并记录各测压管和液面的高度,同时测记此时的管道流量;5.改变流量2次,重复上述测量。四、实验结果记录与分析1.有关常数记入表1。表1常数记录表格测点编号1223344556管径(cm)两点间距(cm)2.测量流量和(z+pγ)并记入表2。表2实验记录表格(基准面选在标尺的零点上)水头z+p/γ(cm)z+p/γ+u2/2g(cm)Q编号12341234cm3/s实验次数1233.计算速度水头和总水头,填入表3和表4。表3速度水头计算表格管径d(mm)Q=(cm3/s)Q=(cm3/s)Q=(cm3/s)A(cm3)v(cm/s)v2/2g(cm)A(cm3)v(cm/s)v2/2g(cm)A(cm3)v(cm/s)v2/2g(cm)表4总水头计算表格z+p/+v2/2g(cm)Q测点编号1234(cm3/s)实验次数1234.将上述结果中最大流量下的总水头线(动压水头线和计算水头线)和测压管水头线绘在图上。六、结果分析及讨论1.沿管长方向,总水头线的变化趋势如何?静水头线的变化趋势与总水头线的有何不同?简要说明原因。2.水箱水位恒定,流量增加,静水头线发生哪些变化?简要说明原因。实验二雷诺实验一、实验目的1、观察液体流动时的层流和紊流现象。区分两种不同流态的特征,搞清两种流态产生的条件。2、测定颜色水在管中的不同状态下的雷诺数及沿程水头损失。绘制沿程水头损失和断面平均流速的关系曲线,验证不同流态下沿程水头损失的规律是不同的。二、实验原理液体在运动时,存在着两种根本不同的流动状态。当液体流速较小时,惯性力较小,粘滞力对质点起控制作用,使各流层的液体质点互不混杂,液流呈层流运动。当液体流速逐渐增大,质点惯性力也逐渐增大,粘滞力对质点的控制逐渐减弱,当流速达到一定程度时,各流层的液体形成涡体并能脱离原流层,液流质点即互相混杂,液流呈紊流运动。通过雷诺数来判定两种流态:Re=Vd/ν流量由小到大变化时,由层流转变为紊流的雷诺数称为上临界雷诺数;流量由大到小变化时,由紊流转变为层流的雷诺数称为下临界雷诺数。三、实验步骤1、开启水泵开关向水箱充水,使水箱保持溢流。2、微微开启泄水阀及有色液体盒出水阀,使有色液体流入管中。调节泄水阀,使管中的有色液体呈一条直线,此时水流即为层流。此时用体积法测定管中过流量。3、慢慢加大泄水阀开度,观察有色液体的变化,在某一开度时,有色液体由直线变成波状形。再用体积法测定管中过流量。4、继续逐渐开大泄水阀开度,使有色液体由波状形变成微小涡体扩散到整个管内,此时管中即为紊流。并用体积法测定管中过流量。5、以相反程序,即泄水阀开度从大逐渐关小,再观察管中流态的变化现象。并用体积法测定管中过流量。6、重复平行实验,上临界和下临界雷诺数经多次测量取平均值。四、实验数据计算和处理1、实验记录表次数VtVs临界流速临界雷诺数附注×10-3m3)(s)(m3/s)uk(m/s)Rek实验管内径:d=mm水温:℃1234562、实验数据计算Rek=uk⋅dvuk=VsA=Vsπd2/4m/sVs=Vtm3/s式中:ν——水的运动粘度(根据实验的水温...

1、当您付费下载文档后,您只拥有了使用权限,并不意味着购买了版权,文档只能用于自身使用,不得用于其他商业用途(如 [转卖]进行直接盈利或[编辑后售卖]进行间接盈利)。
2、本站所有内容均由合作方或网友上传,本站不对文档的完整性、权威性及其观点立场正确性做任何保证或承诺!文档内容仅供研究参考,付费前请自行鉴别。
3、如文档内容存在违规,或者侵犯商业秘密、侵犯著作权等,请点击“违规举报”。

碎片内容

流体力学实验(环境工程)

您可能关注的文档

书海行舟+ 关注
实名认证
内容提供者

热爱教学事业,对互联网知识分享很感兴趣

确认删除?
VIP
微信客服
  • 扫码咨询
会员Q群
  • 会员专属群点击这里加入QQ群
客服邮箱
回到顶部