电脑桌面
添加小米粒文库到电脑桌面
安装后可以在桌面快捷访问

数字信号处理基础书后题答案中文版VIP专享VIP免费

数字信号处理基础书后题答案中文版_第1页
1/121
数字信号处理基础书后题答案中文版_第2页
2/121
数字信号处理基础书后题答案中文版_第3页
3/121
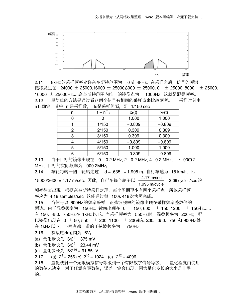
文档来源为:从网络收集整理.word版本可编辑.欢迎下载支持.1文档来源为:从网络收集整理.word版本可编辑.Chapter2Solutions2.1最小采样频率为两倍的信号最大频率,即44.1kHz。2.2(a)、由=2f=20rad/sec,信号的频率为f=3.18Hz。信号的奈奎斯特采样频率为6.37Hz。(b)、35000,所以f=833.3Hz,奈奎斯特采样频率为1666.7Hz。(c)、73000,所以f=214.3Hz,奈奎斯特采样频率为428.6Hz。2.3(a)12580001f1TSSs(b)、最大还原频率为采样频率的一半,即4000kHz。2.4=4000rad/sec,所以f=4000/(2)=2000/Hz,周期T=/2000sec。因此,5个周期为5/2000=/400sec。对于这个信号,奈奎斯特采样频率为2(2000/)=4000/Hz。所以采样频率为fS=4(4000/)=16000/Hz。因此5个周期收集的采样点为(16000/samples/sec)(/400sec)=40。2.5=2500rad/sec,所以f=2500/(2)=1250Hz,T=1/1250sec。因此,5个周期为5/1250sec。对于这个信号,奈奎斯特采样频率为2(1250)=2500Hz,所以采样频率为fS=7/8(2500)=2187.5Hz。采样点数为(2187.5点/sec)(5/1250sec)=8.75。这意味着在模拟信号的五个周期内只有8个点被采样。事实上,对于这个信号来说,在整数的模拟周期中,是不可能采到整数个点的。2.6频谱搬移均匀地发生在每个采样频率的整数倍2.7信号搬移发生在kfS±f处,换句话说,频谱搬移发生在每个采样频率的整数倍(a)采样频率满足奈奎斯特采样定理,所以没有混叠发生。-20002004006008001000120000.10.20.30.40.50.60.70.80.91幅度频率0102030405060708090100110120130140150频率/kHz文档来源为:从网络收集整理.word版本可编辑.欢迎下载支持.2文档来源为:从网络收集整理.word版本可编辑.(b)采样频率对于这个信号来说太低了,所以混叠发生了。混叠图用虚线展示,最后的频谱用实线展示。2.8蜂窝电话信号是带宽受限的。传输范围为30kHz。最小采样频率至少为60kHz。在这道题中,60kHz采样频率是足够的。传输范围的基带搬移能被一个截止频率为30kHz的滤波器弥补。2.9(a)、信号在300Hz处的镜像出现在3001000,3000,3001000,3002000Hz,......,即–1300,–700,300,700,1300,1700,2300Hz,......。这些信号只有一个位于奈奎斯特范围内(采样后能被恢复的范围,这道题为0到500Hz)。真实的信号频率为300Hz,没有混叠发生。(b)、信号的镜像出现在6001000,6000,6001000,6002000Hz,......,即–1600,–600,–400,400,600,1400,1600,2600Hz,......。这些信号只有400Hz落在奈奎斯特范围内。这是混叠频率。(c)、信号的镜像出现在13001000,13000,13001000,13002000Hz,......,即–2300,–1300,–300,300,700,1300,2300,3300Hz,......。这些信号只有300Hz落在奈奎斯特范围内。这是混叠频率。2.10(a)、信号在100到400Hz发生混叠。频率倒置不发生在基带。(b)、带宽受限信号在50到200Hz发生混叠。频谱倒置发生在基带。-500050010001500-1-0.8-0.6-0.4-0.200.20.40.60.81fS幅度频率⋯03060901200102030405060708090100110120130140150频率kHz文档来源为:从网络收集整理.word版本可编辑.欢迎下载支持.3文档来源为:从网络收集整理.word版本可编辑.2.118kHz的采样频率允许奈奎斯特范围为0到4kHz。在采样之后,信号的频谱搬移发生在–24000±25000,–16000±25000,–8000±25000,0±25000,8000±25000,16000±25000Hz......。奈奎斯特范围内唯一的镜像点为1000Hz。这就是混叠频率。2.12最简单的方法是通过看这两个信号有相同的采样点来比较两者。采样时刻由nTS确定,其中n是采样数,TS是采样间隔,即1/150sec。nt=nTSx1(t)x2(t)001.0001.00011/150–0.809–0.80922/1500.3090.30933/1500.3090.30944/150–0.809–0.80955/1501.0001.00066/150–0.809–0.8092.13由于目标的镜像出现在00.2MHz,20.2MHz,40.2MHz,⋯9000.2MHz,目标的实际频率为900.2MHz。2.14车轮每转一圈,轮胎走过d=.635=1.995m。自行车速为15km/h,即15000/3600=4.17m/sec。因此,自行车每个轮子以cycles/sec09.2m/cycle1.995m/sec17.4的频率往复出现。根据奈奎斯特采样定理,每个周期至少有两个采样点。所以采样频率应为4.18samples/sec。这能通过每100s418次快照完成。2.15当信号以60...

1、当您付费下载文档后,您只拥有了使用权限,并不意味着购买了版权,文档只能用于自身使用,不得用于其他商业用途(如 [转卖]进行直接盈利或[编辑后售卖]进行间接盈利)。
2、本站所有内容均由合作方或网友上传,本站不对文档的完整性、权威性及其观点立场正确性做任何保证或承诺!文档内容仅供研究参考,付费前请自行鉴别。
3、如文档内容存在违规,或者侵犯商业秘密、侵犯著作权等,请点击“违规举报”。

碎片内容

数字信号处理基础书后题答案中文版

爱的疯狂+ 关注
实名认证
内容提供者

该用户很懒,什么也没介绍

确认删除?
VIP
微信客服
  • 扫码咨询
会员Q群
  • 会员专属群点击这里加入QQ群
客服邮箱
回到顶部