电脑桌面
添加小米粒文库到电脑桌面
安装后可以在桌面快捷访问

电梯类定期检验项目收费标准表五 电 梯VIP免费

电梯类定期检验项目收费标准表五   电  梯_第1页
1/4
电梯类定期检验项目收费标准表五   电  梯_第2页
2/4
电梯类定期检验项目收费标准表五   电  梯_第3页
3/4
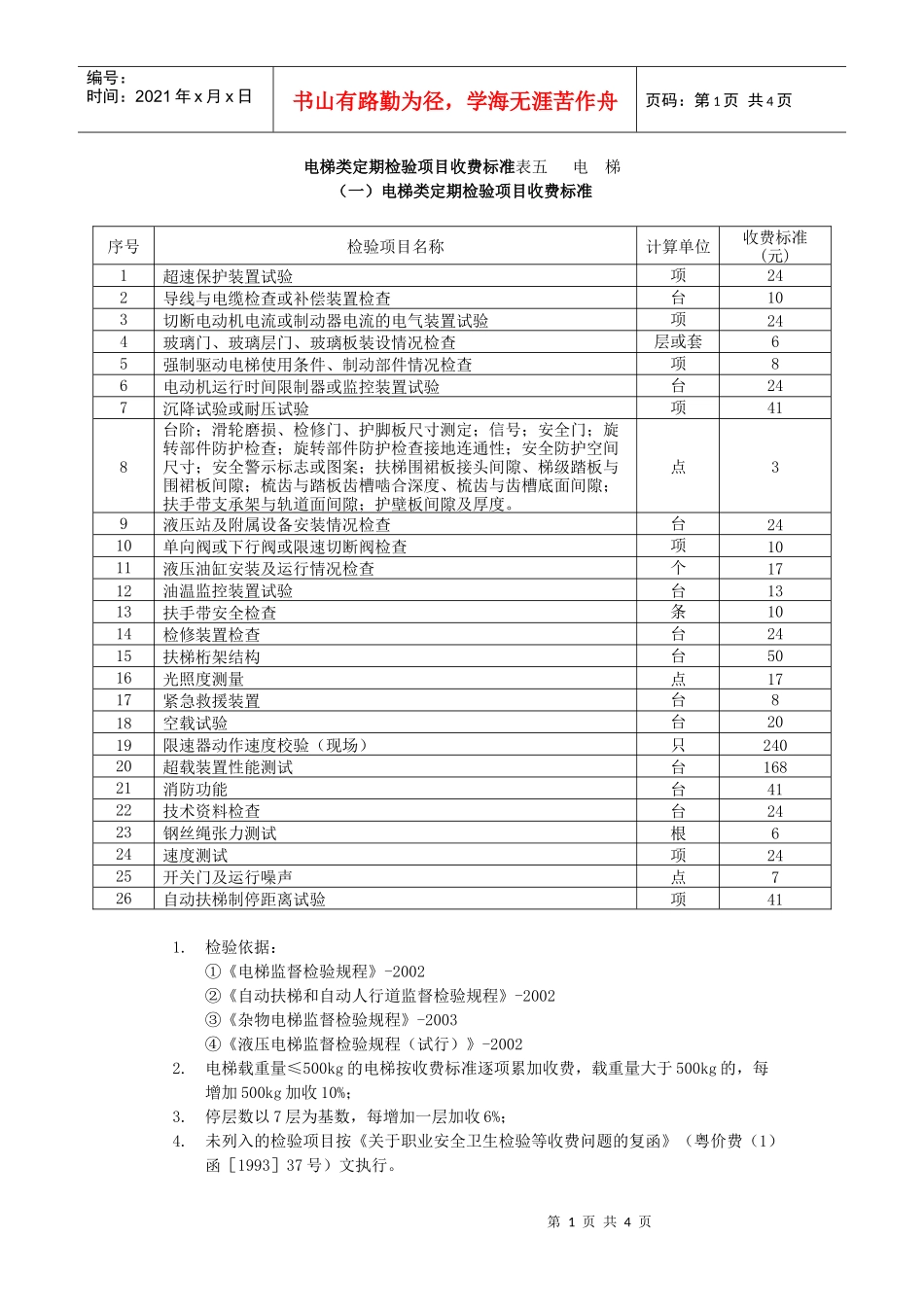
第1页共4页编号:时间:2021年x月x日书山有路勤为径,学海无涯苦作舟页码:第1页共4页电梯类定期检验项目收费标准表五电梯(一)电梯类定期检验项目收费标准序号检验项目名称计算单位收费标准(元)1超速保护装置试验项242导线与电缆检查或补偿装置检查台103切断电动机电流或制动器电流的电气装置试验项244玻璃门、玻璃层门、玻璃板装设情况检查层或套65强制驱动电梯使用条件、制动部件情况检查项86电动机运行时间限制器或监控装置试验台247沉降试验或耐压试验项418台阶;滑轮磨损、检修门、护脚板尺寸测定;信号;安全门;旋转部件防护检查;旋转部件防护检查接地连通性;安全防护空间尺寸;安全警示标志或图案;扶梯围裙板接头间隙、梯级踏板与围裙板间隙;梳齿与踏板齿槽啮合深度、梳齿与齿槽底面间隙;扶手带支承架与轨道面间隙;护壁板间隙及厚度。点39液压站及附属设备安装情况检查台2410单向阀或下行阀或限速切断阀检查项1011液压油缸安装及运行情况检查个1712油温监控装置试验台1313扶手带安全检查条1014检修装置检查台2415扶梯桁架结构台5016光照度测量点1717紧急救援装置台818空载试验台2019限速器动作速度校验(现场)只24020超载装置性能测试台16821消防功能台4122技术资料检查台2423钢丝绳张力测试根624速度测试项2425开关门及运行噪声点726自动扶梯制停距离试验项411.检验依据:①《电梯监督检验规程》-2002②《自动扶梯和自动人行道监督检验规程》-2002③《杂物电梯监督检验规程》-2003④《液压电梯监督检验规程(试行)》-20022.电梯载重量≤500kg的电梯按收费标准逐项累加收费,载重量大于500kg的,每增加500kg加收10%;3.停层数以7层为基数,每增加一层加收6%;4.未列入的检验项目按《关于职业安全卫生检验等收费问题的复函》(粤价费(1)函[1993]37号)文执行。第2页共4页第1页共4页编号:时间:2021年x月x日书山有路勤为径,学海无涯苦作舟页码:第2页共4页(二)电梯安装、改造、重大维修监督检验收费标准项目或收费类标准别规格电梯(总造价)电梯(所有规格)电梯总造价的1.5%1、电梯总造价为电梯的销售价、安装材料费及安装人工费之和;2、质量监督检验收费总额少于1000元的,按1000元收取;3、电梯安装(移装)、组装、改造和重大维修的工艺图纸审查费按工程总造价的1.5%计收;4、国家电梯监督检验规程(规范)对相应的检验项目变更名称时,而该项目的检验内容基本不变时参照本标准实行。(三)电梯产品质量监督检验收费标准序号项目名称计算单位收费标准(元)1.图纸资料审查(整梯)套16802.图纸资料审查(部件)套1123.各元件基本性能检验套16804.装置基本性能检验套19605.接线端子净拉力试验套2806.电气间隙和爬电距率次567.防护等级次568.漏电起痕指数台2249.硬度测试项11210.绝缘电阻台8711.接地电阻台8512.耐电压强度台9513.焊接质量检测台36414.振动试验台120415.动载试验台29616.超载荷试验台257第3页共4页第2页共4页编号:时间:2021年x月x日书山有路勤为径,学海无涯苦作舟页码:第3页共4页序号项目名称计算单位收费标准(元)17.稳态电流态16818.零部件尺寸个8419.照度点1720.位置误差项4521.形状误差项4522.粗糙度误差数值个11223.零部件其它项目项2224.液压系统试验台136625.静载试验台29626.密封性能试验台49627.振动试验台120428.制动距率测定台16829.可靠性试验台691630.安全装置检测台32531.外观质量台11232.铭牌、标志检查台2833.合格证台2234.分组制动能力台11235.噪声台28036.转速测量台22437.效率台49338.承载能力台123239.减速机渗漏台16840.电梯层门件4941.轿壁机械性能件5042.制动性能试验台58443.钢丝绳的实测破断拉力试验绳84044.液压泵超载试验台261545.温升试验台139846.链条抗拉强度条71147.链长偏差、链长同步精度、梯级距同步条71148.泵站运转检验台1064第4页共4页第3页共4页编号:时间:2021年x月x日书山有路勤为径,学海无涯苦作舟页码:第4页共4页序号项目名称计算单位收费标准(元)49.泵站满载检验台128850.泵站调速特性试验台649※检验依据:《电梯型式试验规程》(试行)由于电梯产品质量监督检验的检验项目是根据电梯型式试验规程制定的,检验方法以及检验设备相同,所以电梯型式试验收费可参照电梯产品质量监督检验收费标准执行

1、当您付费下载文档后,您只拥有了使用权限,并不意味着购买了版权,文档只能用于自身使用,不得用于其他商业用途(如 [转卖]进行直接盈利或[编辑后售卖]进行间接盈利)。
2、本站所有内容均由合作方或网友上传,本站不对文档的完整性、权威性及其观点立场正确性做任何保证或承诺!文档内容仅供研究参考,付费前请自行鉴别。
3、如文档内容存在违规,或者侵犯商业秘密、侵犯著作权等,请点击“违规举报”。

碎片内容

电梯类定期检验项目收费标准表五 电 梯

您可能关注的文档

确认删除?
VIP
微信客服
  • 扫码咨询
会员Q群
  • 会员专属群点击这里加入QQ群
客服邮箱
回到顶部