电脑桌面
添加小米粒文库到电脑桌面
安装后可以在桌面快捷访问

空压工段压力容器年度检验报告VIP免费

空压工段压力容器年度检验报告_第1页
1/93
空压工段压力容器年度检验报告_第2页
2/93
空压工段压力容器年度检验报告_第3页
3/93
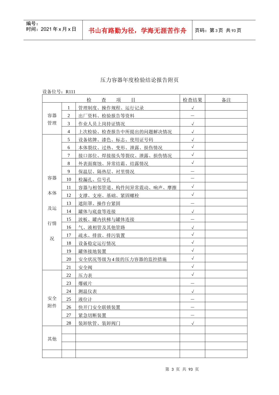
第1页共93页编号:时间:2021年x月x日书山有路勤为径,学海无涯苦作舟页码:第1页共93页压力容器年度检验报告使用单位:浸胶二厂空压工段容器名称:储气罐设备位号:R111使用证号:检验日期:2012年5月神马实业股份有限公司帘子布公司第2页共93页第1页共93页编号:时间:2021年x月x日书山有路勤为径,学海无涯苦作舟页码:第2页共93页压力容器年度检验结论报告使用单位浸胶二厂安装位置浸胶二厂空压站管理人员张志雄联系电话3888349容器名称储气罐使用证号设备位号R111安全状态等级1类容器内径2800mm容器高(长)mm公称壁厚14mm工作压力≤1.0Mpa工作温度50℃工作介质空气主要检查依据:《压力容器定期检验规则》检查发现的缺陷位置、程度、性质及处理意见(必要时附图或附页):检查结论(√)允许运行()监督运行()暂停运行()停止运行允许/监督运行参数压力:≤1.0Mpa温度:50℃介质:空气其他:监督运行需解决的问题及完成期限(暂停/停止运行说明):下次年度检验日期:2013年5月检查:张志雄日期:2012年5月审核:日期:第3页共93页第2页共93页编号:时间:2021年x月x日书山有路勤为径,学海无涯苦作舟页码:第3页共93页压力容器年度检验结论报告附页设备位号:R111检查项目检查结果备注容器管理1管理制度、操作规程、运行记录√2出厂资料、检验报告等资料―3作业人员上岗持证情况√4上次检验、检查报告中所提出的问题解决情况√容器本体及运行情况5设备铭牌、漆色、标志、使用证号码√6本体裂纹、过热、变形、泄露、损伤情况√7接口部位、焊接接头等裂纹、泄露、损伤情况√8外表面腐蚀、异常结霜、结露情况√9保温层、隔热层、衬里情况―10检漏孔、信号孔―11容器与相邻管道、构件间异常震动、响声、摩擦√12支撑、支座、基础、紧固螺栓√13遮阳罩、操作台紧固―14罐体与底盘等连接√15波板、罐内扶梯与罐体连接―16气、液相管及其他管路√17疏水、排放、排污装置√18设备稳定运行情况√19罐体接地装置√20安全状况等级为4级的压力容器的监控措施√21安全阀√安全附件22压力表√23爆破片―24测温仪表√25液位计―26快开门安全联锁装置―27紧急切断装置―28装卸软管、装卸阀门√其他第4页共93页第3页共93页编号:时间:2021年x月x日书山有路勤为径,学海无涯苦作舟页码:第4页共93页注:没有或未进行检验项目在检查结果栏打“—”;无问题或合格的检查项目在结果栏打“√”;有问题或不合格的检查项目在检查结果栏打“×”,并在备注中说明。压力容器年度检验报告使用单位:浸胶二厂空压工段容器名称:储气罐设备位号:R112使用证号:检验日期:2012年5月神马实业股份有限公司帘子布公司第5页共93页第4页共93页编号:时间:2021年x月x日书山有路勤为径,学海无涯苦作舟页码:第5页共93页压力容器年度检验结论报告使用单位浸胶二厂安装位置浸胶二厂空压站管理人员张志雄联系电话3888349容器名称储气罐使用证号设备位号R112安全状态等级1类容器内径2800mm容器高(长)mm公称壁厚14mm工作压力≤1.0Mpa工作温度50℃工作介质空气主要检查依据:《压力容器定期检验规则》检查发现的缺陷位置、程度、性质及处理意见(必要时附图或附页):检查结论(√)允许运行()监督运行()暂停运行()停止运行允许/监督运行参数压力:≤1.0Mpa温度:50℃介质:空气其他:监督运行需解决的问题及完成期限(暂停/停止运行说明):下次年度检验日期:2013年5月第6页共93页第5页共93页编号:时间:2021年x月x日书山有路勤为径,学海无涯苦作舟页码:第6页共93页检查:张志雄日期:2012年5月审核:日期:压力容器年度检验结论报告附页设备位号:R112检查项目检查结果备注容器管理1管理制度、操作规程、运行记录√2出厂资料、检验报告等资料―3作业人员上岗持证情况√4上次检验、检查报告中所提出的问题解决情况√容器本体及运行情况5设备铭牌、漆色、标志、使用证号码√6本体裂纹、过热、变形、泄露、损伤情况√7接口部位、焊接接头等裂纹、泄露、损伤情况√8外表面腐蚀、异常结霜、结露情况√9保温层、隔热层、衬里情况―10检漏孔、信号孔―11容器与相邻管道、构件间异常震动、响声、摩擦√12支撑、支...

1、当您付费下载文档后,您只拥有了使用权限,并不意味着购买了版权,文档只能用于自身使用,不得用于其他商业用途(如 [转卖]进行直接盈利或[编辑后售卖]进行间接盈利)。
2、本站所有内容均由合作方或网友上传,本站不对文档的完整性、权威性及其观点立场正确性做任何保证或承诺!文档内容仅供研究参考,付费前请自行鉴别。
3、如文档内容存在违规,或者侵犯商业秘密、侵犯著作权等,请点击“违规举报”。

碎片内容

空压工段压力容器年度检验报告

中小学文库+ 关注
实名认证
内容提供者

精品资料应用尽有

确认删除?
VIP
微信客服
  • 扫码咨询
会员Q群
  • 会员专属群点击这里加入QQ群
客服邮箱
回到顶部