电脑桌面
添加小米粒文库到电脑桌面
安装后可以在桌面快捷访问

变压器运行维护注意事项VIP免费

变压器运行维护注意事项_第1页
1/58
变压器运行维护注意事项_第2页
2/58
变压器运行维护注意事项_第3页
3/58
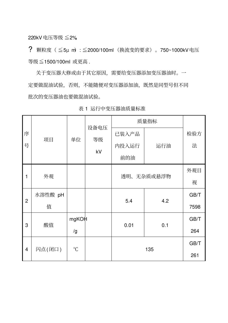
变压器的运行维护注意事项一、变压器油的运行与维护要想了解变压器油的运行与维护,首先要了解变压器油的作用,其作用主要以下几种:?电气绝缘;不同电压等级的变压器,其电气强度要求是不一样的。?传输热能冷却作用;?消弧作用;?通过变压器油色谱分析,含气量分析,油样试验,诊断变压器是否存在故障提供信息。变压器油一般分为:DB-10,DB-25,DB-45三种型号。在我国一直是以变压器油的凝点为基础的,凝点低于—10℃的变压器油牌号为DB-10,凝点低于—25℃的变压器油牌号为DB-25,凝点低于—45℃的变压器油牌号为DB-45。对变压器油的基本要求:?电气强度:750~1000kV电压等级变压器(电抗器、换流变)要求:≧70kV/2.5mm;500kV电压等级:≧60Kv/2.5mm;220kV电压等级:≧50kV/2.5mm;110kV电压等级:≧40kV/2.5mm。?微水含量:750~1000kV电压等级≦8ppm;500kV电压等级≦10ppm;220kV电压等级≦15ppm;110kV电压等级≦20ppm。?介质损耗tan(δ):≦0.5%.?变压器油含气量:750~1000kV电压等级≦0.5%,500kV电压等级≦1%,220kV电压等级≦2%。?颗粒度(≦5μm):≦2000/100ml(换流变的要求)。750~1000kV电压等级≦1500/100ml或更高.关于变压器大修或由于其它原因,需要给变压器添加变压器油时。一定要做混油试验,否则,不能随便对变压器添加油,既然是同型号但不同批次的变压器油也要做混油试验。表1运行中变压器油质量标准序号项目单位设备电压等级kV质量指标检验方法已装入产品内投入运行前的油运行油1外观透明、无杂质或悬浮物外观目视2水溶性酸pH值5.44.2GB/T75983酸值mgKOH/g0.010.1GB/T2644闪点(闭口)℃135GB/T2615水分1)mg/kg3301000220110及以下101520152535GB/T76006界面张力(25℃)mN/m4019GB/T65417介质损耗因数(90℃)50010003300.0050.0100.0200.040GB/T56548击穿电压2)kV75010005003306622035及以下70605040356050453530DL/T429.99体积电阻率(90℃)m50010003306×10101×10105×109GB/T565410油中含气量%7501000330500电抗器1235DL/T42311油泥与沉淀物%0.02(以下可以忽略不计)GB/T51112析气性500报告GB/T1114213带点倾向报告DL/T109514腐蚀性硫非腐蚀性硫SH/T080415油中颗粒度500报告DL/T432注:1)取样油温为40℃60℃。2)质量指标为平板电极测定值。1.1补充油及不同牌号油混合使用时,应满足如下要求:a)不同牌号的油不宜直接混合使用,不同油基的油不能混合使用;b)新油或相当于新油质量的同一油基不同牌号油混合使用时,应按混合油的实测凝点决定其是否可用,不能按其他化学和电气性能合格与否就贸然使用;c)向质量已下降到接近规定下限值的油中添加同一牌号新油或接近新油标准的已使用过的油时,应预先进行混合油样的氧化安定性试验,确认无沉淀物产生、介质损耗因数不大于原运行油数值,方可混合使用;d)进口油或来源不同的油与不同牌号运行油混合使用时,应预先进行参加混合的各种油及混合后油样的老化实验,混油质量不低于原运行油时,方可混合使用;若相混油都是新油,其混合油的质量应不低于最差的一种新油。对于运行中的变压器油,通过油样做油色谱分析,可以提供变压器内部运行状态及其工况的有用信息,根据油色谱分析可以推断变压器是否可以继续安全可靠运行或者根据总烃绝对增长速度或总烃总量多少;再决定是否需要停机修理。变压器油中含气量超标分析:从表1中可以看出不同电压等级的变压器、电抗器等对于运行中的油含气量的要求是不同的。表中数值规定的是注意值,但在实际运行中的变压器、电抗器等设备的含气量是可以超过注意值,但可以超多少?不同的专家有不同意见,没有统一标准。根据我们的运行经验一般不宜超过下列数值:1油中含气量%7501000330500电抗器1378仅供参考造成设备含气量增大的原因分析:1、负压区:设备使用冷却器潜油泵进行强油循环的,经常有负压区存在。负压区如果不存在渗漏点,那么运行中变压器油中含气量不会变化,一旦负压区有渗漏点,变压器油含气量会增长。轻的话3个月左右油中含气量会超国标。2、储油柜胶囊破损导致变压器油中含气量增加,本来储油柜胶囊的作用就是变压器油与大气不接触,胶囊破损致使变压器油直接...

1、当您付费下载文档后,您只拥有了使用权限,并不意味着购买了版权,文档只能用于自身使用,不得用于其他商业用途(如 [转卖]进行直接盈利或[编辑后售卖]进行间接盈利)。
2、本站所有内容均由合作方或网友上传,本站不对文档的完整性、权威性及其观点立场正确性做任何保证或承诺!文档内容仅供研究参考,付费前请自行鉴别。
3、如文档内容存在违规,或者侵犯商业秘密、侵犯著作权等,请点击“违规举报”。

碎片内容

变压器运行维护注意事项

爱的疯狂+ 关注
实名认证
内容提供者

该用户很懒,什么也没介绍

确认删除?
VIP
微信客服
  • 扫码咨询
会员Q群
  • 会员专属群点击这里加入QQ群
客服邮箱
回到顶部