电脑桌面
添加小米粒文库到电脑桌面
安装后可以在桌面快捷访问

塔式起重机QTZ80基础荷载及附着杆荷载内力计算VIP免费

塔式起重机QTZ80基础荷载及附着杆荷载内力计算_第1页
1/19
塔式起重机QTZ80基础荷载及附着杆荷载内力计算_第2页
2/19
塔式起重机QTZ80基础荷载及附着杆荷载内力计算_第3页
3/19
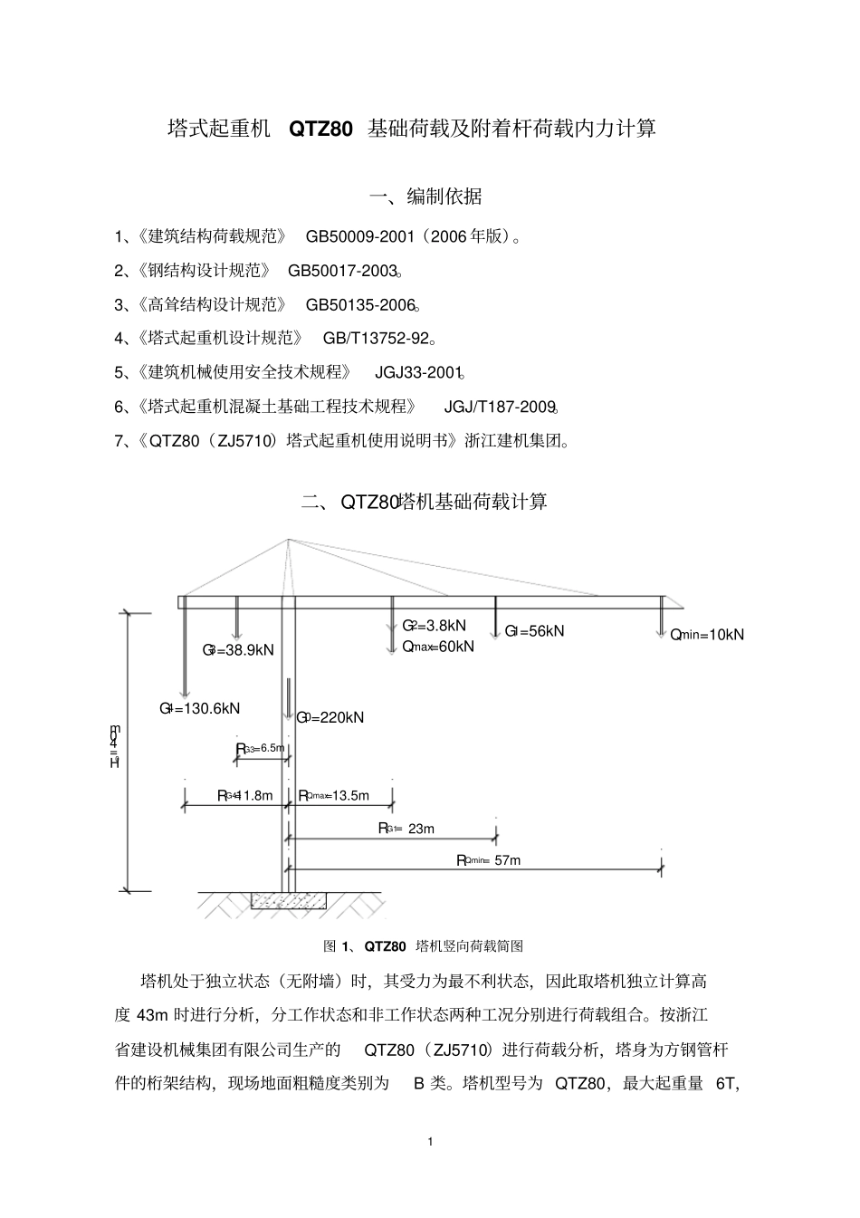
1塔式起重机QTZ80基础荷载及附着杆荷载内力计算一、编制依据1、《建筑结构荷载规范》GB50009-2001(2006年版)。2、《钢结构设计规范》GB50017-2003。3、《高耸结构设计规范》GB50135-2006。4、《塔式起重机设计规范》GB/T13752-92。5、《建筑机械使用安全技术规程》JGJ33-2001。6、《塔式起重机混凝土基础工程技术规程》JGJ/T187-2009。7、《QTZ80(ZJ5710)塔式起重机使用说明书》浙江建机集团。二、QTZ80塔机基础荷载计算H0=40mRG3=RG4=RQmax=RG1=RQmin=57mQmin=10kNQmax=60kN23m13.5m11.8m6.5mG4=130.6kNG3=38.9kNG2=3.8kNG1=56kNG0=220kN图1、QTZ80塔机竖向荷载简图塔机处于独立状态(无附墙)时,其受力为最不利状态,因此取塔机独立计算高度43m时进行分析,分工作状态和非工作状态两种工况分别进行荷载组合。按浙江省建设机械集团有限公司生产的QTZ80(ZJ5710)进行荷载分析,塔身为方钢管杆件的桁架结构,现场地面粗糙度类别为B类。塔机型号为QTZ80,最大起重量6T,2最大起重力矩81T·m,最大吊物幅度57m。根据《塔式起重机混凝土基础工程技术规程》JGJ/T187-2009规定,计算塔机在工作状态和非工作状态下传递到基础顶面的荷载。非工作状态下的基本风压取1.0kN/m2。1、塔机自重和起重荷载1.1塔机自重标准值1449.00KFkN1.2起重荷载标准值q60.00KFkN2、风荷载计算2.1工作状态下塔机对角线方向所受风荷载标准值计算2.1.1塔机所受风均布线荷载标准值(0.20O2kN/m)00.8/SKzSZOqbHH0.81.21.591.951.320.200.351.60.44kN/m2.1.2塔机所受风荷载水平合力标准值0.444318.VKSKFqHkN2.1.3基础顶面风荷载产生的力矩标准值0.50.518.92434SKVKMFHkNm2.2非工作状态下塔机对角线方向所受风荷载标准值计算2.2.1塔机所受风线荷载标准值(1.0O2kN/m)0.8/SKzSZOqbHH0.81.21.7161.951.321.00.351.62.38kN/m2.2.2塔机所受风荷载水平合力标准值2.3843102.VKSKFqHkN2.2.3基础顶面风荷载产生的力矩标准值0.50.5102.344322SKVKMFHkNm3、塔机的倾覆力矩3塔机自重和起重荷载产生的倾覆力矩,向前(起重臂方向)为正,向后为负。3.1大臂自重产生的向前力矩标准值156231288.00MkNm3.2最大起重荷载产生最大向前力矩标准值(maxQ较minQ产生的力矩大)26013.5810.00MkNm3.3小车位于上述位置时的向前力矩标准值33.813.551.3MkNm3.4平衡臂产生的向后力矩标准值438.96.5252.85MkNm3.5平衡重产生的向后力矩标准值5130.611.81541.08MkNm4、综合分析、计算4.1工作状态下塔机对基础顶面的作用4.1.1荷载标准组合后的力矩标准值K134520.91288.0051.3252.851541.080.9(810.00406.78)640.47SKMMMMMMMKNm()4.1.2水平荷载标准值18.92VKFkN4.1.3竖向荷载标准值塔机自重:1449.00KFkN起重荷载:q60.00KFkN1449.0060.00509KKqKFFFkN4.2非工作状态下塔机对基础顶面的作用4.2.1标准组合后的力矩标准值1451288.00252.851541.082200.311694.38KSKMMMMMKNm44.2.2水平荷载标准值102.34VKFkN4.2.3竖向荷载标准值塔机自重:1449.00KFkN5、基础荷载的比较分析表1混凝土基础顶面荷载标准值对比表类型工况竖向荷载KF(kN)水平荷载Fvk(kN)倾覆弯矩Mk(kN.m)按规程JGJ/T187计算非工作状态4491021694工作状态50919640按“塔机使用说明书”非工作状态449711668工作状态509311039上述比较分析说明当塔机现场的基本风压大于等于1.00kN/m2时,按JGJ/T187-2009的规定进行计算的结果,非工作状态时(控制作用)倾覆力矩标准值和水平荷载标准值均大于塔机制造商的《塔机使用说明书》中所提供值。基本风压等于1.00kN/m2时,倾覆力矩标准值大2%,水平荷载标准值大44%。5三、QTZ80附墙杆计算根据国家标准《塔式起重机设计规范》GB/T13752—92、行业标准《塔式起重机混凝土基础工程技术规程》JGJ/T187-2009及浙江省建设机械集团有限公司提供的《QTZ80塔机使用说明书》进行计算,塔机和工程现场概况同前。国家标准《塔式起重机设计规范》GB/T13752—92第4.5.2条规定:“塔身上部第一附着点(塔身悬臂支承端)的支承反力最大,应取该反力值作为附着装置及建筑物支承装置的计算载荷”。故应以此道附墙杆(图2的B支座)的负荷作为设计附墙杆截面的依据。按Q...

1、当您付费下载文档后,您只拥有了使用权限,并不意味着购买了版权,文档只能用于自身使用,不得用于其他商业用途(如 [转卖]进行直接盈利或[编辑后售卖]进行间接盈利)。
2、本站所有内容均由合作方或网友上传,本站不对文档的完整性、权威性及其观点立场正确性做任何保证或承诺!文档内容仅供研究参考,付费前请自行鉴别。
3、如文档内容存在违规,或者侵犯商业秘密、侵犯著作权等,请点击“违规举报”。

碎片内容

塔式起重机QTZ80基础荷载及附着杆荷载内力计算

爱的疯狂+ 关注
实名认证
内容提供者

该用户很懒,什么也没介绍

确认删除?
VIP
微信客服
  • 扫码咨询
会员Q群
  • 会员专属群点击这里加入QQ群
客服邮箱
回到顶部