电脑桌面
添加小米粒文库到电脑桌面
安装后可以在桌面快捷访问

全护筒钻孔灌注桩建筑施工工法VIP免费

全护筒钻孔灌注桩建筑施工工法_第1页
1/8
全护筒钻孔灌注桩建筑施工工法_第2页
2/8
全护筒钻孔灌注桩建筑施工工法_第3页
3/8
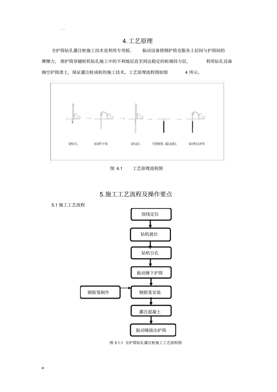
...a全护筒钻孔灌注桩施工工法中铁十二局集团建筑安装工程有限公司部廷白慧煜玺蒋关云靳成周1.前言为满足工程建设的需要,桩基础作为提高地基承载力的一种最有效的方式被广泛采用,桩基础一般分为钻孔灌注桩和预制桩。其中钻孔灌注桩占桩基础施工中的比重约70%,钻孔灌注桩的施工一般分为干作业和泥浆护壁作业。但是受环境影响,在香港以及世界发达的钻孔灌注桩施工中是禁止使用泥浆护壁的,同时在松散砂层、细角砾石层、流砂层、厚淤泥质层以及喀斯特地貌等地质情况下,进行泥浆护壁难以保证孔壁稳定,这种情况下就需要使用全护筒施工技术。中铁十二局集团建筑安装工程有限公司联合设计单位进行创新,取得了“全护筒钻孔灌注桩施工技术”这一国先进的新成果,同时形成了全护筒钻孔灌注桩施工工法。2.工法特点2.1全护筒钻孔灌注桩施工不采用膨润土或化学泥浆护壁,对地下水没有污染,施工现场整洁,不影响周围居民及企业的正常工作和生活,满足高环保要求。2.2在传统钻孔灌注桩因地层、环保原因无法成孔的情况下,保证桩基工程施工的顺利进行。2.3相比较其他护壁形式的钻孔灌注桩施工工艺,不需要配置泥浆,没有护壁泥皮对承载力的影响,承载力可靠,桩体质量满足规要求。2.4施工速度比传统工艺快一倍以上,施工效率高,为整体工程的顺利施工打下良好的基础。3.适用围3.1适用于直径为600mm~2500mm的钻孔灌注桩,钻孔灌注桩长度不宜大于40m的桩基工程。3.2适用于地下水位较高,易塌孔,使用普通泥浆及化学泥浆无法成孔的地层(如卵石土层、角砾石土层、砂层等)。可进行嵌岩桩施工。...a4.工艺原理全护筒钻孔灌注桩施工技术是利用专用摇、振动设备使钢护筒克服各土层间与护筒间的摩擦力,使护筒穿越桩机钻孔施工中的不利地层直至到达稳定的桩端持力层,利用钻孔设备掏空护筒渣土,保证灌注桩成桩的施工技术。工艺原理流程图如图4所示。图4.1工艺原理流程图5.施工工艺流程及操作要点5.1施工工艺流程图5.1.1全护筒钻孔灌注桩施工工艺流程图放线定位钻机就位钻机引孔振动锤下护筒钢筋笼安装灌注混凝土钢筋笼制作振动锤拔出护筒...a5.2操作要点5.2.1放线定位按桩位设计图纸要求,测设桩位并做好标记,以桩位为中心用白灰画一个半径45cm的圆,对桩位复核无误后方可开孔。5.2.2钻机就位钻机就位后,保持钻机平稳,旋挖机钻尖对准桩位中心。5.2.3钻机引孔钻机引孔选用钻头为800mm,引孔至5m。引孔的作用包括以下几个方面:5.2.3.1克服浅层障碍物的影响。工程钻机可以有效克服障碍物的影响,无法钻穿的障碍物应采用挖掘机挖出,防止对护筒的卷边损坏;5.2.3.2引孔部位可以使护筒准确定位,防止护筒偏差造成桩位偏差较大;5.2.3.3引孔段可以使护筒顺利入孔,减少了护筒下放的摩擦力,保证护筒入孔的稳定性,减少护筒插入时间,保证护筒顺利插入。5.2.4振动锤下护筒本工程根据灌注桩孔深及地质情况,护筒下放至进入灰岩20cm。护筒最深插入深度35m。5.2.4.1振动锤设备东站振动锤采用360挖机加装液压振动锤设备而成,使用履带行走方便,地质环境适应性强。该振动锤下放和起拔护筒速度快,在成孔时可用干式成孔法或天然水降低造浆成本。并且可以一次插入单节护筒12m,大大提高了施工效率。5.2.4.2钢护筒的特殊要求(1)钢护筒宜采用10mm或12mm的螺旋管制作。采用10mm壁厚以下的钢护筒,在施工过程中容易造成卷边,凹凸,导致钢护筒的周转次数下降,成本增加;采用12mm壁厚以上的钢护筒,钢护筒重量大大增加,造成施工不便,增加操作人员的施工难度,降低施工效率。(2)最下面一节钢护筒宜设置口的刃脚,减小护筒下放的阻力,保证护筒顺利下放到位。(3)护筒与护筒之间采用刚强度的螺栓螺母进行连接。如果采用焊接,焊接时间较长,影响施工进度。(4)振动锤加紧护筒,锁定装置锁定后方可起吊护筒,保证使用安全可控。(5)护筒起吊后,由施工人员指挥入孔。入孔后不加力,靠护筒自重下沉,技术人员用...a经纬仪或者铅垂随时调整护筒垂直度,保证入孔顺直。(6)靠自重护筒无法下沉时,开启振动锤加压下沉,如遇阻力无法下沉,应查明原因后继续操作,不能强行加压,防止护筒下边缘卷边或弯折,造成护筒...

1、当您付费下载文档后,您只拥有了使用权限,并不意味着购买了版权,文档只能用于自身使用,不得用于其他商业用途(如 [转卖]进行直接盈利或[编辑后售卖]进行间接盈利)。
2、本站所有内容均由合作方或网友上传,本站不对文档的完整性、权威性及其观点立场正确性做任何保证或承诺!文档内容仅供研究参考,付费前请自行鉴别。
3、如文档内容存在违规,或者侵犯商业秘密、侵犯著作权等,请点击“违规举报”。

碎片内容

全护筒钻孔灌注桩建筑施工工法

您可能关注的文档

确认删除?
VIP
微信客服
  • 扫码咨询
会员Q群
  • 会员专属群点击这里加入QQ群
客服邮箱
回到顶部