电脑桌面
添加小米粒文库到电脑桌面
安装后可以在桌面快捷访问

蓄水池结构设计和施工VIP免费

蓄水池结构设计和施工_第1页
1/8
蓄水池结构设计和施工_第2页
2/8
蓄水池结构设计和施工_第3页
3/8
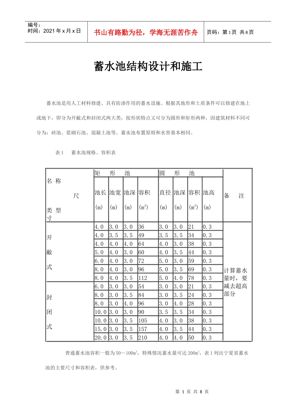
第1页共8页编号:时间:2021年x月x日书山有路勤为径,学海无涯苦作舟页码:第1页共8页蓄水池结构设计和施工蓄水池是用人工材料修建、具有防渗作用的蓄水设施。根据其地形和土质条件可以修建在地上或地下,即分为开敝式和封闭式两大类,按形状特点又可分为圆形和矩形两种,因建筑材料不同可分为:砖池、浆砌石池、混凝土池等。蓄水池布置原则和水窖基本相同。表1蓄水池规格、容积表名称尺类型寸矩形池圆形池备注池长(m)池宽(m)池深(m)容积(m3)直径(m)池深(m)容积(m3)池高(m)开敝式4.03.03.0363.03.0210.3计算蓄水量时,要减去超高部分4.03.53.5493.53.5340.34.04.04.0644.03.0380.35.04.03.0604.03.5440.36.04.03.0725.03.0590.38.04.03.0965.03.5690.38.04.03.51125.04.0780.3封闭式6.03.03.0543.03.0210.38.03.03.5843.03.5240.38.03.04.0963.04.0280.310.03.03.0903.53.5340.310.03.03.51054.03.0380.315.03.03.51574.03.5440.320.03.03.52104.04.0500.3普通蓄水池容积一般为50~100m3,特殊情况蓄水量可达200m3,表1列出宁夏省蓄水池的主要尺寸和容积表,供参考。第2页共8页第1页共8页编号:时间:2021年x月x日书山有路勤为径,学海无涯苦作舟页码:第2页共8页(一)蓄水池结构设计要求蓄水池结构设计除应符合前述蓄水工程设计要求外,尚应考虑下列要求:1.荷载组合:不考虑地震荷载,只考虑蓄水池自重、水压力和土压力。对开敞式蓄水池,荷载组合为池内满水,池外无土;对封闭式水池,荷载组合为池内无水,池外有土。计算时,浆砌石砌体及混凝土的容重取为2.4t/m3。地下式水池,池壁外面回填土要求夯实,计算土压力时填土容重取为1.8t/m3,内摩擦角取为30°。2.应按地质条件推求容许地基承载力,如地基的实际承载力达不到设计要求或地基会产生不均匀沉陷,则必须先采取有效的地基处理措施才可修建蓄水池。蓄水池底板的基础要求有足够的承载力、平整密实,否则须采用碎石(或粗砂)铺平并夯实。3.蓄水池应尽量采用标准设计,或按五级建筑物根据有关规范进行设计。水池池底及边墙可采用浆砌石、素混凝土或钢筋混凝土。最冷月平均温度高于5℃的地区也可采用砖砌,但应采用水泥砂浆抹面。池底采用浆砌石时,应座浆砌筑,水池砂浆标号不低于M10,厚度不小于25cm。采用混凝土时,标号不宜低于C15,厚度不小于10cm。土基应进行翻夯处理,深度不小于40cm。池墙尺寸应按标准设计或按规范要求计算确定。4.蓄水池的基础是非常重要的,尤其是湿陷性黄土地区,如有轻微渗漏,危及工程安全。因而在湿陷性黄土上修建的蓄水池应优先考虑采用整体式钢筋混凝土或素混凝土蓄水池。地基土为弱湿陷性黄土时,池底应进行翻夯处理,翻夯深度不小于50cm;如基土为中、强湿陷性黄土时,应加大翻夯深度,采取浸水预沉等措施处理。5.蓄水池内宜设置爬梯,池底应设排污管,封闭式水池应设清淤检修孔,开敞式水池应设护栏,护栏应有足够强度,高度不低于1.1m。第3页共8页第2页共8页编号:时间:2021年x月x日书山有路勤为径,学海无涯苦作舟页码:第3页共8页(二)蓄水池结构特点1.开敞式圆形蓄水池开敞式蓄水池池体由池底和池墙两部分组成。它多是季节性蓄水池,不具备防冻、防蒸发功效。圆形池结构受力条件好,在相同蓄水量条件下所用建筑材料较省,投资较少。开敞式圆形浆砌石水池地基承载力按10t/m2设计,池底板为C15混凝土,厚度10cm,池壁为M7.5浆砌石,其厚度根据荷载条件按标准设计或有关规范确定,表2列出开敞式圆形浆砌石水池主要尺寸、工程量及材料用量表,供参考。2.开敞式矩形蓄水池矩形蓄水池的池体组成、附属设施、墙体结构与圆形蓄水池基本相同,不同的只是根据地形条件将圆形变为矩形罢了。但矩形蓄水池的结构受力条件不如圆形池好,拐角处是薄弱环节,需采取防范加固措施。当蓄水量在60m3以内时,其形状近似正方形布设,当蓄水池长宽比超过3时,在中间需布设隔墙,以防侧压力过大使边墙失去稳定性,这样将一池分二,在隔墙上部留水口,可有效地沉淀泥沙。图3-12为开敞式矩形蓄水池结构图,其池底为C19混凝土,厚20cm,立柱为C19钢筋混凝土,池壁为24cm厚砌砖,采用M10水泥砂浆抹面防...

1、当您付费下载文档后,您只拥有了使用权限,并不意味着购买了版权,文档只能用于自身使用,不得用于其他商业用途(如 [转卖]进行直接盈利或[编辑后售卖]进行间接盈利)。
2、本站所有内容均由合作方或网友上传,本站不对文档的完整性、权威性及其观点立场正确性做任何保证或承诺!文档内容仅供研究参考,付费前请自行鉴别。
3、如文档内容存在违规,或者侵犯商业秘密、侵犯著作权等,请点击“违规举报”。

碎片内容

蓄水池结构设计和施工

确认删除?
VIP
微信客服
  • 扫码咨询
会员Q群
  • 会员专属群点击这里加入QQ群
客服邮箱
回到顶部