电脑桌面
添加小米粒文库到电脑桌面
安装后可以在桌面快捷访问

设计院施工组织设计VIP免费

设计院施工组织设计_第1页
1/50
设计院施工组织设计_第2页
2/50
设计院施工组织设计_第3页
3/50
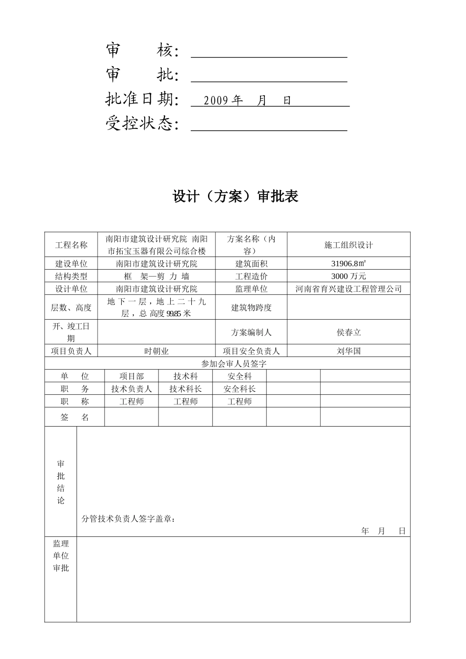
河南天工建设集团有限公司工程项目施工组织设计南阳市建筑设计研究院南阳市拓宝玉器有限公司综合楼工程编制单位:河南天工集团编制日期:2009年月日审核:审批:批准日期:2009年月日受控状态:设计(方案)审批表工程名称南阳市建筑设计研究院南阳市拓宝玉器有限公司综合楼方案名称(内容)施工组织设计建设单位南阳市建筑设计研究院建筑面积31906.8㎡结构类型框架—剪力墙工程造价3000万元设计单位南阳市建筑设计研究院监理单位河南省育兴建设工程管理公司层数、高度地下一层,地上二十九层,总高度99.85米建筑物跨度开、竣工日期方案编制人侯春立项目负责人时朝业项目安全负责人刘华国参加会审人员签字单位项目部技术科安全科职务技术负责人技术科长安全科长职称工程师工程师工程师签名审批结论分管技术负责人签字盖章:年月日监理单位审批分管负责人签字盖章:年月日建设单位审批分管负责人签字盖章:年月日市拓宝玉器、市建筑设计研究院综合楼施工组织设计目录1编制依据…………………………………………………………052工程概况…………………………………………………………053施工部署………………………………………………………063.1管理目标……………………………………………063.2现场项目机构设置和管理职责…………………………063.3施工总体组织及工期安排…………………………………063.4施工总平面布置…………………………………………063.5施工顺序……………………………………………………074劳动力计划…………………………………………………………075主要施工机械计划…………………………………………………076主要材料进场计划…………………………………………………097施工准备工作……………………………………………………097.1技术准备…………………………………………………097.2现场准备…………………………………………………097.3劳动力、施工机具、材料准备…………………………098主要施工方法……………………………………………………109确保工程质量的技术组织措施…………………………………269.1确保工程质量的组织措施………………………………269.1.1健全落实质量保证体系………………………………269.2落实质量管理责任制……………………………………269.3做好职工培训教育工作…………………………………269.4加强材料、构配件的质量控制…………………………379.5加强施工过程的质量控制…………………………………379.6施工机械设备的质量控制………………………………289.7技术资料的控制…………………………………………289.8做好成品保护工作………………………………………289.9回访、保修………………………………………………289.10确保工程质量的技术组织措施……………………………289.11消除主要质量通病措施……………………………………3010职业健康安全确保措施…………………………………………3311确保工期的技术组织措施………………………………………3512新技术、新工艺、新材料采用…………………………………3513保证文明施工的组织措施………………………………………3614农忙、节假日施工安排组织……………………………………3615雨季施工措施……………………………………………………3716冬季施工措施……………………………………………………3717职业健康安全保证措施………………………………………3818降低成本措施……………………………………………………3919安全生产的技术组织措施………………………………………3920施工现场临时用电………………………………………………4121应急预案…………………………………………………………4122质量保证体系图…………………………………………………4323安全保证体系图…………………………………………………4424施工工期网络计划图……………………………………………4525施工总平面布置图………………………………………………45第6页共50页编号:时间:2021年x月x日书山有路勤为径,学海无涯苦作舟页码:第6页共50页市建筑设计研究院市拓宝...

1、当您付费下载文档后,您只拥有了使用权限,并不意味着购买了版权,文档只能用于自身使用,不得用于其他商业用途(如 [转卖]进行直接盈利或[编辑后售卖]进行间接盈利)。
2、本站所有内容均由合作方或网友上传,本站不对文档的完整性、权威性及其观点立场正确性做任何保证或承诺!文档内容仅供研究参考,付费前请自行鉴别。
3、如文档内容存在违规,或者侵犯商业秘密、侵犯著作权等,请点击“违规举报”。

碎片内容

设计院施工组织设计

确认删除?
VIP
微信客服
  • 扫码咨询
会员Q群
  • 会员专属群点击这里加入QQ群
客服邮箱
回到顶部