电脑桌面
添加小米粒文库到电脑桌面
安装后可以在桌面快捷访问

煤矿企业2017年度安全风险辨识评估报告(-煤矿)(1)(1)(2)VIP免费

煤矿企业2017年度安全风险辨识评估报告(-煤矿)(1)(1)(2)_第1页
1/123
煤矿企业2017年度安全风险辨识评估报告(-煤矿)(1)(1)(2)_第2页
2/123
煤矿企业2017年度安全风险辨识评估报告(-煤矿)(1)(1)(2)_第3页
3/123
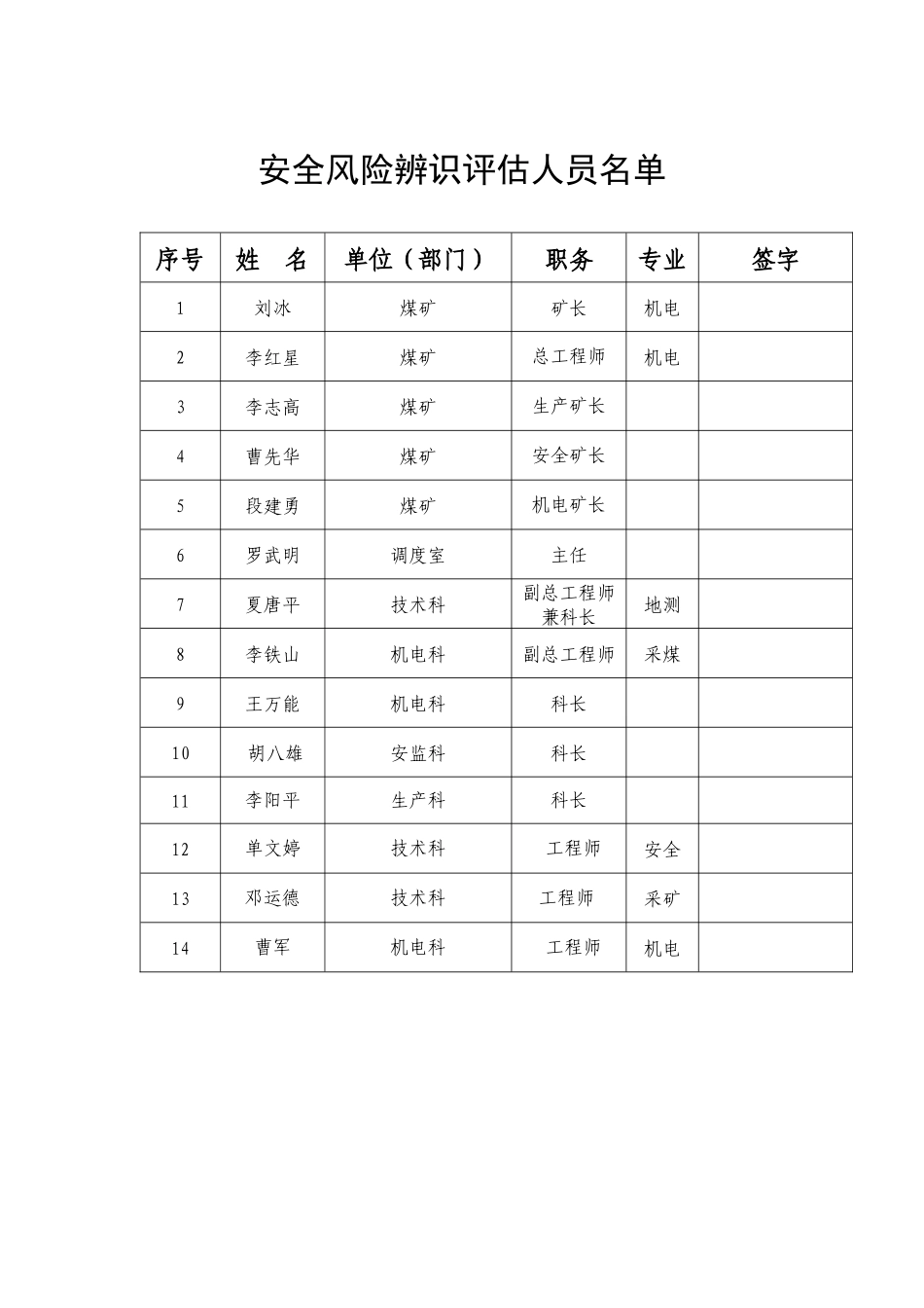
资兴市唐井煤业有限公司唐一窿井二〇一七年度安全风险辨识评估报告资兴市唐井煤业有限公司唐一窿井二〇一七年七月安全风险辨识评估人员名单序号姓名单位(部门)职务专业签字1刘冰煤矿矿长机电2李红星煤矿总工程师机电3李志高煤矿生产矿长4曹先华煤矿安全矿长5段建勇煤矿机电矿长6罗武明调度室主任7夏唐平技术科副总工程师兼科长地测8李铁山机电科副总工程师采煤9王万能机电科科长10胡八雄安监科科长11李阳平生产科科长12单文婷技术科工程师安全13邓运德技术科工程师采矿14曹军机电科工程师机电前言为贯彻执行国家煤矿安全监察局〔2017〕5号《煤矿安全生产标准化考核定级办法》和《煤矿安全生产标准化基本要求及评分方法》及湖南省煤炭管理局〔2017〕38号《湖南省煤矿安全生产标准化考核定级实施细则(试行)》的通知精神,进一步推进唐一窿井安全生产标准化中煤矿安全风险分级管控标准化建设工作。高质量地做好安全风险分级和辨识评估工作,我矿成立了以矿长为组长的评估专家组,对矿井上下所有主要作业场所和相关作业范围,进行全面排查和分级,针对水、火、煤尘、瓦斯、顶板等主要灾害和运输系统、构造、大型机械设备、电气设备等可能导致事故发生的至灾因素,进行了全面的辨识和分级评估,通过全方位、全过程对事故多发的重点区域、重点部位、重点环节以及生产工艺、设备设施、作业环境、人员行为和管理体系等方面存在的安全风险进行排查、分级和评估,建立安全风险数据库、绘制空间分布图,制定相应的防控措施,提升全体员工的风险意识,强化各级管理人员对风险的管控能力,从而确保安全生产,有效防控重特大事故。目录第一章煤矿安全生产基本情况..............................1第一节煤矿概况..............................................................................1第二节煤矿自然安全条件..............................................................4第三节煤矿生产系统....................................................................21第四节煤矿安全管理....................................................................27第二章安全风险辨识评估概述.............................32第一节安全风险辨识评估范围及原则........................................32第二节安全风险辨识评估依据....................................................32第三节安全风险辨识评估工作程序............................................36第三章煤矿安全风险辨识评估及管控措施...................63第一节矿井瓦斯安全风险辨识评估及管控措施........................63第二节矿井水害安全风险辨识评估及管控措施........................65第三节矿井火灾安全风险辨识评估及管控措施........................69第四节矿井煤尘安全风险辨识评估及管控措施........................70第五节矿井顶板安全风险辨识评估及管控措施........................72第六节矿井机电及提升运输系统安全风险辨识评估及管控措施............................................................................................................74第七节其他安全风险辨识评估及管控措施................................76第四章评估结论.........................................79附件:煤矿重大安全风险清单81唐一窿井年度安全风险评估报告第一章煤矿安全生产基本情况第一节煤矿概况一、企业性质、地理位置、地形地貌及交通矿山名称:资兴市唐井煤业有限公司唐一窿井地址:湖南省资兴市唐洞街道田心社区企业性质:个体股份制和私营企业法人代表姓名:刘冰矿长姓名:刘冰企业经营证照:①采矿许可证:C4300002009041120012594②安全生产许可证:(湘)MK安许证字[2017]1967G4Y3号③矿长安全资格证:432802197008181396④营业执照:430000000115071地理位置:唐井煤业有限公司唐一窿井位于资兴市三都矿区唐一窿井田,隶属资兴市东江镇唐洞街道办事处田心村,地理坐标:东经113°15′00″~113°16′10″,北纬25°57′28″~25°58′45″,矿山位于资兴市城区...

1、当您付费下载文档后,您只拥有了使用权限,并不意味着购买了版权,文档只能用于自身使用,不得用于其他商业用途(如 [转卖]进行直接盈利或[编辑后售卖]进行间接盈利)。
2、本站所有内容均由合作方或网友上传,本站不对文档的完整性、权威性及其观点立场正确性做任何保证或承诺!文档内容仅供研究参考,付费前请自行鉴别。
3、如文档内容存在违规,或者侵犯商业秘密、侵犯著作权等,请点击“违规举报”。

碎片内容

煤矿企业2017年度安全风险辨识评估报告(-煤矿)(1)(1)(2)

精品中小学文档+ 关注
实名认证
内容提供者

精品资料,值得下载

确认删除?
VIP
微信客服
  • 扫码咨询
会员Q群
  • 会员专属群点击这里加入QQ群
客服邮箱
回到顶部