电脑桌面
添加小米粒文库到电脑桌面
安装后可以在桌面快捷访问

燃料油贸易操作流程VIP免费

燃料油贸易操作流程_第1页
1/13
燃料油贸易操作流程_第2页
2/13
燃料油贸易操作流程_第3页
3/13
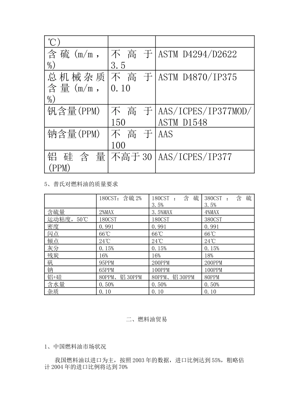
燃料油贸易操作流程1、燃料油的定义燃料油的概念有广义和狭义之分,广义上说,所有可用做燃料的油品都可成为燃料油;狭义上是指特定类型的部分重油,这里指的是狭义上的概念燃料油(FuelOil)属于重油,为原油提炼过程中较后期的产品2、国内燃料油分类国内通常将燃料油分为三类:5-7号燃料油除5-7号之外更轻或更重的燃料油。其中包括250号,也称为重油或工业燃料油其它重油制品(包括按重量计含油超过70%的制品),此项主要指乳化重油,如委内瑞拉奥里油等3、国外燃料油分类国外通常按50℃时的运动粘度将燃料油分为80CST、180CST和380CST三大类。新加坡、AG等地每个交易日都产生一个以180CST和380CST为基本品种的收市价格80CST燃料油:指50℃时的粘度低于80CST的油品180CST燃料油:指50℃时的粘度在80CST与180CST之间的油品380CST燃料油:指50℃时的粘度在180CST与380CST之间的油品在此基础上,根据含硫量还可分为高硫、中硫和低硫燃料油★CST为运动粘度单位。附:普氏PGA042新加坡收市价4、燃料油的指标国内大多数用户需求的燃料油质量标准项目限度检验方法密度(15℃,kg/l)不高于0.985ASTMD1298/4052运动粘度(50℃,CST)不高于180ASTMD445灰分(m/m,%)不高于0.10ASTMD482残碳(m/m,%)不高于15ASTMD189/D4530倾点(℃)不高于24ASTMD97水分(V/V,%)不高于0.5ASTMD95闪点(开口,不低于66ASTMD93℃)含硫(m/m,%)不高于3.5ASTMD4294/D2622总机械杂质含量(m/m,%)不高于0.10ASTMD4870/IP375钒含量(PPM)不高于150AAS/ICPES/IP377MOD/ASTMD1548钠含量(PPM)不高于100AAS铝硅含量(PPM)不高于30AAS/ICPES/IP3775、普氏对燃料油的质量要求180CST:含硫2%180CST:含硫3.5%380CST:含硫3.5%含硫量2%MAX3.5%MAX4%MAX运动粘度,50℃180CST180CST380CST密度0.9910.9910.991闪点66℃66℃66℃倾点24℃24℃24℃灰分0.15%0.15%0.15%残炭16%16%18%矾95PPM200PPM200PPM钠65PPM100PPM100PPM铝+硅80PPM、铝30PPM80PPM、铝30PPM80PPM含水量0.50%0.50%0.50%杂质0.100.100.10二、燃料油贸易1、中国燃料油市场状况我国燃料油以进口为主,按照2003年的数据,进口比例达到55%,粗略估计2004年的进口比例将达到70%国产燃料油主要由中国石油和中国石化两大集团下属的炼油厂生产,以及少量的地方炼厂生产国产燃料油的产量呈下降趋势,其主要原因是国内炼油厂为提高汽柴油等轻油的收率,增加了进口轻质原油提炼的比例电力行业是我国燃料油消费第一大户,占全国消费量的40%以上石油、石化行业是第二大消费行业2、我国燃料油产量及进口量3、燃料油的用户燃料型用户包括电厂、陶瓷厂、钢铁厂、玻璃厂等,占总消耗量的70%左右。在国内,此类用户需求有逐年增长之势燃料油加工企业(将燃料油作为原料提炼较轻油品,对油的品质要求较高),此方面的需求有增强的趋势,目前已经占到进口燃料油总量的40%左右船舶用燃料,约占总消耗量的8~10%4、进口燃料油的供应地区国产燃料油:万吨增减(%)进口量:万吨增减(%)1991年3243.98---119.05---1992年3232.17-0.4202.0769.71993年3195.85-1.1456.4125.861994年3015.09-5.7462.181.261995年2960.75-1.8659.1442.621996年2504.53-15.4942.442.971997年2311.24-8.71371.0545.481998年2300.43-9.71625.918.591999年1959.39-6.71756.998.02000年2053.67+4.81480.2-15.72001年1840.97-9.11823.5823.182002年1840.8801650.31-9.492003年1~11月17862.932189.8732.67在中国的燃料油市场,燃料油的进口来源地繁多,主要包括:韩国、日本、新加坡、台湾、俄罗斯、印度、委内瑞拉、欧洲、中东和美国西岸。黄埔市场进口燃料油近一半来自新加坡,这包括从马来西亚和印尼锚地驳运的燃料油。这个地区的燃料油主要是调合油,比重和粘度都接近规格的上限5、进口燃料油的计价方式常用的计价方式主要采用固定价和浮动价固定价:买卖双方以固定价格确定合同价格浮动价:买卖双方确定离岸或到岸贴水,以商定的时间区间内MOPS中间价的加权平均作为基准价,商定的时间通常是五天,也有十五天和全月平均等6、进口燃料油的价格构成进口燃料油的价格由基准价和贴水/减水(负贴水)两部分组成在亚洲市场,贸易商都以新...

1、当您付费下载文档后,您只拥有了使用权限,并不意味着购买了版权,文档只能用于自身使用,不得用于其他商业用途(如 [转卖]进行直接盈利或[编辑后售卖]进行间接盈利)。
2、本站所有内容均由合作方或网友上传,本站不对文档的完整性、权威性及其观点立场正确性做任何保证或承诺!文档内容仅供研究参考,付费前请自行鉴别。
3、如文档内容存在违规,或者侵犯商业秘密、侵犯著作权等,请点击“违规举报”。

碎片内容

燃料油贸易操作流程

确认删除?
VIP
微信客服
  • 扫码咨询
会员Q群
  • 会员专属群点击这里加入QQ群
客服邮箱
回到顶部