电脑桌面
添加小米粒文库到电脑桌面
安装后可以在桌面快捷访问

物流师国家职业资格二级操作技能VIP免费

物流师国家职业资格二级操作技能_第1页
1/7
物流师国家职业资格二级操作技能_第2页
2/7
物流师国家职业资格二级操作技能_第3页
3/7
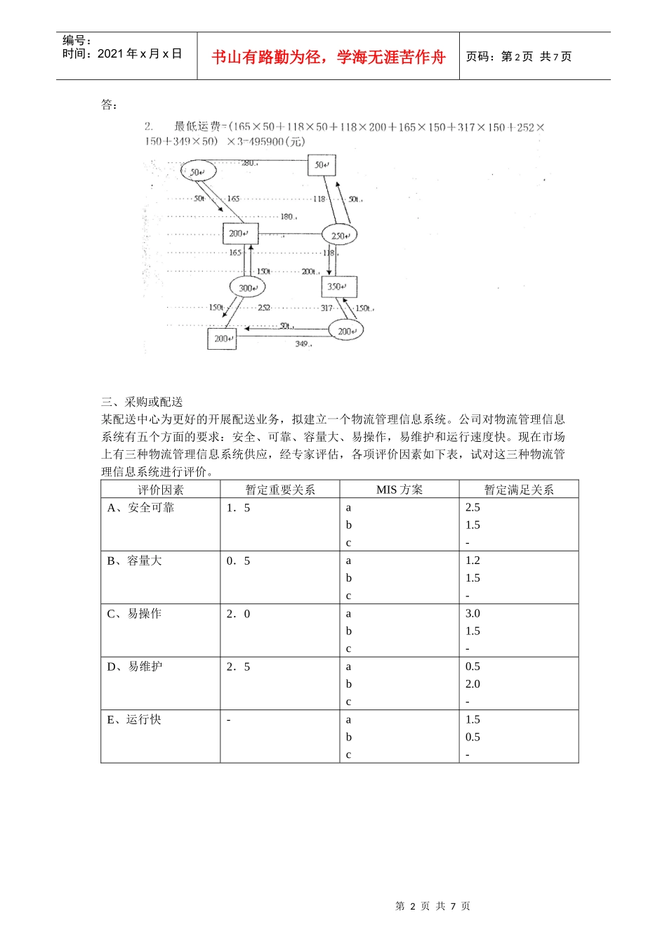
第1页共7页编号:时间:2021年x月x日书山有路勤为径,学海无涯苦作舟页码:第1页共7页2005年12月24日物流职业国家职业资格二级操作技能一、仓储存货管理某企业库存物料有11类,其库存物料品种和库存资金一览表,试用ABC法对库存物料进行分类。物料品种数量(件)库存金额(万元)1、钢材717448.62、建材430111.33、配套件142379.44、化工原料50039.15、标准件172229.36、杂品62132.27、工具153022.18、电工材料111421.59、汽车配件189014.810、劳动用品22114.011、齿轮10508.30合计11218820.6答:二、运输管理某运输公司有甲、乙、丙、丁四个仓库分别需要发运大米50吨、250吨、200吨和300吨到需求地。需求地有A、B、C、D四个客户,需要量分另为50吨、350吨、200吨和200吨。每吨公里为3元,请确定最优运输方案并计算最低运费。第2页共7页第1页共7页编号:时间:2021年x月x日书山有路勤为径,学海无涯苦作舟页码:第2页共7页答:三、采购或配送某配送中心为更好的开展配送业务,拟建立一个物流管理信息系统。公司对物流管理信息系统有五个方面的要求:安全、可靠、容量大、易操作,易维护和运行速度快。现在市场上有三种物流管理信息系统供应,经专家评估,各项评价因素如下表,试对这三种物流管理信息系统进行评价。评价因素暂定重要关系MIS方案暂定满足关系A、安全可靠1.5abc2.51.5-B、容量大0.5abc1.21.5-C、易操作2.0abc3.01.5-D、易维护2.5abc0.52.0-E、运行快-abc1.50.5-第3页共7页第2页共7页编号:时间:2021年x月x日书山有路勤为径,学海无涯苦作舟页码:第3页共7页四、生产物流某产品结构如下图,且各类零部件的库存量见下表,试计算各类零部件的需求量(A的市场需求量为100)。名称库存量总需求量实际需求量A0B250C14D20E40F16G54H10I6J40第4页共7页第3页共7页编号:时间:2021年x月x日书山有路勤为径,学海无涯苦作舟页码:第4页共7页答:案例1美国照明公司(ALP)主要生产荧光管。ALP有两个工厂分别位于克利夫兰和哥伦布地区。两个工厂向市场提供700多种产品,主要销售渠道有三条:工商企业(C&I)、消费者、和原始设备制造商(OEM),长期来C&I是公司的业务重点,但家居中心和折扣店的出现使消费者这条销售渠道规模越来越大,在整体营销战略中的地位越来越重要。OEM的市场规模很小R但它是打开潜在市场的重要一步,因为灯管坏的时候,消费者倾向于购买与原装灯稚一模一样的产品。每个分拨渠道都有独特的需求和库存要求。消费者渠道产:铺种类有限,但消费者要求最高,要么发货,要么取消订货:OEM往往订一种产品,而且是整车装运,当天收到货物,如果暂时无货,则转向其他供应商:C&I客户定购计划高度复杂,但多数客户只是定期补货以填货架,常常额外订单较多,且要求即刻送货。ALP将产成品存放在分布于全美各地的8个主分拨中心(MDC),每拨中心为这其所在的整个地区提供销售服务。各工厂以整车方式向MDC运送货物,大批量运输使得工厂能以规模经济进行生产。各工厂按周计划生产,尽量减少按朋计划生所出所出现的预测误差,每个MDC是供应该地区的中枢,其规模由地区规模决定。产品生产出来后,有下列因素确定向各分拨中心分配多少产品量:各MDC超出现有库存的现有客户订货量各MDC的库存低于基本库存水平的数量各MDC的服务区的预测销售量各MDC的基本库存水平是在历史销售水平的基础的上确定的。如果是新产品,就根据目标客户及其估计销量确定存货地点和基本库存水平均数。所有MDC的基本库存之和就是产品的系统库存目标值(NSO)。NSO是决定秤下一批产品的再订货点。客户通过地区销售人员订货,销售人员再将受订单送到中央客户服务中心,中央服务中心将订单输入订货系统,并根据客户邮政编码将订单相应的MDC,如订单订购是整车某种产品,订单将直接分配给工厂,由工厂直送。由于预测误差有时较大火。往往导致一个仓库缺货,而另一个仓库产品过剩。因此、导致前者延期交货或由产品过剩仓库履行订单。过去,ALP的席存管理策略上主要是保有库存以保证一定的生批量,同时满季节性很强的需要...

1、当您付费下载文档后,您只拥有了使用权限,并不意味着购买了版权,文档只能用于自身使用,不得用于其他商业用途(如 [转卖]进行直接盈利或[编辑后售卖]进行间接盈利)。
2、本站所有内容均由合作方或网友上传,本站不对文档的完整性、权威性及其观点立场正确性做任何保证或承诺!文档内容仅供研究参考,付费前请自行鉴别。
3、如文档内容存在违规,或者侵犯商业秘密、侵犯著作权等,请点击“违规举报”。

碎片内容

物流师国家职业资格二级操作技能

您可能关注的文档

确认删除?
VIP
微信客服
  • 扫码咨询
会员Q群
  • 会员专属群点击这里加入QQ群
客服邮箱
回到顶部