电脑桌面
添加小米粒文库到电脑桌面
安装后可以在桌面快捷访问

生产型小企业管理手册VIP免费

生产型小企业管理手册_第1页
1/40
生产型小企业管理手册_第2页
2/40
生产型小企业管理手册_第3页
3/40
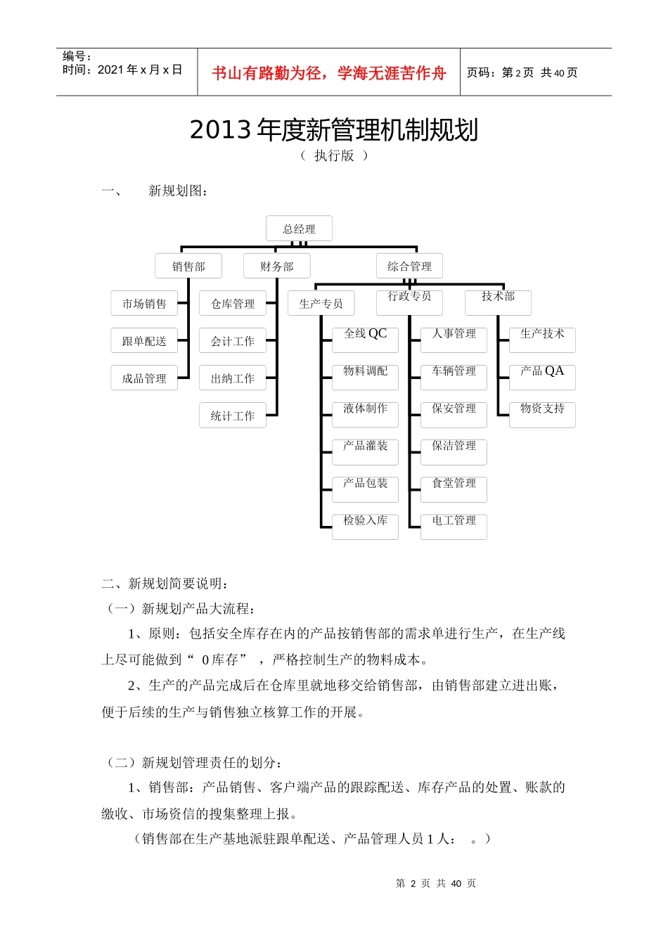
第1页共40页编号:时间:2021年x月x日书山有路勤为径,学海无涯苦作舟页码:第1页共40页小企业管理手册目录1、新管理机制规划2、销售部负责人管理责任状3、生产负责人管理责任状4、技术负责人管理责任状5、财务负责人管理责任状6、行政负责人管理责任状7、员工须知8、考勤管理细则9、年休假的说明10、奖惩管理办法第2页共40页第1页共40页总经理销售部财务部市场销售跟单配送仓库管理会计工作出纳工作统计工作综合管理生产专员行政专员技术部全线QC物料调配液体制作产品灌装产品包装检验入库人事管理车辆管理保安管理保洁管理食堂管理生产技术产品QA物资支持成品管理电工管理编号:时间:2021年x月x日书山有路勤为径,学海无涯苦作舟页码:第2页共40页2013年度新管理机制规划(执行版)一、新规划图:二、新规划简要说明:(一)新规划产品大流程:1、原则:包括安全库存在内的产品按销售部的需求单进行生产,在生产线上尽可能做到“0库存”,严格控制生产的物料成本。2、生产的产品完成后在仓库里就地移交给销售部,由销售部建立进出账,便于后续的生产与销售独立核算工作的开展。(二)新规划管理责任的划分:1、销售部:产品销售、客户端产品的跟踪配送、库存产品的处置、账款的缴收、市场资信的搜集整理上报。(销售部在生产基地派驻跟单配送、产品管理人员1人:。)第3页共40页第2页共40页编号:时间:2021年x月x日书山有路勤为径,学海无涯苦作舟页码:第3页共40页2、财务部:生产物料、管理物料的真实数据的比对控制,账物实际性的比对控制,出账入账的有效性控制,生产、销售基础数据的真实数据的统计分析,人工成本的有效性控制。(仓库管理、会计核算、进出资金操作把控、退税退费资金的操作把控、政府政策应用资金的操作把控、物料的单位统计和人员工资操作统计:10月份操作的9月份起的工资核算、10月份操作的7-8-9月第三季度起的社保补差款的申报办理;从10月份起仓库管理人员郭世杨划归财务部管理,仓管员日常工作在生产部。)3、生产专员:从物料到厂接料开始到配合销售部成品管理人员检验入库结束,其中包括全线QC、物料调配、液体制作、成品灌装包装、检验入库等等工作内容。仓管物料员----:来料数量核对,配套物料数量核对;半成品入库数据和产品入库数据,半成品和成品的质量检验的监督执行(半成品和成品的质量检验由技术部负责);每月实物盘点对财务部负责并接受财务部的日常管理,日常上班时间、工作内容随生产部。液体制作员----:按技术部的配方进行液体制作,负责生产全程的液体数量数据,液体实物每月进行实际过磅盘点并承担数量管理的直接责任。生产专员----:按销售部的需求进行安排组织生产,承担生产6大模块的管理责任。承担生产全程的品质过程控制的管理责任,品质过程控制的工作结果对技术部负责;承担生产全程的生产效率过程控制的管理责任,生产效率过程控制的工作结果对销售部负责;承担生产全程的成本控制的过程控制的管理责任,成本控制的过程控制的工作结果对财务部负责;承担生产全程的安全管理的过程控制的管理责任,安全管理的过程控制的工作结果对公司综合管理部负责;承担生产全程的人力资源效益过程控制的管理责任,人力资源效益过程控制的第4页共40页第3页共40页编号:时间:2021年x月x日书山有路勤为径,学海无涯苦作舟页码:第4页共40页工作结果对公司综合管理部负责;承担生产全程的行政监督过程控制的管理责任,行政监督过程控制的工作结果对公司综合管理部负责。4、行政专员----:主导监督管理人事工作、车辆管理、保安管理、保洁管理、食堂管理、电工管理等等管理工作。5、技术部----:负责液体部分的技术支持,承担包装物与液体接触部分的技术支持(原材料、包装材料的检验),整体产品的品质有效性的结果的技术支持(成品的合格检验),生产物料的品质数量的有效保证:最终在客户使用产品方面履行整体产品的品质保证责任------QA工作:公司认证资质的维护升级工作。以上规划从2013年10月4日起执行!特此通告!有限公司2013年10月04日销售部负责人管理责任状为了实质性地改善和强化公司各个职能部门的管理,明确各个部门的职...

1、当您付费下载文档后,您只拥有了使用权限,并不意味着购买了版权,文档只能用于自身使用,不得用于其他商业用途(如 [转卖]进行直接盈利或[编辑后售卖]进行间接盈利)。
2、本站所有内容均由合作方或网友上传,本站不对文档的完整性、权威性及其观点立场正确性做任何保证或承诺!文档内容仅供研究参考,付费前请自行鉴别。
3、如文档内容存在违规,或者侵犯商业秘密、侵犯著作权等,请点击“违规举报”。

碎片内容

生产型小企业管理手册

确认删除?
VIP
微信客服
  • 扫码咨询
会员Q群
  • 会员专属群点击这里加入QQ群
客服邮箱
回到顶部