电脑桌面
添加小米粒文库到电脑桌面
安装后可以在桌面快捷访问

牵引车及牵引车底盘产品描述VIP免费

牵引车及牵引车底盘产品描述_第1页
1/22
牵引车及牵引车底盘产品描述_第2页
2/22
牵引车及牵引车底盘产品描述_第3页
3/22
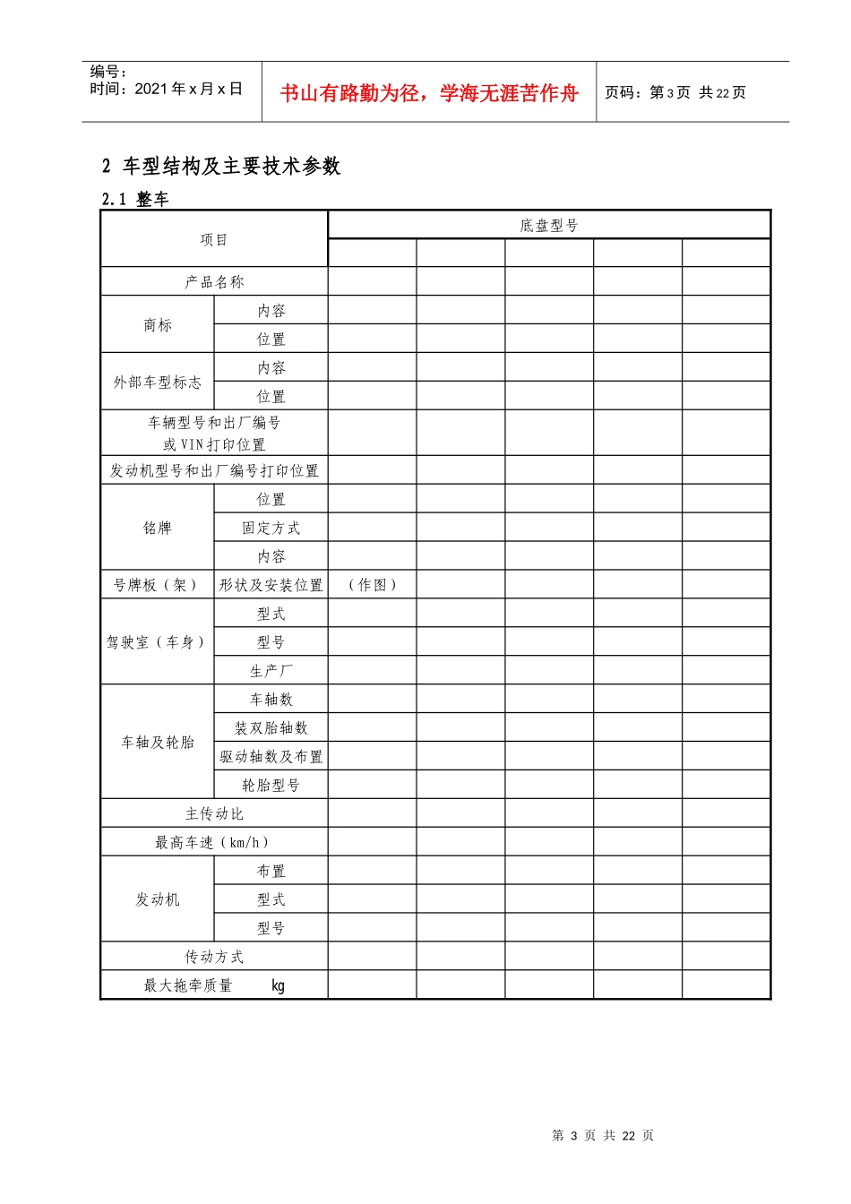
第1页共22页编号:时间:2021年x月x日书山有路勤为径,学海无涯苦作舟页码:第1页共22页牵引车及牵引车底盘产品描述(适用于牵引车及牵引车底盘)企业名称:(要求与申请书、工商注册等文件中的名称一致)注册商标:(要求与商标注册文件中一致)底盘类型:(单元底盘所属类型)型号和名称:(指单元产品型号和名称,如××型/××底盘)申请编号:1单元车型概况该单元包括(写具体种数)种车型,其中(写具体型号)为基本车型。该单元车型有(写具体型号)等(写具体种数)种车身(驾驶室),有(写具体型号)等(写具体种数)种发动机,有(写具体型号)等(写具体种数)种变速器,有(写具体轴距)等(写具体种数)种轴距。(单元中的非典型车型与典型车型的差异描述)(企业认为有必要对产品进行描述的内容,如驱动形式等)(典型的车型外廓尺寸简图和典型车型的正前、正后、正左、正右、正前45°外观照片及同单元中其他车型的正前45°外观照片)第2页共22页第1页共22页编号:时间:2021年x月x日书山有路勤为径,学海无涯苦作舟页码:第2页共22页(典型的制动系统工作示意和管路布置图)(典型的操纵件、指示器、信号装置图形标志说明及示意图)(典型的照明及信号装置的安装位置示意图)(产品型号编制规则)注:本描述适用车型M、N类的机动车辆,对于其中不适合的项目可以免填。第3页共22页第2页共22页编号:时间:2021年x月x日书山有路勤为径,学海无涯苦作舟页码:第3页共22页2车型结构及主要技术参数2.1整车项目底盘型号产品名称商标内容位置外部车型标志内容位置车辆型号和出厂编号或VIN打印位置发动机型号和出厂编号打印位置铭牌位置固定方式内容号牌板(架)形状及安装位置(作图)驾驶室(车身)型式型号生产厂车轴及轮胎车轴数装双胎轴数驱动轴数及布置轮胎型号主传动比最高车速(km/h)发动机布置型式型号传动方式最大拖牵质量㎏第4页共22页第3页共22页编号:时间:2021年x月x日书山有路勤为径,学海无涯苦作舟页码:第4页共22页续A2.1项目整车型号主传动比最高车速(km/h)发动机布置型式型号传动方式离合器型式变速器型式型号操纵杆位置前桥型式后桥型式悬架前悬架型式弹性元件型式钢板弹簧片数减振器型式导向机构型式后悬架型式弹性元件型式钢板弹簧片数减振器型式导向机构型式转向系转向器型式转向型式助力方式转向保护措施第5页共22页第4页共22页编号:时间:2021年x月x日书山有路勤为径,学海无涯苦作舟页码:第5页共22页转向盘位置调整续A2.1项目整车型号制动系行车制动系型式鼓或盘直径(mm)衬片或块尺寸(mm)驻车制动系型式应急制动系型式辅助制动系型式挂车自动制动系型式燃油箱位置备用燃油箱位置燃油箱容积(L)排气管位置车门数及布置、开启方向安全门数及布置刮水器型式、数量及布置洗涤器型式除霜除雾型式后视镜型式、数量及布置下视镜型式、数量及布置座椅型式、数量及布置安全带型式、数量及布置安全带下固定点位置安全气囊型式、数量及布置照明及信号装置数量、颜色R点坐标原点及坐标值外廓尺寸(mm)长宽高轴距(mm)第6页共22页第5页共22页编号:时间:2021年x月x日书山有路勤为径,学海无涯苦作舟页码:第6页共22页悬长(mm)前悬后悬续A2.1项目整车型号轮距(mm)前轴后轴最小转弯直径(m)左转右转接近角/离去角(°)驱动形式分动器型号形式接入方式整备质量(kg)整车前轴后轴可能拖挂的挂车的最大质量(kg)鞍座最大承载质量kg前回转半径mm鞍座至前轮距离mm鞍座及牵引销型号第7页共22页第6页共22页编号:时间:2021年x月x日书山有路勤为径,学海无涯苦作舟页码:第7页共22页2.2发动机项目发动机型号适用车型生产厂商标缸数及排列方式缸径(mm)行程(mm)排量(L)额定功率(kW)额定转速(r/min)最大扭距(N·m)最大扭矩转速(r/min)燃油型号怠速转速(r/min)冷却方式供油方式点火方式共极极性及电压(V)排气污染物控制装置氧传感器型号生产厂控制单元型号生产厂催化转化器型号生产厂喷油器型号生产厂喷油泵型号生产厂第8页共22页第7页共22页编号:时间:2021年x月x日书山有路勤为径,学海无涯苦作舟页码:第8页共22页续2.2项目发动机型号排气污染物控...

1、当您付费下载文档后,您只拥有了使用权限,并不意味着购买了版权,文档只能用于自身使用,不得用于其他商业用途(如 [转卖]进行直接盈利或[编辑后售卖]进行间接盈利)。
2、本站所有内容均由合作方或网友上传,本站不对文档的完整性、权威性及其观点立场正确性做任何保证或承诺!文档内容仅供研究参考,付费前请自行鉴别。
3、如文档内容存在违规,或者侵犯商业秘密、侵犯著作权等,请点击“违规举报”。

碎片内容

牵引车及牵引车底盘产品描述

您可能关注的文档

确认删除?
VIP
微信客服
  • 扫码咨询
会员Q群
  • 会员专属群点击这里加入QQ群
客服邮箱
回到顶部