电脑桌面
添加小米粒文库到电脑桌面
安装后可以在桌面快捷访问

钣金事业部产品展开计算方法[1]VIP免费

钣金事业部产品展开计算方法[1]_第1页
1/8
钣金事业部产品展开计算方法[1]_第2页
2/8
钣金事业部产品展开计算方法[1]_第3页
3/8
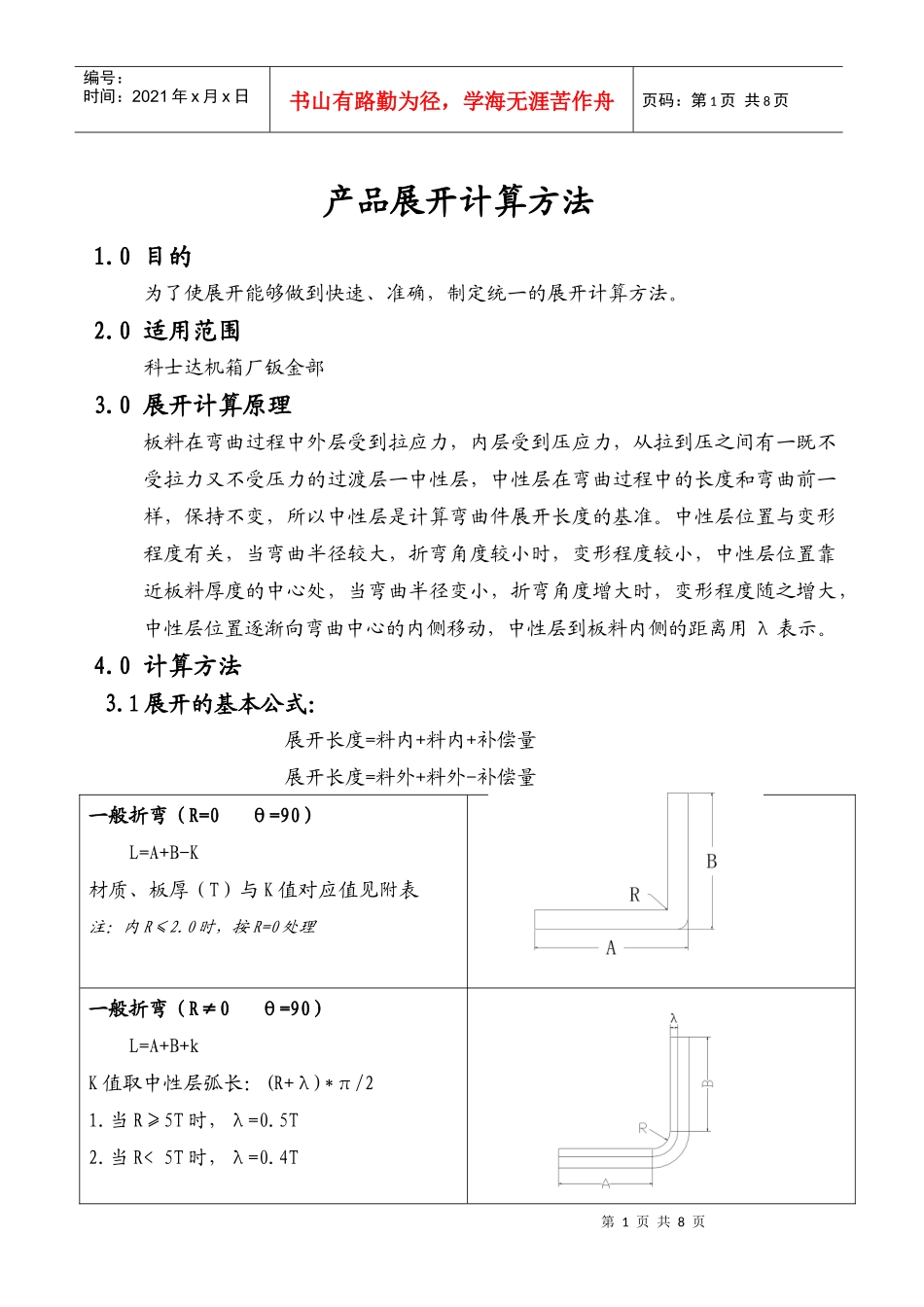
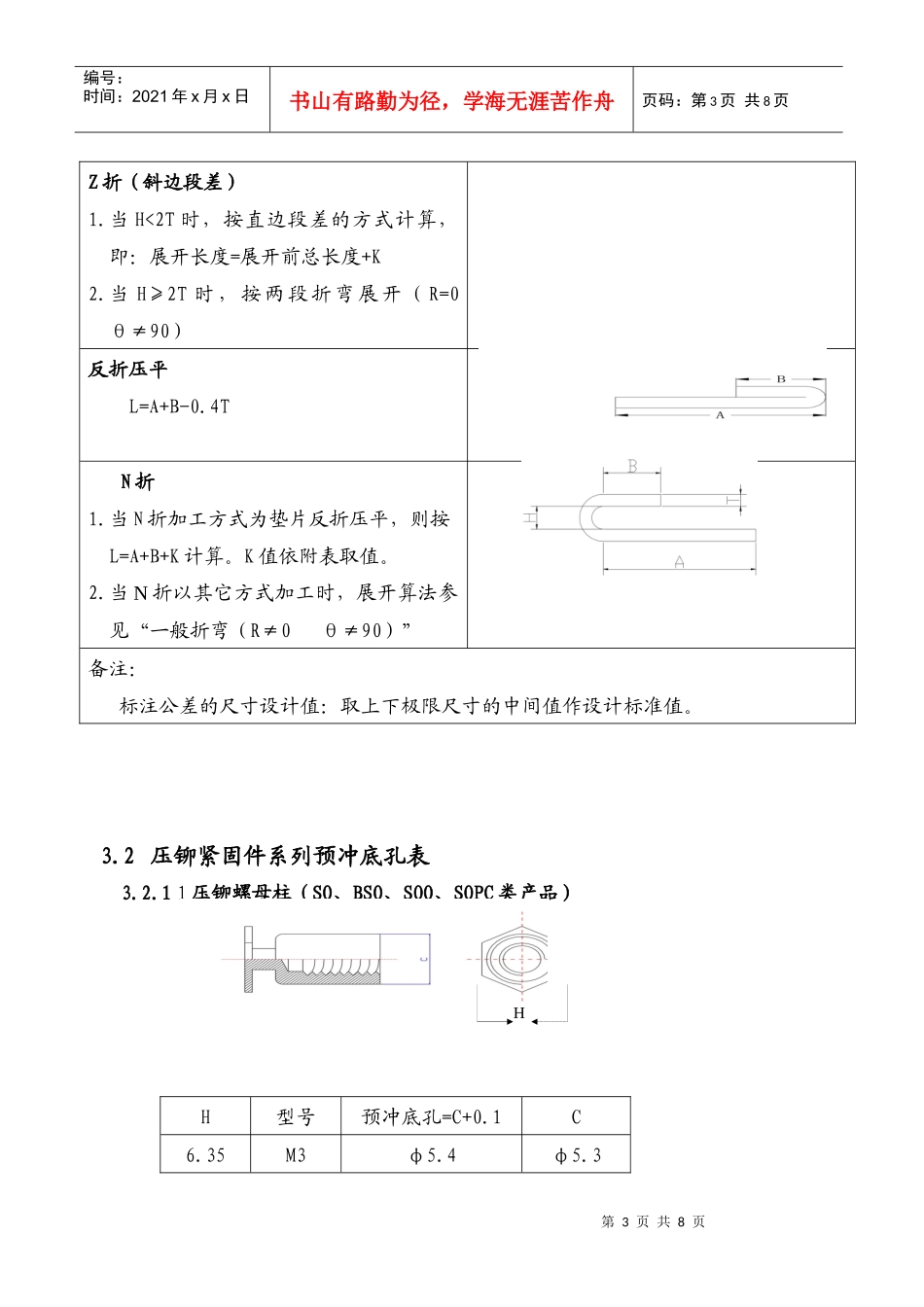
第1页共8页编号:时间:2021年x月x日书山有路勤为径,学海无涯苦作舟页码:第1页共8页产品展开计算方法1.0目的为了使展开能够做到快速、准确,制定统一的展开计算方法。2.0适用范围科士达机箱厂钣金部3.0展开计算原理板料在弯曲过程中外层受到拉应力,内层受到压应力,从拉到压之间有一既不受拉力又不受压力的过渡层一中性层,中性层在弯曲过程中的长度和弯曲前一样,保持不变,所以中性层是计算弯曲件展开长度的基准。中性层位置与变形程度有关,当弯曲半径较大,折弯角度较小时,变形程度较小,中性层位置靠近板料厚度的中心处,当弯曲半径变小,折弯角度增大时,变形程度随之增大,中性层位置逐渐向弯曲中心的内侧移动,中性层到板料内侧的距离用λ表示。4.0计算方法3.1展开的基本公式:展开长度=料内+料内+补偿量展开长度=料外+料外-补偿量一般折弯(R=0θ=90)L=A+B-K材质、板厚(T)与K值对应值见附表注:内R≤2.0时,按R=0处理一般折弯(R≠0θ=90)L=A+B+kK值取中性层弧长:(R+λ)*π/21.当R≥5T时,λ=0.5T2.当R<5T时,λ=0.4T第2页共8页第1页共8页编号:时间:2021年x月x日书山有路勤为径,学海无涯苦作舟页码:第2页共8页注:内R≤2.0时,按R=0处理.一般折弯(R=0θ≠90)L=A+B+(θ/90)*KK值依附表T0.81.01.21.5K0.350.40.50.6T2.02.53.04.5K0.80.91.01.3一般折弯(R≠0θ≠90)L=A+B+K1.当R≥5T时,λ=0.5T2.当R<5T时,λ=0.4Tk值取中性层弧长注:当R<2.0,且用折刀加工时,按R=0来计算。A、B依倒零角后的直边度值。Z折(直边段差)1.当H≥5T时,分两次成型,按两个90折弯计算。2.当H<5T时,一次成型。L=A+B+KK值依附表中参数取值第3页共8页第2页共8页编号:时间:2021年x月x日书山有路勤为径,学海无涯苦作舟页码:第3页共8页Z折(斜边段差)1.当H<2T时,按直边段差的方式计算,即:展开长度=展开前总长度+K2.当H≥2T时,按两段折弯展开(R=0θ≠90)反折压平L=A+B-0.4TN折1.当N折加工方式为垫片反折压平,则按L=A+B+K计算。K值依附表取值。2.当N折以其它方式加工时,展开算法参见“一般折弯(R≠0θ≠90)”备注:标注公差的尺寸设计值:取上下极限尺寸的中间值作设计标准值。3.2压铆紧固件系列预冲底孔表3.2.11压铆螺母柱(SO、BSO、SOO、SOPC类产品)H型号预冲底孔=C+0.1C6.35M3φ5.4φ5.3H第4页共8页第3页共8页编号:时间:2021年x月x日书山有路勤为径,学海无涯苦作舟页码:第4页共8页7M4φ6.1φ6.09M5φ7.2φ7.1111M6φ8.8φ8.7例:H6.35*12*5.95*M33.2.2胀铆螺母(Z类产品)型号预冲底孔=C+0.05CM35.055M46.056M58.058M69.059M811.0511例:Z-M3-1(2)3.2.3花齿压铆螺母(S类产品)螺丝规格C位大小总长H值大小适应板厚螺纹规格第5页共8页第4页共8页编号:时间:2021年x月x日书山有路勤为径,学海无涯苦作舟页码:第5页共8页型号预冲底孔CM34.254.22M45.45.38M56.46.38M68.758.72例:S-M3-1(2)3.2.4压铆螺钉(FH类产品)型号适合板厚预冲底孔FH-M3适合1.0以上板料3.0FH-M44.0FH-M55.0FH-M66.0例:FH-M3-10螺纹规格适应板厚螺纹规格总长度第6页共8页第5页共8页编号:时间:2021年x月x日书山有路勤为径,学海无涯苦作舟页码:第6页共8页3.2.5压铆螺钉(NFH类产品)型号适合板厚预冲底孔NFH-M3适合1.0以上板料4.8NFH-M44.8NFH-M55.0NFH-M66.0例:NFH–M3-10螺纹规格总长度第7页共8页第6页共8页编号:时间:2021年x月x日书山有路勤为径,学海无涯苦作舟页码:第7页共8页附表:常见展开数据1.一般折弯(R=0θ=90)L=A+B-KTK不锈钢铁板铜板0.71.21.11.10.81.41.31.31.01.71.61.61.22.22.02.01.52.62.52.52.03.53.33.22.54.03.05.25.04.84.06.66.54.57.67.47.25.08.586.0109.62.Z折(直边段差)当H<5T时,一次成型;L=A+B+K第8页共8页第7页共8页编号:时间:2021年x月x日书山有路勤为径,学海无涯苦作舟页码:第8页共8页HT0.50.81.01.21.51.62.03.20.50.10.80.20.10.11.00.50.20.20.20.20.21.51.00.70.50.30.30.30.30.22.01.51.21.00.80.50.40.40.32.52.01.71.51.31.00.90.50.43.02.52.22.01.81.51.41.00.53.52.72.52.32.01.91.50.64.03.23.02.82.52.42.00.84.53.73.53.33.02.92.51.35.04.03.83.53.43.01.83.N折形展开系数TH0.50.81.01.21.50.51.501.922.202.412.720.61.662.082.372.572.880.71.822.242.542.733.040.81.982.42.712.893.210.92.142.562.883.053.371.02.302.723.053.213.531.22.633.03.313.533.811.53.483.703.94.22

1、当您付费下载文档后,您只拥有了使用权限,并不意味着购买了版权,文档只能用于自身使用,不得用于其他商业用途(如 [转卖]进行直接盈利或[编辑后售卖]进行间接盈利)。
2、本站所有内容均由合作方或网友上传,本站不对文档的完整性、权威性及其观点立场正确性做任何保证或承诺!文档内容仅供研究参考,付费前请自行鉴别。
3、如文档内容存在违规,或者侵犯商业秘密、侵犯著作权等,请点击“违规举报”。

碎片内容

钣金事业部产品展开计算方法[1]

您可能关注的文档

确认删除?
VIP
微信客服
  • 扫码咨询
会员Q群
  • 会员专属群点击这里加入QQ群
客服邮箱
回到顶部