电脑桌面
添加小米粒文库到电脑桌面
安装后可以在桌面快捷访问

项目安全目标责任考核办法VIP免费

项目安全目标责任考核办法_第1页
1/13
项目安全目标责任考核办法_第2页
2/13
项目安全目标责任考核办法_第3页
3/13
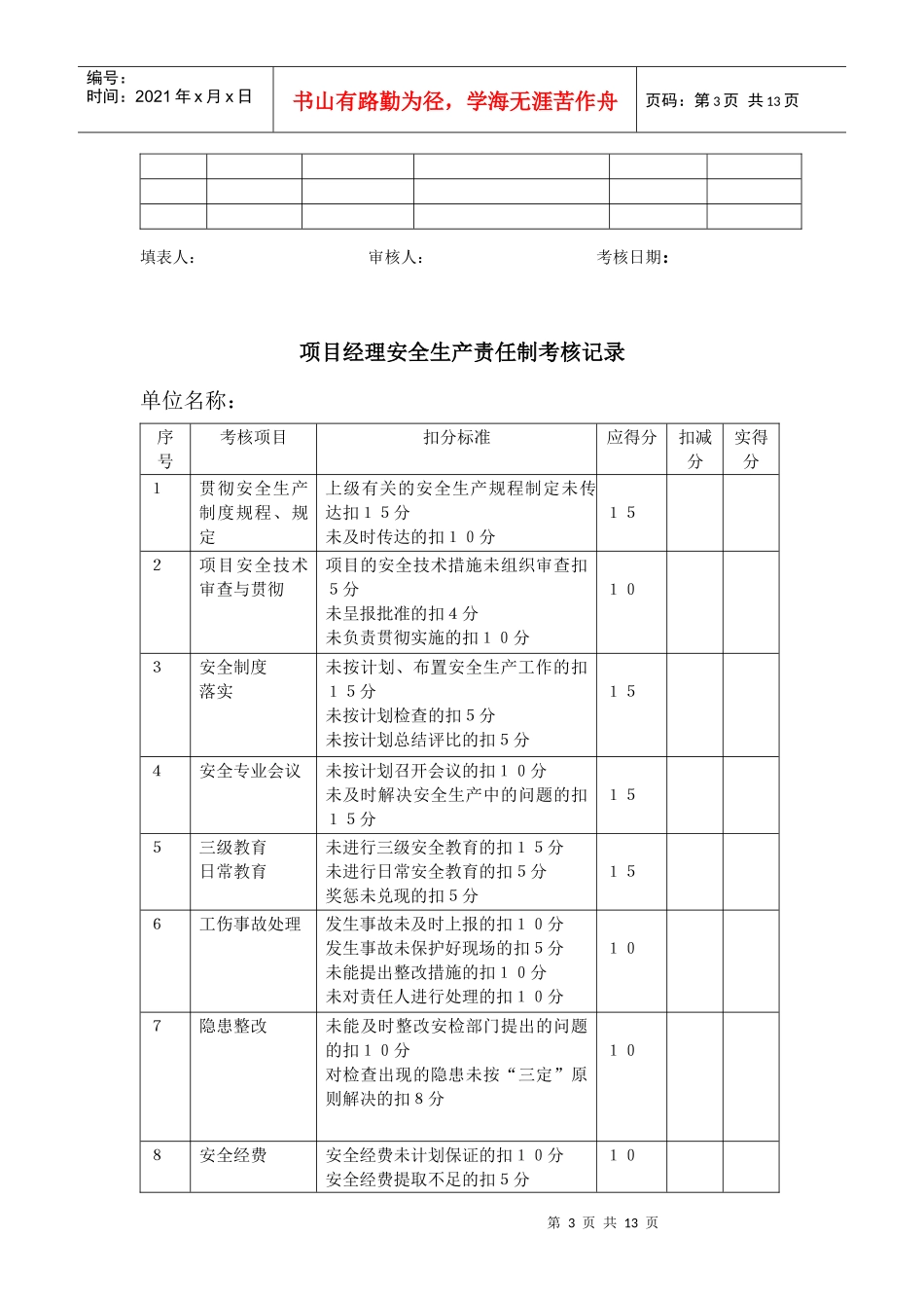
第1页共13页编号:时间:2021年x月x日书山有路勤为径,学海无涯苦作舟页码:第1页共13页项目安全目标责任考核办法为确保项目安全管理目标的实现,达到责任明确,责任落实到人,考核到人,特制定本考核办法。一、项目安全管理目标制定年、月达标计划,并将目标分解到人,责任落实到人,考核到人,特制定本考核办法。1、杜绝死亡事故及重伤事故,年轻伤事故频率少于3‰;2、确保每月施工安全及文明施工检查达优良标准;3、确保实现市级文明工地。二、考核细则1、用《建筑施工安全检查标准》(JGJ59-99)的各分项评分表,对各分项责任人进行打分考核。当分项检查评分表得分在70分以下时为不合格,70分(含70分)到80分为合格,80分及其以上者为优良。2、各分项检查评分表通过汇总得出的结果用来评价项目经理安全目标责任落实情况,因为项目经理对项目的安全生产负总责,是第一责任人,各级管理人员目标责任落实的好坏,直接体现了项目经理安全管理的业绩。3、评分表采用《建筑施工安全检查标准》(JGJ59-99)中的相关表格。4、评分方法参见《建筑施工安全检查标准》(JGJ59-99)中的相关内容。三、奖惩办法1、达优良等级的奖100~300元;2、达不到合格等级时,罚200~400元;连续三次达不到合格等级的项目管理人员除经济处罚外,将采取下岗处理措施。四、附表:项目管理人员安全目标责任考核记录汇总表单位名称:工程名称:序号分项名称责任人实得分经济挂钩备注姓名职务奖励罚款1安全管理(100分)2文明施工(100分)3脚手架(100分)4基坑支护(100分)5模板工程(100分)6三宝、四口防护(100)7施工用电(100分)8物料提升机(100分)9塔吊(100分)10外用电梯(100分)11超重吊装(100分)12施工机具(100分)小计评语:第2页共13页第1页共13页编号:时间:2021年x月x日书山有路勤为径,学海无涯苦作舟页码:第2页共13页填表人:审核人:考核日期:项目安全责任制考核办法安全生产责任制是企业安全生产各项规章制度的核心,严格考核是执行安全生产责任制的关键,为了确保安全生产责任制落到实处,特制定项目安全责任考核办法。五、考核目的考核项目管理人员安全生产责任制的执行情况,督促项目安全生产责任制的贯彻落实,激励项目安全管理机制的正常运行。六、考核对象项目部各级管理人员,即:项目经理、技术负责人、工长、安全员、质检员、材料员、消防保卫员、机械管理员、班组长等人员。七、考核办法1、采用评定表打分办法,应得分为100分,依据考核项目的完成情况和评分标准打分(详见考核评分表)。实得分80分及其以上者为优良,70分~80分为合格,70分以下为不合格。2、考核时间:项目部每月月底进行一次考核。3、实行逐级考核,分公司接受总公司考核,项目部经理接受分公司考核,项目部由项目经理对项目所属管理人员进行考核。八、奖惩办法1、对实得分80分及其以上达优良标准者,给予100~200元奖励,并作为年终安全风险抵押、评选先进的重要依据之一。2、对实得分70~80分的不奖不罚。3、对实得分为70分以下的管理人员视情节轻重,给予罚款100~200元,警告批评,以观后效或调离工作岗位等处理。4、安全生产责任制的考核奖惩均在月份工资中及时兑现。项目管理人员安全生产责任制考核记录汇总表单位名称:工程名称:序号姓名职务考核结果奖罚备注第3页共13页第2页共13页编号:时间:2021年x月x日书山有路勤为径,学海无涯苦作舟页码:第3页共13页填表人:审核人:考核日期:项目经理安全生产责任制考核记录单位名称:序号考核项目扣分标准应得分扣减分实得分1贯彻安全生产制度规程、规定上级有关的安全生产规程制定未传达扣15分未及时传达的扣10分152项目安全技术审查与贯彻项目的安全技术措施未组织审查扣5分未呈报批准的扣4分未负责贯彻实施的扣10分103安全制度落实未按计划、布置安全生产工作的扣15分未按计划检查的扣5分未按计划总结评比的扣5分154安全专业会议未按计划召开会议的扣10分未及时解决安全生产中的问题的扣15分155三级教育日常教育未进行三级安全教育的扣15分未进行日常安全教育的...

1、当您付费下载文档后,您只拥有了使用权限,并不意味着购买了版权,文档只能用于自身使用,不得用于其他商业用途(如 [转卖]进行直接盈利或[编辑后售卖]进行间接盈利)。
2、本站所有内容均由合作方或网友上传,本站不对文档的完整性、权威性及其观点立场正确性做任何保证或承诺!文档内容仅供研究参考,付费前请自行鉴别。
3、如文档内容存在违规,或者侵犯商业秘密、侵犯著作权等,请点击“违规举报”。

碎片内容

项目安全目标责任考核办法

精品中小学资料+ 关注
实名认证
内容提供者

精品文档

确认删除?
VIP
微信客服
  • 扫码咨询
会员Q群
  • 会员专属群点击这里加入QQ群
客服邮箱
回到顶部