电脑桌面
添加小米粒文库到电脑桌面
安装后可以在桌面快捷访问

高填路堤强夯施工技术应用报告VIP免费

高填路堤强夯施工技术应用报告_第1页
1/36
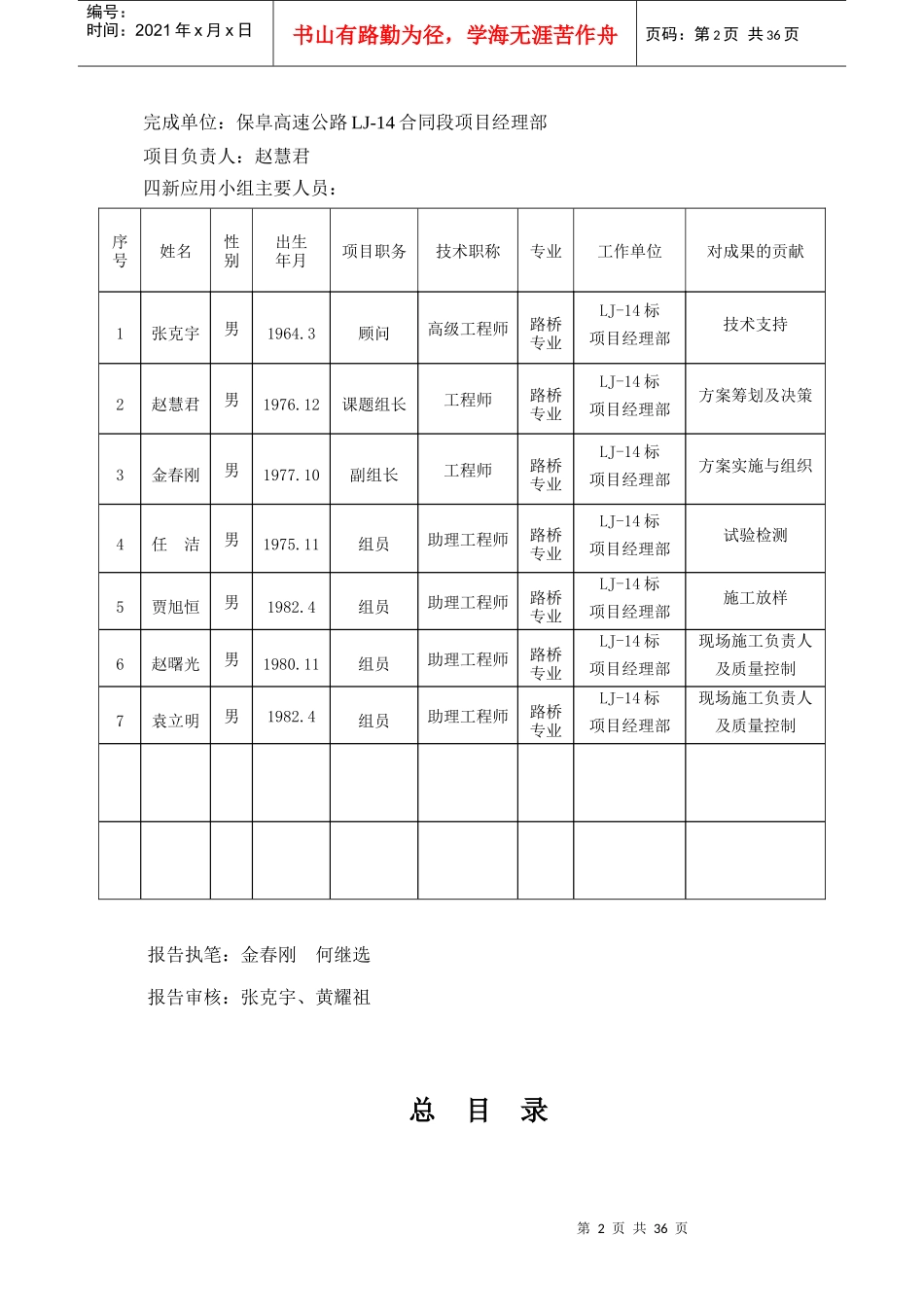
高填路堤强夯施工技术应用报告_第2页
2/36
高填路堤强夯施工技术应用报告_第3页
3/36
第1页共36页编号:时间:2021年x月x日书山有路勤为径,学海无涯苦作舟页码:第1页共36页中交集团一公局第三工程有限公司四新技术应用项目编号:《山岭地区高填路堤强夯施工技术应用》总结报告中交第一公路工程局第三工程有限公司保阜高速公路LJ-14合同段项目部二00八年十一月主持单位:中交集团一公局第三工程有限公司第2页共36页第1页共36页编号:时间:2021年x月x日书山有路勤为径,学海无涯苦作舟页码:第2页共36页完成单位:保阜高速公路LJ-14合同段项目经理部项目负责人:赵慧君四新应用小组主要人员:序号姓名性别出生年月项目职务技术职称专业工作单位对成果的贡献1张克宇男1964.3顾问高级工程师路桥专业LJ-14标项目经理部技术支持2赵慧君男1976.12课题组长工程师路桥专业LJ-14标项目经理部方案筹划及决策3金春刚男1977.10副组长工程师路桥专业LJ-14标项目经理部方案实施与组织4任洁男1975.11组员助理工程师路桥专业LJ-14标项目经理部试验检测5贾旭恒男1982.4组员助理工程师路桥专业LJ-14标项目经理部施工放样6赵曙光男1980.11组员助理工程师路桥专业LJ-14标项目经理部现场施工负责人及质量控制7袁立明男1982.4组员助理工程师路桥专业LJ-14标项目经理部现场施工负责人及质量控制报告执笔:金春刚何继选报告审核:张克宇、黄耀祖总目录第3页共36页第2页共36页编号:时间:2021年x月x日书山有路勤为径,学海无涯苦作舟页码:第3页共36页1验收大纲…………………………………………………………………………………42工作报告…………………………………………………………………………63技术研究报告………………………………………………………………………………84社会经济效益分析报告……………………………………………………………………275应用单位使用情况报告……………………………………………………………………296经费使用情况报告…………………………………………………………………………317其他文件………………………………………………………………………………………33附件1:施工照片………………………………………………………………………………34第4页共36页第3页共36页编号:时间:2021年x月x日书山有路勤为径,学海无涯苦作舟页码:第4页共36页验收大纲第5页共36页第4页共36页编号:时间:2021年x月x日书山有路勤为径,学海无涯苦作舟页码:第5页共36页四新技术应用项目验收大纲一、项目来源:中交集团一公局第三工程有限公司“四新技术”应用项目:二、组织验收单位:中交集团一公局第三工程有限公司技术委员会主持验收单位:中交集团一公局第三工程有限公司技术发展科三、验收形式:会议验收。由组织验收单位召集公司相关处室负责人组成验收委员会,并委托公司技术发展科主持验收工作。四、验收目的为有效、合理地组织管理四新技术应用项目,评价四新技术应用项目合同执行的质量和效果,以有利于推动企业的科技进步。五、验收依据1、中交集团一公局《技术创新与科技开发管理办法》;2、项目合同书;3、相关的技术标准、规范和规程等。六、验收内容1、依据合同书,对项目的合同任务完成情况和经费使用情况进行考核评价;2、审查该项目的技术资料是否齐全,数据是否正确、详实、符合有关规定;3、审查成果在实际应用中的效果及效益等情况。七、提供的技术文件1、验收大纲2、工作报告3、技术应用报告4、社会经济效益分析报告5、应用单位使用情况报告6、经费使用情况报告7、其它文件(1)施工照片第6页共36页第5页共36页编号:时间:2021年x月x日书山有路勤为径,学海无涯苦作舟页码:第6页共36页工作报告工作报告保阜高速公路LJ-14合同段,里程桩号为K108+200~K119+000,线路总长10.8Km,本标段地处太行山山岭重丘区,有多处高填方路基工程,高填方路基强夯施工在本标段有较多的应用。通过对本施工技术的应用,掌握其技术原理和施工机理,第7页共36页第6页共36页编号:时间:2021年x月x日书山有路勤为径,学海无涯苦作舟页码:第7页共36页总结出高填方路基强夯的成套施工技术。保阜高速公路LJ-14合同段,针对高填方路基强夯施工特点,同时为了保证工...

1、当您付费下载文档后,您只拥有了使用权限,并不意味着购买了版权,文档只能用于自身使用,不得用于其他商业用途(如 [转卖]进行直接盈利或[编辑后售卖]进行间接盈利)。
2、本站所有内容均由合作方或网友上传,本站不对文档的完整性、权威性及其观点立场正确性做任何保证或承诺!文档内容仅供研究参考,付费前请自行鉴别。
3、如文档内容存在违规,或者侵犯商业秘密、侵犯著作权等,请点击“违规举报”。

碎片内容

高填路堤强夯施工技术应用报告

确认删除?
VIP
微信客服
  • 扫码咨询
会员Q群
  • 会员专属群点击这里加入QQ群
客服邮箱
回到顶部