电脑桌面
添加小米粒文库到电脑桌面
安装后可以在桌面快捷访问

高速桥梁施工组织设计VIP免费

高速桥梁施工组织设计_第1页
1/50
高速桥梁施工组织设计_第2页
2/50
高速桥梁施工组织设计_第3页
3/50
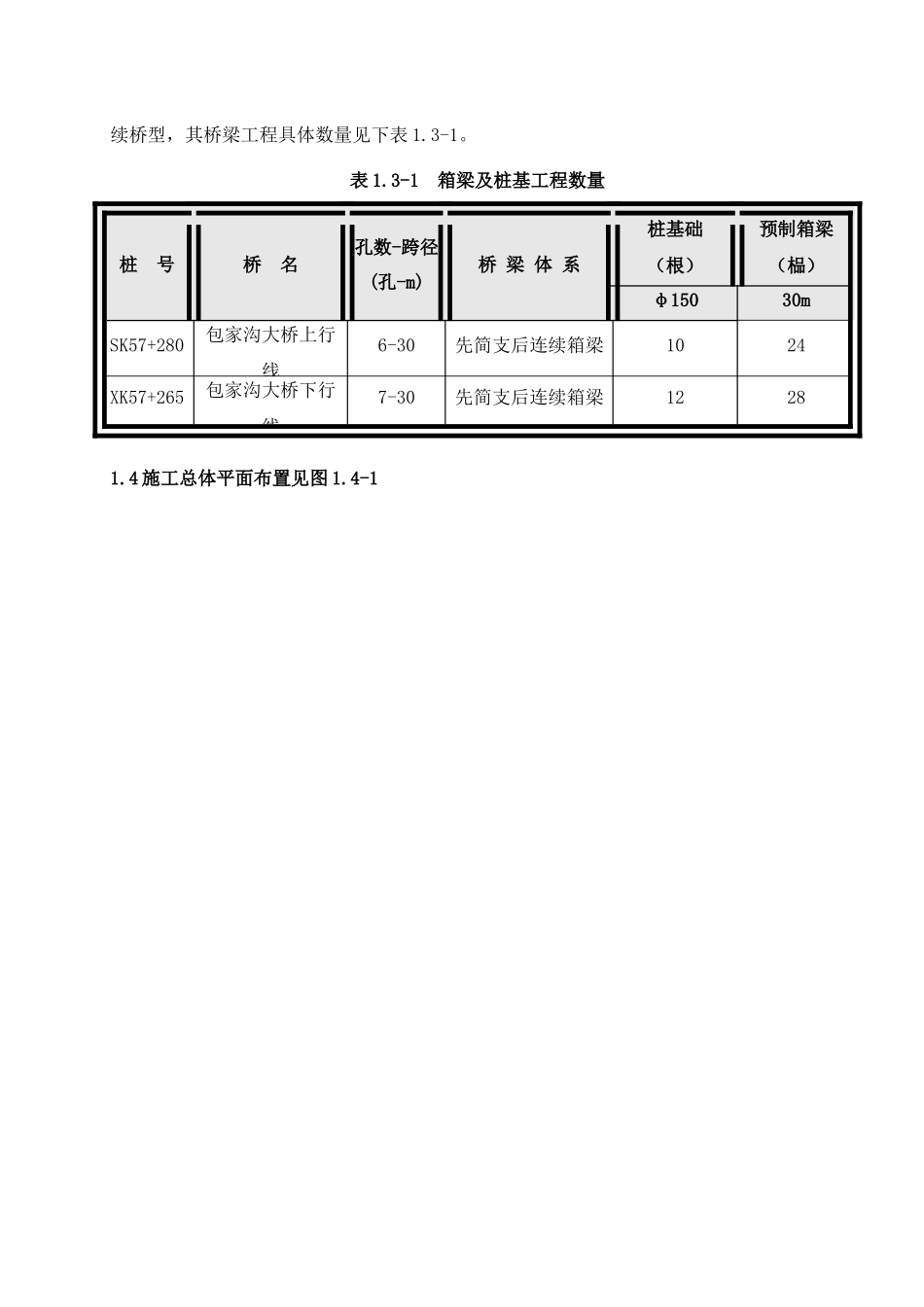
BT12标桥梁施工方案第一章工程概述1.1、连霍高速国道主干线(GZ45)宝(鸡)天(水)高速BT12标设花石山沟大桥(SK54+126上行线和XK54+140下行线)、包家沟大桥(SK57+280上行线和XK57+265下行线)两座大桥。1.2、花石山沟大桥桥址位于西秦岭低中山兰花河河谷区,该桥横跨兰花河,兰花河水自北向南流(该段),属嘉陵江水系。兰花河河谷呈“U”型谷,河谷宽120m~200m河谷地形比较平坦,左右两岸斜坡坡角40。~50。,地面高程1635m~1670m,高差35m。两岸斜坡山体植被发育。此桥上行线SK54+126和下行线XK54+140桥型均为3×30m+4×30m先简支后连续预应力混凝土箱梁。桥址区地层:下部为古生界震旦系~中奥陶系葫芦河群(Z-O2)H石英片岩、变安山岩、变泥质砂岩;上部为第四系冲洪积物、坡积物(Q42al+pl、Q41al+pl、Q4dl);第四系全新统冲洪积物(Q42al+pl)分布于兰花河河床及漫滩,由灰褐色卵石组成,厚度5.00m~8.00m;冲洪积物(Q41al+pl)组成兰花河河谷两岸的一级阶地,主要褐黄色亚粘土及杂色卵石组成,厚度8.00m~12.00m。在SK54+310孔内夹有构造角砾岩。灰色、灰绿色,岩性杂乱,穿插石英岩脉。此桥址地基稳定性较好。下部结构0#桥台及1#~6#墩为柱式墩、柱式台,此桥梁桩基为嵌岩桩,其成孔方案为两种,即采用挖孔桩、钻孔桩;7#桥台为U型台,扩大基础。上部结构箱梁为预制安装,结构体系均为先简支后连续桥型,其桥梁工程具体数量见下表1.2-1。表1.2-1箱梁及桩基工程数量桩号桥名孔数-跨径(孔-m)桥梁体系桩基础(根)预制箱梁(榀)φ15030mSK54+126花石山沟大桥上行线7-30先简支后连续箱梁1428XK54+140花石山沟大桥下行线7-30先简支后连续箱梁14281.3、包家沟大桥路线跨越河谷,桥址位于西秦岭低中山包家沟河谷区,该桥横跨包家沟河,包家沟河水自北向南流,属嘉陵江水系。兰花河河谷呈“U”型谷,河谷宽100m~120m,河谷地形比较平坦,左右两岸斜坡坡角30。~40。,地面高程1580m~1606m,高差26m。两岸斜坡山体植被发育。此桥上行线SK57+280桥型为3×30m+3×30m先简支后连续预应力混凝土箱梁;下行线SK57+265桥型为3×30m+4×30m先简支后连续预应力混凝土箱梁。桥址区地层:下部为古生界震旦系~中奥陶系葫芦河群(Z-O2)H石英片岩、变安山岩、变泥质砂岩;上部为第四系冲洪积物、坡积物、人工堆积物(Q42al+pl、Q41al+pl、Q4me、Q4dl);第四系全新统冲洪积物(Q42al+pl、Q41al+pl)分布于包家沟河床及漫滩、一级阶地,由灰褐色漂石组成,厚度4.00m~8.30m;坡积物(Q4dl)分布于河谷两岸的斜坡地带,主要褐黄色、褐灰色亚粘土(含碎石)组成,人工堆积物(Q4me),为矿渣及尾矿淤积坝。夹有构造角砾岩,灰黄、浅灰、深灰色,岩芯中可见岩层挤压、扭曲现象,母岩为绿泥石英片岩。地层有断层通过,片岩节理发育,地层较破碎。第四纪以来无明显活动迹象,所以此桥地基属稳定地段。下部结构为桩基础、柱式墩,桩基为嵌岩桩,其成孔方案为两种,即采用挖孔桩、钻孔桩;桥台为“U”台,扩大基础。上部结构箱梁为预制安装,结构体系均为先简支后连续桥型,其桥梁工程具体数量见下表1.3-1。表1.3-1箱梁及桩基工程数量桩号桥名孔数-跨径(孔-m)桥梁体系桩基础(根)预制箱梁(榀)φ15030mSK57+280包家沟大桥上行线6-30先简支后连续箱梁1024XK57+265包家沟大桥下行线7-30先简支后连续箱梁12281.4施工总体平面布置见图1.4-1图1.4-1桥梁队施工总体平面布置图第二章基础施工2.1桩基施工桩基成孔是桥梁施工的关键工序,直接影响桩基工期,因此,选择合理的工期和能够适应现场的成孔方案至关重要,由于地质地形及工期的原因,最终确定成孔方案为两种即采用挖孔桩、钻孔桩施工。对于地下水位较低、场地狭小的桩基采用挖孔桩施工。对部分地下水位较高的桩基采用钻孔桩施工。(1)钻孔桩施工对于大桥地下水位较高、地质复杂的桩基均采用钻孔桩施工。此桥桩基直径为φ1.5m,钻孔桩主要采用高性能膨润土泥浆护壁,视地质情况不同采用冲击钻施工。钻孔桩施工工艺见图2.1-1,钻孔桩施工工艺流程框图见图2.1-2。图2.1-1钻孔桩施工工艺示意图①钻机选型及施工准备工作测量放线钻孔平台搭建...

1、当您付费下载文档后,您只拥有了使用权限,并不意味着购买了版权,文档只能用于自身使用,不得用于其他商业用途(如 [转卖]进行直接盈利或[编辑后售卖]进行间接盈利)。
2、本站所有内容均由合作方或网友上传,本站不对文档的完整性、权威性及其观点立场正确性做任何保证或承诺!文档内容仅供研究参考,付费前请自行鉴别。
3、如文档内容存在违规,或者侵犯商业秘密、侵犯著作权等,请点击“违规举报”。

碎片内容

高速桥梁施工组织设计

确认删除?
VIP
微信客服
  • 扫码咨询
会员Q群
  • 会员专属群点击这里加入QQ群
客服邮箱
回到顶部