电脑桌面
添加小米粒文库到电脑桌面
安装后可以在桌面快捷访问

压力机计算设计VIP免费

压力机计算设计_第1页
1/52
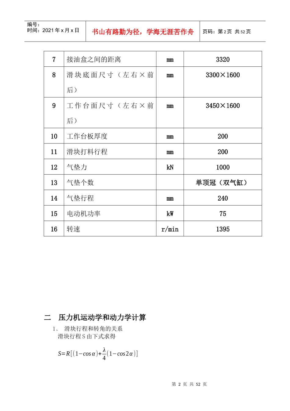
压力机计算设计_第2页
2/52
压力机计算设计_第3页
3/52
第1页共52页编号:时间:2021年x月x日书山有路勤为径,学海无涯苦作舟页码:第1页共52页一压力机主要技术参数二压力机运动学和动力学计算三电动机功率和飞轮的转动惯量的计算四、飞轮部分实际转动惯量五、齿轮啮合及齿轮强度的验算六、皮带轮传动的计算七离合器和制动器部分的计算八滑块部分计算九机身强度计算一压力机主要技术参数序号名称单位技术参数1公称力kN63002公称力行程mm133滑块行程mm5004滑块行程次数min-1105最大装模高度mm10006装模高度调节量mm340第2页共52页第1页共52页编号:时间:2021年x月x日书山有路勤为径,学海无涯苦作舟页码:第2页共52页7接油盒之间的距离mm33208滑块底面尺寸(左右×前后)mm3300×16009工作台面尺寸(左右×前后)mm3450×160010工作台板厚度mm20011滑块打料行程mm20012气垫力kN100013气垫个数单顶冠(双气缸)14气垫行程mm24015电动机功率kW7516转速r/min1395二压力机运动学和动力学计算1﹑滑块行程和转角的关系滑块行程S由下式求得S=R[(1−cosα)+λ4(1−cos2α)]第3页共52页第2页共52页编号:时间:2021年x月x日书山有路勤为径,学海无涯苦作舟页码:第3页共52页式中:R—曲轴半径R=250mmα—曲轴转角0-360度L—连杆长度L=1050mmλ—连杆系数λ=RL=2501050=0.238在不同α值求得S值列于下表:单位(毫米)第4页共52页第3页共52页编号:时间:2021年x月x日书山有路勤为径,学海无涯苦作舟页码:第4页共52页当发生公称力时,曲轴转角由下式求得:cosαp=R2+(R+L−Sp)2−L22R(R+L−Sp)式中:Sp—发生公称力时,滑块离下死点距离Sp=13mm第5页共52页第4页共52页编号:时间:2021年x月x日书山有路勤为径,学海无涯苦作舟页码:第5页共52页代入得cosαp=2502+(250+1050−13)2−105022×250×(250+1050−13)=0.9565αp=cos−10.9565=16.70°2、滑块速度与转角的关系V=ω⋅R(sinα+λ2sin2α)式中V—滑块的速度ω—曲柄等速旋转时的角速度,ω=π⋅n30=0.105nn—滑块每分钟行程次数当滑块每分钟行程次数为10次/分ω=0.105n=0.105×10=1.05弧度/秒ω⋅R=1.05×250=262.5毫米/秒根据上式可列下表:单位(毫米/秒)第6页共52页第5页共52页编号:时间:2021年x月x日书山有路勤为径,学海无涯苦作舟页码:第6页共52页3、滑块的加速度与曲转角的关系J=−ω2⋅R(cosα+λcos2α)α—曲柄旋转角度0-360度ω—曲柄等速旋转时的角速度,ω=π⋅n30=0.105nn—滑块每分钟行程次数10次/分J—滑块加速度米/秒2\第7页共52页第6页共52页编号:时间:2021年x月x日书山有路勤为径,学海无涯苦作舟页码:第7页共52页由上式可知:当α=0度和α=180度时具有最大加速度Jmax=-1.0472×1.0472×250×(1+0.238)=-339.4m/s24、曲柄上最大扭矩的计算3.1摩擦力臂的计算M=p(mt+mμ)式中:p—公称压力,p=630000kgmμ—摩擦当量力臂mμ=μ2[(1+λ)dA+λ⋅dB+d0]=0.03×[(1+0.238)×0.86+0.238×0.15+0.26]=0.04081mμ—摩擦系数,μ=0.06dA—曲轴颈直径,dA=860mmJmax=−ω2⋅R(cosα+λcos2α)第8页共52页第7页共52页编号:时间:2021年x月x日书山有路勤为径,学海无涯苦作舟页码:第8页共52页dB—球头直径,dB=150mmd0—曲轴支承颈直径,d0=260mmmt—理想当量力臂mt=R(sinα+λ2sin2α)=0.25(sin16.7°+0.2382sin(2×16.7)°)=0.088227m将以上数值代入上式:曲轴传递的扭矩:Mk=P(mt+mμ)=630000×(0.04081+0.08827)=81270Kgf⋅m对双点压力机,每个齿轮承受的扭矩为总扭矩的5/8=0.625第9页共52页第8页共52页编号:时间:2021年x月x日书山有路勤为径,学海无涯苦作舟页码:第9页共52页每个齿轮承受的扭矩M单单个曲轴传递的扭矩:M单=5pg8(mt+mμ)=58×630×103×0.129=50800kgf⋅m5﹑传动轴上的扭距Mc=MKη⋅i低=812700.97×5.06=16558kgf.mM取C=16560kgf.m6﹑离合器轴的扭距ML=MCη⋅i高=165600.97×7.69=2219.780kgf.mM取L=2220kgf.m7﹑滑块上允许的载荷的确定传动系统的零部件是以曲轴上最大扭距MK=Pg⋅mK设计的.滑块上允许负载在滑块行程范围内变化的,滑块行程在下死点13mm处滑块的允许压力称其公称力,即滑块的公称力P=Pg=6300000KN,当α≻170时,Pg...

1、当您付费下载文档后,您只拥有了使用权限,并不意味着购买了版权,文档只能用于自身使用,不得用于其他商业用途(如 [转卖]进行直接盈利或[编辑后售卖]进行间接盈利)。
2、本站所有内容均由合作方或网友上传,本站不对文档的完整性、权威性及其观点立场正确性做任何保证或承诺!文档内容仅供研究参考,付费前请自行鉴别。
3、如文档内容存在违规,或者侵犯商业秘密、侵犯著作权等,请点击“违规举报”。

碎片内容

压力机计算设计

精品中小学资料+ 关注
实名认证
内容提供者

精品文档

确认删除?
VIP
微信客服
  • 扫码咨询
会员Q群
  • 会员专属群点击这里加入QQ群
客服邮箱
回到顶部