电脑桌面
添加小米粒文库到电脑桌面
安装后可以在桌面快捷访问

新华信-德龙钢铁铆焊工绩效考核表VIP专享VIP免费

新华信-德龙钢铁铆焊工绩效考核表_第1页
1/2
新华信-德龙钢铁铆焊工绩效考核表_第2页
2/2
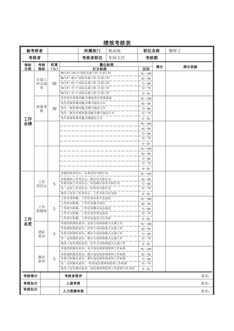
绩效考核表被考核者所属部门机动处职位名称铆焊工考核者考核者职位车间主任考核期指标分类考核指标权重(%)量化标准得分得分依据打分标准区间工作业绩计划工时完成率5090≤P≤100,P=实际完成工时/计划工时91-10080≤P﹤90,P=实际完成工时/计划工时81-9070≤P﹤80P=实际完成工时/计划工时71-8050≤P﹤70P=实际完成工时/计划工时51-7000≤P﹤50P=实际完成工时/计划工时0-50质量考核30没有发生质量问题,并避免其它质量事故91-100发生次要质量问题,次数不超过2次81-90发生一般质量问题,次数不超过2次71-80发生一般及次要质量问题,次数不超过5次51-70发生重要质量问题,次数超过2次0-5091-10081-9071-8051-700-5091-10081-9071-8051-700-50工作态度工作责任心5有强烈的责任心,从来没有失职行为91-100有较强的工作责任心,极少有失职行为81-90有相当的工作责任心,但是偶尔也有失职行为71-80有一定的工作责任心,时常有失职行为51-70基本上没有工作责任心,工作失职习以为常0-50工作积极性5工作非常积极,工作任务从来不会延迟91-100工作较为积极,工作任务极少延迟81-90工作相当积极,工作任务偶尔也会延迟71-80工作不太积极,工作任务经常会延迟51-70工作很不积极,工作任务延迟习以为常0-50团队意识5有强烈的团队意识,总是主动协助他人完成工作91-100有较强的团队意识,经常主动协助他人完成工作81-90有相当的团队意识,偶尔主动协助他人完成工作71-80有一定的团队意识,极少主动协助他人完成工作51-70基本上没有团队意识,从不主动协助他人完成工作0-50服从意识5有强烈的服从意识,从不违反规章制度和工作标准91-100有较强的服从意识,极少违反规章制度和工作标准81-90有相当的服从意识,偶尔违反规章制度和工作标准71-80有一定的服从意识,时常违法规章制度和工作标准51-70基本上没有服从意识,违反规章制度和工作标准习以为常0-50考核得分考核者简评签名:审核加分上级审核签名:审核扣分人力资源审核签名:最后得分审批签名:

1、当您付费下载文档后,您只拥有了使用权限,并不意味着购买了版权,文档只能用于自身使用,不得用于其他商业用途(如 [转卖]进行直接盈利或[编辑后售卖]进行间接盈利)。
2、本站所有内容均由合作方或网友上传,本站不对文档的完整性、权威性及其观点立场正确性做任何保证或承诺!文档内容仅供研究参考,付费前请自行鉴别。
3、如文档内容存在违规,或者侵犯商业秘密、侵犯著作权等,请点击“违规举报”。

碎片内容

新华信-德龙钢铁铆焊工绩效考核表

确认删除?
VIP
微信客服
  • 扫码咨询
会员Q群
  • 会员专属群点击这里加入QQ群
客服邮箱
回到顶部