电脑桌面
添加小米粒文库到电脑桌面
安装后可以在桌面快捷访问

2009下半年网络规划师考试真题及答案-下午卷VIP专享VIP免费

2009下半年网络规划师考试真题及答案-下午卷_第1页
1/22
2009下半年网络规划师考试真题及答案-下午卷_第2页
2/22
2009下半年网络规划师考试真题及答案-下午卷_第3页
3/22
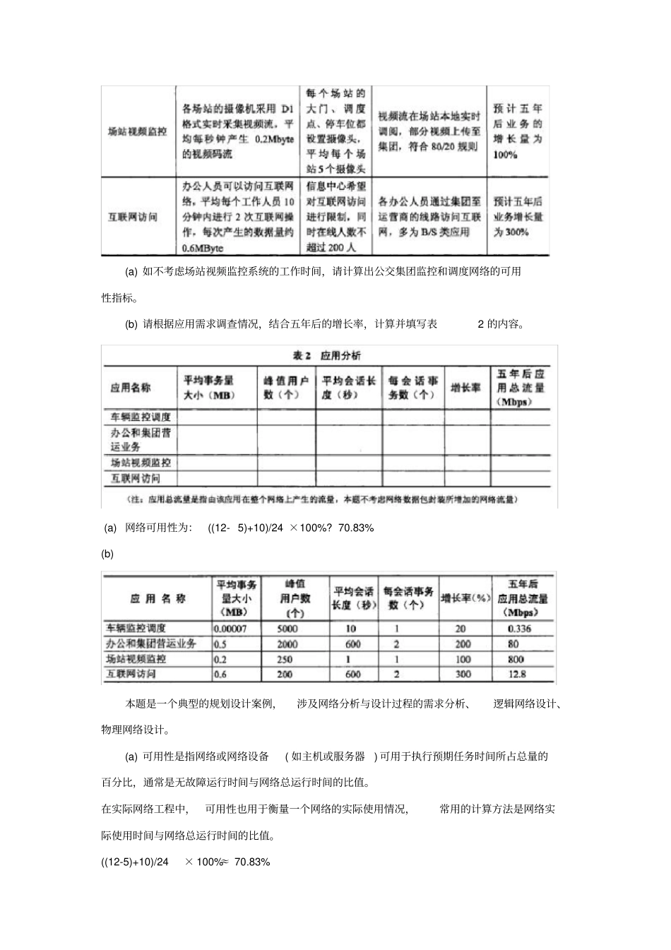
2009下半年网络规划师考试真题及答案-下午卷试题一阅读以下关于某城市公交集团企业网络设计的叙述,回答问题1、问题2和问题3。某城市公交集团营运公司根据城市发展的需要,制定了公交集团2006年至2010年的信息规划。在规划中明确提出在集团范围内建设一个用于公交车辆监控、调度的企业网络,利用先进的信息化技术改造传统的管理和运作模式,大力提升公共交通的服务水平和提高运行效率、降低运行成本。公交集团营运公司是一家拥有四个二级分公司、1万多名职工、2000名办公人员的国有独资公司,目前拥有公交场站50个、公交营运线路250条,日营运车辆5000辆,平均运距为6公里,线路总长度4000公里,每年营运的载客人数为1亿人次,年营运收入130亿元。公交集团企业网络覆盖集团总部与四个二级分公司,要求在五年内能够对所有公交车辆完成实时轨迹监控和调度,同时能够为公交集团内部信息系统的运行提供网络支撑环境。【问题1】在需求分析阶段,设计单位了解到公交集团办公人员的工作时间是早上8:00至下午6:00,公交线路的运营时间是早上5:00至晚上10:00,在非工作时间,监控和调度网络基本处于闲置状态。公交集团企业网络的应用主要包括四类,分别是车辆监控调度、办公和集团营运业务、场站视频监控和互联网访问。各类应用的当前需求调查情况如表1所示。(a)如不考虑场站视频监控系统的工作时间,请计算出公交集团监控和调度网络的可用性指标。(b)请根据应用需求调查情况,结合五年后的增长率,计算并填写表2的内容。(a)网络可用性为:((12-5)+10)/24×100%?70.83%(b)本题是一个典型的规划设计案例,涉及网络分析与设计过程的需求分析、逻辑网络设计、物理网络设计。(a)可用性是指网络或网络设备(如主机或服务器)可用于执行预期任务时间所占总量的百分比,通常是无故障运行时间与网络总运行时间的比值。在实际网络工程中,可用性也用于衡量一个网络的实际使用情况,常用的计算方法是网络实际使用时间与网络总运行时间的比值。((12-5)+10)/24×100%≈70.83%(b)计算出应用需要传递信息的速率,可以根据公式:应用总信息传输速率=平均事务量大小×每字节位数×每个会话事务数×平均用户数/平均会话长度:在实际网络工程设计中,为保证峰值情况下网络能够正常运行,可以用峰值用户数代替平均用户数进行计算;同时在考虑了增长量后,该公式修改为:应用总信息传输速率=平均事务量大小×每字节位数×每个会话事务数×峰值用户数×(1+增长量)/平均会话长度。根据各类应用的需求调查情况,可以形成如下内容:根据以上值,计算各类应用的总流量为:车辆监控调度:0.00007×8×5000×(1+20%)/10=0.336Mbps办公和集团营运业务:0.5×8×2×2000×(1+200%)/600=80Mbps场站视频监控:0.28×250×(1+100%)=800Mbps因特网访问:0.6×8×2×200×(1+300%)/600=12.8Mbps【问题2】设计人员通过需求分析,认为公交集团企业网络主要由三级局域网络互连而成,这三级局域网络分别为集团总部的核心局域网、分公司局域网、场站局域网。公交集团企业网络将通过路由设备连接这些局域网,以便于承载整个集团的各类应用。在需求分析阶段应用分析的基础上,设计人员获取了如下的信息:?车辆监控调度应用从移动公司网络获取车辆数据流,在集团局域网存储,分发至四个分公司,再进一步分发至各场站的监控计算机,四个分公司拥有车辆的比例为1:2:1:1;?办公和集团营运业务应用为B/S模式,主要由分公司、场站的办公人员发起,将形成分公司、场站之间的双向数据流,客户端至服务器占应用总流量的20%,服务器至客户端占应用总流量的80%,各分公司之间办公人员数量较为接近;?场站视频监控应用主要由场站摄像机产生视频流,符合80/20规则,即80%的应用流量在本地进行实时调阅与存储,20%的流量将上传至集团局域网进行调阅和存储,四个公司之间的场站数量比例同于车辆比例;?互联网访问应用主要是用于分公司、场站的办公用户访问互联网,多为B/S类型应用访问,用户至集团局域网访问互联网的上行流量为20%,下行流量为80%。基于以上资料,假设场站局域网的流量都将经过分公司局域网汇总,再传递至集团局域网,计算集团局域网至...

1、当您付费下载文档后,您只拥有了使用权限,并不意味着购买了版权,文档只能用于自身使用,不得用于其他商业用途(如 [转卖]进行直接盈利或[编辑后售卖]进行间接盈利)。
2、本站所有内容均由合作方或网友上传,本站不对文档的完整性、权威性及其观点立场正确性做任何保证或承诺!文档内容仅供研究参考,付费前请自行鉴别。
3、如文档内容存在违规,或者侵犯商业秘密、侵犯著作权等,请点击“违规举报”。

碎片内容

2009下半年网络规划师考试真题及答案-下午卷

确认删除?
VIP
微信客服
  • 扫码咨询
会员Q群
  • 会员专属群点击这里加入QQ群
客服邮箱
回到顶部