电脑桌面
添加小米粒文库到电脑桌面
安装后可以在桌面快捷访问

塔吊运行应急预案VIP免费

塔吊运行应急预案_第1页
1/9
塔吊运行应急预案_第2页
2/9
塔吊运行应急预案_第3页
3/9
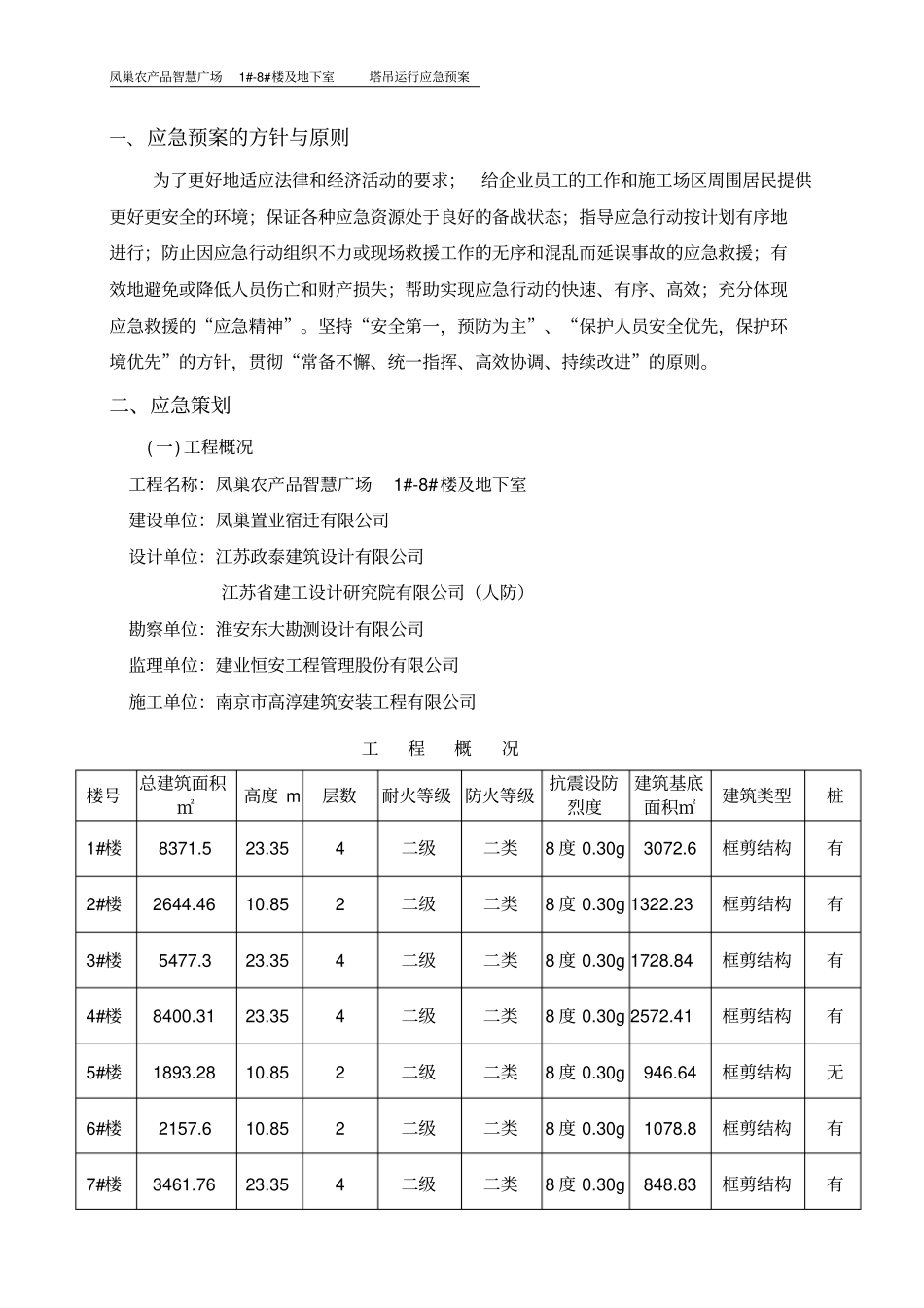
凤巢农产品智慧广场1#-8#楼及地下室塔吊运行应急预案凤巢农产品智慧广场1#-8#楼及地下室塔吊运行应急预案编制人:审核人:审批人:南京市高淳建筑安装工程有限公司二〇一九年十一月凤巢农产品智慧广场1#-8#楼及地下室塔吊运行应急预案一、应急预案的方针与原则为了更好地适应法律和经济活动的要求;给企业员工的工作和施工场区周围居民提供更好更安全的环境;保证各种应急资源处于良好的备战状态;指导应急行动按计划有序地进行;防止因应急行动组织不力或现场救援工作的无序和混乱而延误事故的应急救援;有效地避免或降低人员伤亡和财产损失;帮助实现应急行动的快速、有序、高效;充分体现应急救援的“应急精神”。坚持“安全第一,预防为主”、“保护人员安全优先,保护环境优先”的方针,贯彻“常备不懈、统一指挥、高效协调、持续改进”的原则。二、应急策划(一)工程概况工程名称:凤巢农产品智慧广场1#-8#楼及地下室建设单位:凤巢置业宿迁有限公司设计单位:江苏政泰建筑设计有限公司江苏省建工设计研究院有限公司(人防)勘察单位:淮安东大勘测设计有限公司监理单位:建业恒安工程管理股份有限公司施工单位:南京市高淳建筑安装工程有限公司工程概况楼号总建筑面积㎡高度m层数耐火等级防火等级抗震设防烈度建筑基底面积㎡建筑类型桩1#楼8371.523.354二级二类8度0.30g3072.6框剪结构有2#楼2644.4610.852二级二类8度0.30g1322.23框剪结构有3#楼5477.323.354二级二类8度0.30g1728.84框剪结构有4#楼8400.3123.354二级二类8度0.30g2572.41框剪结构有5#楼1893.2810.852二级二类8度0.30g946.64框剪结构无6#楼2157.610.852二级二类8度0.30g1078.8框剪结构有7#楼3461.7623.354二级二类8度0.30g848.83框剪结构有凤巢农产品智慧广场1#-8#楼及地下室塔吊运行应急预案工程高程:±0.00相当于黄海高程22.15m、22.25m、22.35m。抗震设防烈度8度、设计合理使用年限50年。(二)应急预案工作流程根据本工程的特点及施工工艺的实际情况,认真的组织了对危险源和环境因素的识别和评价,特制定本项目发生紧急情况或事故的应急措施,开展应急知识教育和应急演练,提高现场操作人员应急能力,减少突发事件造成的损害和不良环境影响。(三)重大事故(危险)发展过程及分析塔吊作业中突然安全限位装置失控,发生撞击护栏及相邻塔吊或坠物,或违反安全规程操作,造成重大事故(如倾倒、断臂);运行中的电气设备故障或线路发生严重漏电;其他作业可能发生的重大事故(高处坠落、起重伤害、触电等)造成的人员伤亡、财产损失、环境破坏。(四)突发事件风险分析和预防为确保正常施工,预防塔吊在使用过程中突发事件以及某些预想不到的、不可抗拒的事件发生,事前有充足的技术措施准备、抢险物资的储备,最大程度地减少人员伤亡、国家财产和经济损失,必须进行风险分析和采取有效的预防措施。1、突发事件、紧急情况及风险分析根据本工程特点,在辩识、分析评价塔吊在使用中危险因素和风险的基础上,确定塔吊在使用过程中重大危险因素是:塔吊作业中突然安全限位装置失控,发生撞击护栏及相邻塔吊或坠物,或违反安全规程操作,造成重大事故(如倾倒、断臂);运行中的电气设备故障或线路发生严重漏电等。在工地已采取机电管理、安全管理各种防范措施的基础上,还需要制定塔吊倾覆的应急方案,具体如下:假设塔吊基础坍塌时可能倾翻;假设塔吊的力矩限位失灵,塔吊司机违章作业严重超载吊装,可能造成塔吊倾翻。2、突发事件及风险预防措施从以上风险情况的分析看,如果不采取相应有效的预防措施,不仅给工程施工造成很大影响,而且对施工人员的安全造成威胁。塔式起重机操作使用应符合下列规定:①塔式起重机作业前,应检查金属结构、连接螺栓及钢丝绳磨损情况;送电前,各8#楼2655.7423.354二级二类8度0.30g747.77框剪结构有地下室630.88//一级/8度/框架/凤巢农产品智慧广场1#-8#楼及地下室塔吊运行应急预案控制器手柄应在零位,空载运转,试验各机构及安全装置并确认正常。②塔式起重机作业时严禁超载、斜拉和起吊埋在地下等不明重量的物件;③吊运散装物件时,应制作专用吊笼或容器,并应保障在吊运过程中...

1、当您付费下载文档后,您只拥有了使用权限,并不意味着购买了版权,文档只能用于自身使用,不得用于其他商业用途(如 [转卖]进行直接盈利或[编辑后售卖]进行间接盈利)。
2、本站所有内容均由合作方或网友上传,本站不对文档的完整性、权威性及其观点立场正确性做任何保证或承诺!文档内容仅供研究参考,付费前请自行鉴别。
3、如文档内容存在违规,或者侵犯商业秘密、侵犯著作权等,请点击“违规举报”。

碎片内容

塔吊运行应急预案

确认删除?
VIP
微信客服
  • 扫码咨询
会员Q群
  • 会员专属群点击这里加入QQ群
客服邮箱
回到顶部