电脑桌面
添加小米粒文库到电脑桌面
安装后可以在桌面快捷访问

数字电子技术基础实验指导书1VIP免费

数字电子技术基础实验指导书1_第1页
1/19
数字电子技术基础实验指导书1_第2页
2/19
数字电子技术基础实验指导书1_第3页
3/19
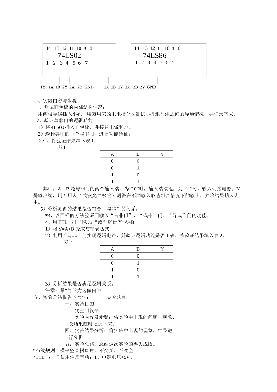
数字电子技术基础实验指导书实验一、认识实验中间凹槽竖排小孔内线5*3横排小孔内线5*4横排小孔内线14131211109812345671413121110981234567一、实验目的:1、熟悉面包板的结构2、进一步掌握与非门、或非门、异或门的功能3、初步尝试在面包板上连接逻辑电路二、实验用仪器:面包板一块74LS00一块74LS20一块74LS02(四二输入或非门)一块、74LS86(四二输入异或门)一块万用表一块导线若干稳压电源一台三、面包板和4LS00、74LS20、74LS02、74LS86的介绍:1、面包板内部结构示意图:面包板上的小孔每5个为一组,其内部有导线相连。横排小孔是4、3、4(3、4、3)的结构,即每5*4(5*3)、5*3(5*4)、5*4(5*3)组横排小孔内部有导线相连。用到的双列直插式集成块跨接在凹槽两边,管脚插入小孔。通常用面包板的上横排小孔接电源,用下横排小孔接地。2、74LS00的内部结构示意图:74LS00的管脚排列如上图所示,为双列直插式14管脚集成块,是四集成二输入与非门。74LS20是二四输入与非门。VCC3A3B3Y4A4B4YVCC2A2BNC2C2D4Y1A1B1Y2A2B2YGND1A1BNC1C1D1YGND74LS0074LS20VCC3Y3B3A4Y4B4AVCC3B3A3Y4B4A4Y1Y1A1B2Y2A2BGND1A1B1Y2A2B2YGND四、实验内容与步骤:1、测试面包板的内部结构情况:用两根导线插入小孔,用万用表的电阻挡分别测试小孔组与组之间的导通情况,并记录下来。2、验证与非门的逻辑功能:1)将4LS00插入面包板,并接通电源和地。2)选择其中的一个与非门,进行功能验证。3)、将验证结果填入表1:表1ABY00011011其中,A、B是与非门的两个输入端,为“0”时,输入端接地,为“1”时,输入端接电源;Y是输出端,用万用表(或发光二极管)测得在不同输入取值组合情况下的输出,并将结果填入表中。5)分析测得的结果是否符合“与非”的关系。*3、以同样的方法验证四输入“与非门”、“或非”门、“异或”门的功能。4、用TTL与非门实现“或”逻辑Y=A+B1)将Y=A+B变成与非表达式2)利用“与非”门实现逻辑电路,并验证逻辑功能是否正确,将验证结果填入表2。表2ABY000110113)分析结果是否满足逻辑关系。注意:带*号的为选做内容。五、实验总结报告的写法:实验题目:一、实验目的:二、实验用仪器:三、实验内容及步骤:将实验中出现的问题、现象、及结果随时记录下来。四、实验结果分析:将实验中出现的现象、结果进行分析。五:实验总结:总结这次实验的得失成败。*布线规则:横平竖直拐直角,不交叉,不架空。*TTL与非门使用注意事项:1、电源电压+5V。14131211109874LS02123456714131211109874LS8612345672、与非门的输出端不难直接接电源。3、与非门的输出端不能直接接地。4、与非门的输出端不能直接相接。六、要求:1、实验前大体记清面包板及74LS00的内部结构。预习好实验内容。2、实验后,写出试验报告。实验二、TTL门电路逻辑功能转换一、实验目的:1、学会用面包板实现逻辑电路时的电路连线2、掌握用“与非”门实现逻辑电路的方法二、实验仪器:稳压电源一台面包板一块万用表一块74LS00两块74LS20一块导线若干三、实验内容与步骤:一)、实现异或逻辑:1、将异或逻辑的表达式Y=A—+—B变成“与非—与非”表达式。2、按表达式画出逻辑图3、由逻辑图画出用74LS00实现电路时的电路连线图。4、连成电路,进行逻辑功能验证,将验证的结果填入下表。ABY000110115、分析实验结果,看是否符合逻辑要求。二)、按照同样的方法及步骤完成下列实验内容:1、F=AB+——2、F=ABC*3、F=A(BC+——————)*4、有A、B、C三人进行议事表决,当有包括A在内的两人以上同意时,表决通过,否则不通过。试分析该逻辑关系,设计并实现该逻辑电路。*5、F1=AB+—C+BCF2=AB+—C,将F!、F2的结果作一比较。注意:带*号的为选做内容。五、要求:1、实验前预习实验内容,设计出实验电路,画出连线图,写出预习实验报告。2、实验结束后,写出实验报告。试验报告。16151413121110974LS851234567816151413121110974LS8312345678实验三、组合逻辑电路一、实验目的:1、学会用门电路实现简单组合逻辑电路的设计及电路实现过程。2、学会用组合逻辑部件实现组合逻辑电路的方法。二、实验用仪器:稳压电源一台...

1、当您付费下载文档后,您只拥有了使用权限,并不意味着购买了版权,文档只能用于自身使用,不得用于其他商业用途(如 [转卖]进行直接盈利或[编辑后售卖]进行间接盈利)。
2、本站所有内容均由合作方或网友上传,本站不对文档的完整性、权威性及其观点立场正确性做任何保证或承诺!文档内容仅供研究参考,付费前请自行鉴别。
3、如文档内容存在违规,或者侵犯商业秘密、侵犯著作权等,请点击“违规举报”。

碎片内容

数字电子技术基础实验指导书1

确认删除?
VIP
微信客服
  • 扫码咨询
会员Q群
  • 会员专属群点击这里加入QQ群
客服邮箱
回到顶部