电脑桌面
添加小米粒文库到电脑桌面
安装后可以在桌面快捷访问

(江苏专用)高考物理三轮冲刺 考前组合提升练:实验题选考题(1)-人教版高三物理试题VIP免费

(江苏专用)高考物理三轮冲刺 考前组合提升练:实验题选考题(1)-人教版高三物理试题_第1页
1/7
(江苏专用)高考物理三轮冲刺 考前组合提升练:实验题选考题(1)-人教版高三物理试题_第2页
2/7
(江苏专用)高考物理三轮冲刺 考前组合提升练:实验题选考题(1)-人教版高三物理试题_第3页
3/7
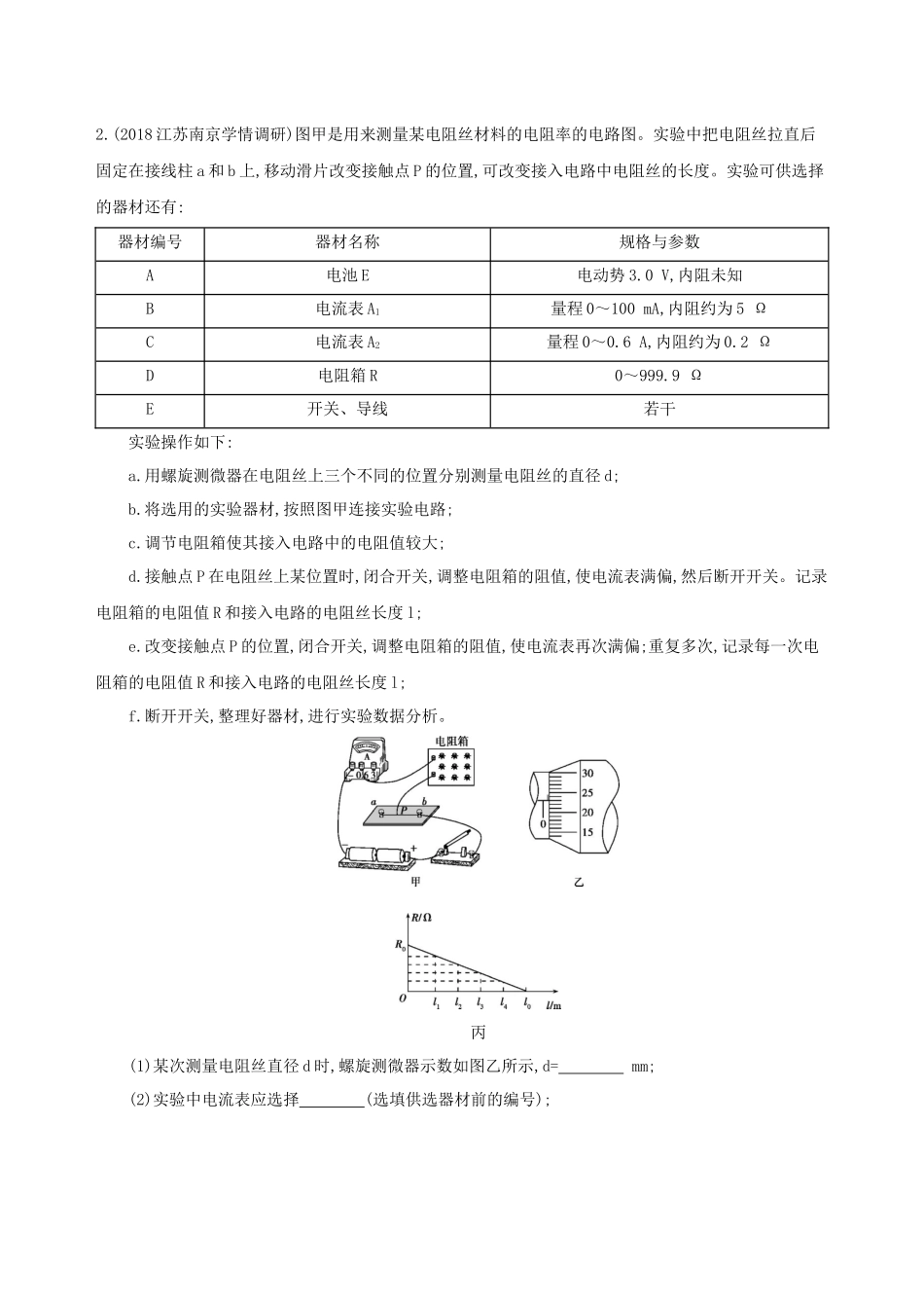
实验题+选考题(1)1.(2018江苏南京学情调研)“验证机械能守恒定律”的实验装置如图甲所示。甲乙(1)甲同学按照正确的实验步骤操作后,选出一条纸带如图乙所示,其中O点为打点计时器打下的第一个点。从纸带上A点开始每隔一个点取一个计数点,取得两个计数点B和C。该同学用刻度尺,测得OA=9.62cm,OB=15.89cm,OC=23.64cm。已知打点计时器每0.02s打一个点,重物的质量为1.00kg,取g=9.80m/s2。在OB段运动过程中,重物重力势能的减少量ΔEp=J;重物的动能增加量ΔEk=J;(结果均保留三位有效数字)(2)乙同学利用该实验装置测定当地的重力加速度。他打出了一条纸带后,利用纸带测量出了各计数点到打点计时器打下的第一个点的距离h,算出了各计数点对应的速度v,以h为横轴,以12v2为纵轴画出了如图丙所示的图线。由于图线明显偏离原点,若测量和计算都没有问题,其原因可能是。乙同学测出该图线的斜率为k,如果阻力不可忽略,则当地的重力加速度gk(选填“大于”“等于”或“小于”)。丙2.(2018江苏南京学情调研)图甲是用来测量某电阻丝材料的电阻率的电路图。实验中把电阻丝拉直后固定在接线柱a和b上,移动滑片改变接触点P的位置,可改变接入电路中电阻丝的长度。实验可供选择的器材还有:器材编号器材名称规格与参数A电池E电动势3.0V,内阻未知B电流表A1量程0~100mA,内阻约为5ΩC电流表A2量程0~0.6A,内阻约为0.2ΩD电阻箱R0~999.9ΩE开关、导线若干实验操作如下:a.用螺旋测微器在电阻丝上三个不同的位置分别测量电阻丝的直径d;b.将选用的实验器材,按照图甲连接实验电路;c.调节电阻箱使其接入电路中的电阻值较大;d.接触点P在电阻丝上某位置时,闭合开关,调整电阻箱的阻值,使电流表满偏,然后断开开关。记录电阻箱的电阻值R和接入电路的电阻丝长度l;e.改变接触点P的位置,闭合开关,调整电阻箱的阻值,使电流表再次满偏;重复多次,记录每一次电阻箱的电阻值R和接入电路的电阻丝长度l;f.断开开关,整理好器材,进行实验数据分析。丙(1)某次测量电阻丝直径d时,螺旋测微器示数如图乙所示,d=mm;(2)实验中电流表应选择(选填供选器材前的编号);(3)用记录的多组电阻箱的阻值R和对应的接入电路中电阻丝长度l的数据,绘出了如图丙所示的R-l关系图线,图线在R轴的截距为R0,在l轴的截距为l0,那么电阻丝的电阻率表达式ρ=(用R0、l0、d表示);(4)本实验中,电流表的内阻对电阻率的测量结果(选填“有”或“无”)影响,这是因为。3.【选修3-3】(2018江苏南京学情调研)(1)下列说法正确的是。A.同一时刻撞击固体颗粒的液体分子数越多,该颗粒布朗运动越剧烈B.一滴液态金属在完全失重条件下呈球状,是由液体的表面张力所致C.晶体熔化过程中要吸收热量,分子的平均动能增大D.一定质量气体在等容变化中温度升高,单位时间内分子对器壁单位面积上撞击次数增多(2)如图所示,一定质量的理想气体,在状态A时的温度tA=27℃,则状态C时的温度TC=K;气体从状态A依次经过状态B、C后再回到状态A,此过程中气体将(选填“吸收”或“放出”)热量。(3)氙气灯在亮度、耗能及寿命上都比传统灯有优越性。某轿车的灯泡的容积V=1.5mL,充入氙气的密度ρ=5.9kg/m3,摩尔质量M=0.131kg/mol,阿伏加德罗常数NA=6×1023mol-1。试估算灯泡中:①氙气分子的总个数;②氙气分子间的平均距离。(结果保留一位有效数字)4.【选修3-4】(2018江苏南京学情调研)(1)下列说法正确的是A.单缝衍射实验中,缝越宽,条纹越亮,衍射现象越明显B.光纤通信,医用纤维式内窥镜都利用了光的全反射原理C.机械波传播过程中,某质点在一个周期内向前移动一个波长的距离D.地球上的人看来,接近光速运动的飞船中的时钟变慢了(2)图甲为一列沿x轴传播的简谐横波在t=0时刻的波形图,沿传播方向上位于平衡位置的质点A的振动图像如图乙所示。该横波的传播方向为(选填“向右”或“向左”);波速大小为m/s。(3)如图丙所示装置可用来测定水的折射率。当圆柱形容器内未装水时,从A点沿AB方向能看到对边上的点E;当容器内装满水时,仍沿AB方向看去,恰好看到底面直径CD上的点D。测得容器直径CD=12cm,高BC=16cm,DE=7cm。已知光在真空中的传播速度为c=3.0×108m/s,求:①水的折射率n;②光在水中的传播速度v。答案精解精析1.答案(1)1.56(2分)1....

1、当您付费下载文档后,您只拥有了使用权限,并不意味着购买了版权,文档只能用于自身使用,不得用于其他商业用途(如 [转卖]进行直接盈利或[编辑后售卖]进行间接盈利)。
2、本站所有内容均由合作方或网友上传,本站不对文档的完整性、权威性及其观点立场正确性做任何保证或承诺!文档内容仅供研究参考,付费前请自行鉴别。
3、如文档内容存在违规,或者侵犯商业秘密、侵犯著作权等,请点击“违规举报”。

碎片内容

(江苏专用)高考物理三轮冲刺 考前组合提升练:实验题选考题(1)-人教版高三物理试题

确认删除?
VIP
微信客服
  • 扫码咨询
会员Q群
  • 会员专属群点击这里加入QQ群
客服邮箱
回到顶部