电脑桌面
添加小米粒文库到电脑桌面
安装后可以在桌面快捷访问

市政雨水管道工程检验批质量验收记录表VIP免费

市政雨水管道工程检验批质量验收记录表_第1页
1/40
市政雨水管道工程检验批质量验收记录表_第2页
2/40
市政雨水管道工程检验批质量验收记录表_第3页
3/40
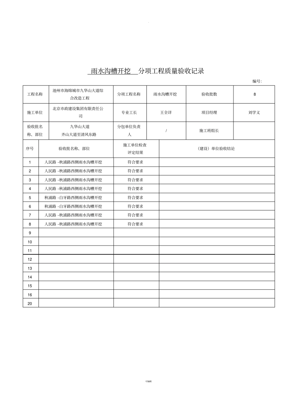
.可编辑雨水工程分部(子分部)工程质量验收记录编号:工程名称池州市海绵城市九华山大道综合改造工程分部工程名称雨水工程施工单位北京市政建设集团有限责任公司技术部门负责人王丙辉质量部门负责人高斌分包单位/分包单位负责人/分包技术负责人/序号分项工程名称验收批数施工单位检查评定验收意见1沟槽开挖8符合要求2基础垫层8符合要求3管道敷设8符合要求4管道接口8符合要求5雨水检查井8符合要求6沟槽回填8符合要求789质量控制资料完整、齐全安全和功能检验(检测)报告完整、齐全观感质量验收合格、优良验收单位分包单位项目经理年月日施工单位项目经理年月日设计单位项目负责人年月日监理单位总监理工程师年月日建设单位项目负责人(专业技术负责人)年月日.可编辑雨水沟槽开挖分项工程质量验收记录编号:工程名称池州市海绵城市九华山大道综合改造工程分项工程名称雨水沟槽开挖验收批数8施工单位北京市政建设集团有限责任公司专业工长王全详项目经理刘学义验收批名称、部位九华山大道齐山大道至清风东路分包单位负责人/施工班组长序号验收批名称、部位施工单位检查评定结果(建设)单位验收结论1人民路-秋浦路西侧雨水沟槽开挖符合要求2人民路-秋浦路西侧雨水沟槽开挖符合要求3人民路-秋浦路西侧雨水沟槽开挖符合要求4人民路-秋浦路西侧雨水沟槽开挖符合要求5秋浦路-白牙路西侧雨水沟槽开挖符合要求6秋浦路-白牙路西侧雨水沟槽开挖符合要求7人民路-秋浦路西侧雨水沟槽开挖符合要求8人民路-秋浦路西侧雨水沟槽开挖符合要求91011121314151620.可编辑检查结论施工项目技术负责人:年月日验收结论(建设项目专业技术负责人)年月日沟槽开挖检验批质量检查记录报验申请表工程名称:池州市海绵城市九华山大道综合改造工程编号:致:浙江鑫龙工程管理有限公司(监理单位)我单位已完成了沟槽开挖工程工作,现报上该工程报审申请表,请予以审查。附件:沟槽开挖工程检验批质量检查记录承包单位(章)项目经理日期审查意见:.可编辑项目监理机构总/专业监理工程师日期沟槽开挖与地基处理工程检验批质量验收记录编号:工程名称池州市海绵城市九华山大道综合改造工程分部工程名称雨水工程分项工程名称沟槽开挖施工单位北京市政建设集团有限责任公司专业工长王全祥项目经理刘学义验收批名称、部位人民路-秋浦路西侧分包单位/分包项目经理/施工班组长GB50268-2008《给水排水管道工程施工及验收规范》的规定施工单位检查评定记录监理(建设)单位验收记录主控项目1原状地基土不得扰动、受水浸泡或受冻;符合要求2地基承载力应满足设计要求;符合要求3地基处理时,压实度、厚度应满足设计要求;符合要求一般项目4沟槽开挖的允许偏差检查项目允许偏差(㎜)检查数量检查点偏差值或实测值施工单位检查情况监理(建设)单位验收记录范围点数槽底高程土方±20全数合格率%槽底中线不小于规定全数合格率%.可编辑每侧宽度沟槽边坡不陡于规定全数合格率%平均合格率%检验结论施工单位检查评定结果主控项目与一般项目经检查均合格,符合设计及规范要求项目专业质量检查员:年月日监理(建设)单位验收结论(建设单位项目专业技术负责人)年月日管道基础工程检验批质量检查记录报验申请表工程名称:池州市海绵城市九华山大道综合改造工程编号:致:浙江鑫龙工程管理有限公司(监理单位)我单位已完成了人民路-秋浦路西侧管道基础工程工作,现报上该工程报审申请表,请予以审查。附件:管道基础工程检验批质量检查记录.可编辑承包单位(章)项目经理日期审查意见:项目监理机构总/专业监理工程师日期管道基础工程检验批质量验收记录工程名称池州市海绵城市九华山大道综合改造工程分部工程名称雨水工程分项工程名称管道基础施工单位北京市政建设集团有限责任公司专业工长王全祥项目经理刘学义验收批名称、部位分包单位分包项目经理施工班组长GB50268-2008《给水排水管道工程施工及验收规范》的规定施工单位检查评定记录监理(建设)单位验收记录主控项目1原状地基的承载力符合设计要求;符合要求2混凝土基础的强度符合设计要求;/3砂石基础的压实度符合设计或规范要求;符合要求一般项目4原状地基、砂石基...

1、当您付费下载文档后,您只拥有了使用权限,并不意味着购买了版权,文档只能用于自身使用,不得用于其他商业用途(如 [转卖]进行直接盈利或[编辑后售卖]进行间接盈利)。
2、本站所有内容均由合作方或网友上传,本站不对文档的完整性、权威性及其观点立场正确性做任何保证或承诺!文档内容仅供研究参考,付费前请自行鉴别。
3、如文档内容存在违规,或者侵犯商业秘密、侵犯著作权等,请点击“违规举报”。

碎片内容

市政雨水管道工程检验批质量验收记录表

您可能关注的文档

爱的疯狂+ 关注
实名认证
内容提供者

该用户很懒,什么也没介绍

确认删除?
VIP
微信客服
  • 扫码咨询
会员Q群
  • 会员专属群点击这里加入QQ群
客服邮箱
回到顶部