电脑桌面
添加小米粒文库到电脑桌面
安装后可以在桌面快捷访问

(整理)01整理绿化用地.VIP免费

(整理)01整理绿化用地._第1页
1/23
(整理)01整理绿化用地._第2页
2/23
(整理)01整理绿化用地._第3页
3/23
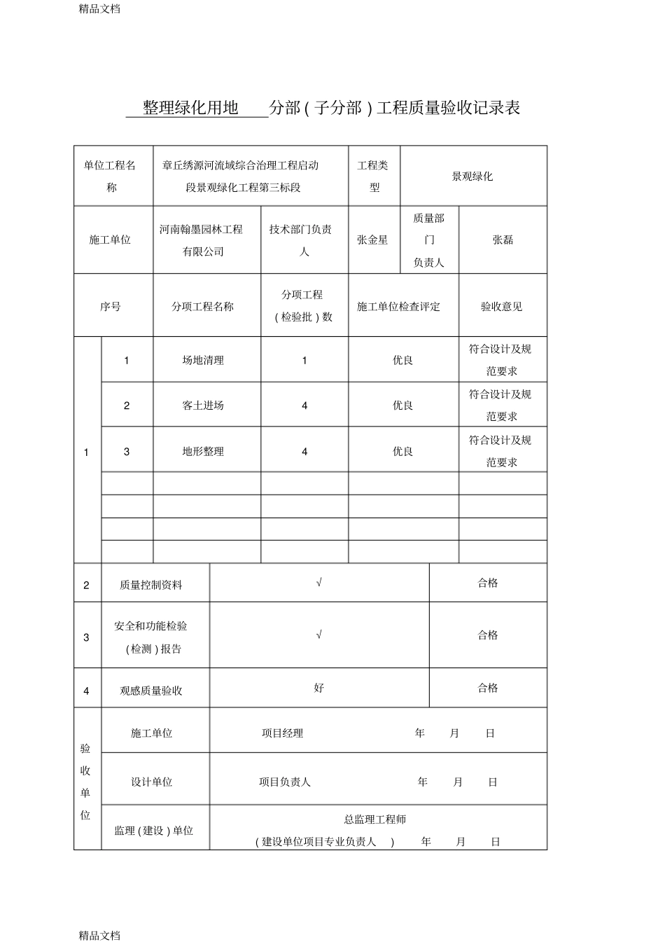
精品文档精品文档整理绿化用地分部(子分部)工程质量验收记录表单位工程名称章丘绣源河流域综合治理工程启动段景观绿化工程第三标段工程类型景观绿化施工单位河南翰墨园林工程有限公司技术部门负责人张金星质量部门负责人张磊序号分项工程名称分项工程(检验批)数施工单位检查评定验收意见11场地清理1优良符合设计及规范要求2客土进场4优良符合设计及规范要求3地形整理4优良符合设计及规范要求2质量控制资料√合格3安全和功能检验(检测)报告√合格4观感质量验收好合格验收单位施工单位项目经理年月日设计单位项目负责人年月日监理(建设)单位总监理工程师(建设单位项目专业负责人)年月日精品文档精品文档场地清理分项工程质量验收记录表单位工程名称章丘绣源河流域综合治理工程启动段景观绿化工程第三标段工程类型景观绿化分部(分项)工程名称整理绿化用地检验批数1施工单位河南翰墨园林工程有限公司项目经理闫进轩序号检验批名称及部位、区段施工单位自查评定结果监理(建设)单位验收结论1地形清表报验申请表(编号2001)优良说明:检查结果项目专业技术负责人:2011年7月22日验收结论监理工程师:(建设单位项目专业技术负责人):年月日精品文档精品文档地形清表报验申请表工程名称:章丘绣源河流域综合治理工程启动段景观绿化工程第三标段编号:001致:山东建院工程监理咨询有限公司(监理单位)我单位已完成了种植场地清理工作,报上该工程报验申请表请予以审查和验收。附件:种植场地清理检验批质量验收记录承包单位(章)河南翰墨园林工程有限公司项目经理:_______________日期:2011-7-22审查意见:项目监理机构:_______________总/专业监理工程师:_______________日期:_______________精品文档精品文档种植场地清理检验批质量验收记录编号:001工程名称章丘绣源河流域综合治理工程启动段景观绿化工程第三标段分项工程名称场地清理验收部位百木园施工单位河南翰墨园林工程有限公司项目经理闫进轩施工执行标准名称及编号《城市绿化工程施工及验收规范》(CJJ/T82-99)《城市园林绿化工程施工及验收规范》(DB11/T212-2003)检查频率检查方法施工单位自检记录监理单位验收记录每500m2观测3个点观察、量测主控项目1、清理程度应符合设计要求满足施工要求√√√√√√√√√√√√√√√√√√√√2、废弃场、垃圾、有害物质必须按设计和约定进行清理和处理√√√√√√√√√√√√√√√√√√√√一般项目1、场地内宿根性杂草和表层杂草应清除干净√√√√√√√√√√√√√√√√√√√√2、场地内坑洼应填垫,积水应排放晾干,软土淤泥应进行处理。√√√√√√√√√√√√√√√√√√√√允许偏差项目清底槽底标±2cm√√√√√√√√√√√√√√√√√√√√承包单位检查结果评定专业工长(施工员)施工班组长主控项目全部合格,一般项目满足规范规定要求项目质量检查员:2011年7月22日监理单位验收结论同意验收。监理工程师:年月日精品文档精品文档客土进场分项工程质量验收记录表单位工程名称章丘绣源河流域综合治理工程启动段景观绿化工程第三标段工程类型景观绿化分部(分项)工程名称整理绿化用地检验批数4施工单位河南翰墨园林工程有限公司项目经理闫进轩序号检验批名称及部位、区段施工单位自查评定结果监理(建设)单位验收结论1种植土报验申请表(编号001)优良2种植土报验申请表(编号002)优良3种植土报验申请表(编号003)优良4种植土报验申请表(编号004)优良说明:检查结果项目专业技术负责人:2011年10月4日验收结论监理工程师:(建设单位项目专业技术负责人):年月日精品文档精品文档种植土报验申请表工程名称:章丘绣源河流域综合治理工程启动段景观绿化工程第三标段编号:001致:山东建院工程监理咨询有限公司(监理单位)我单位已完成了百木园西区西北角种植土进场工作,报上该工程报验申请表请予以审查和验收。附件:种植土进场检验批质量验收记录承包单位(章):河南翰墨园林工程有限公司项目经理:日期:2011-8-7审查意见:项目监理机构:_______________总/专业监理工程师:_______________日期:_______________精品文档精品文档种植土进场检...

1、当您付费下载文档后,您只拥有了使用权限,并不意味着购买了版权,文档只能用于自身使用,不得用于其他商业用途(如 [转卖]进行直接盈利或[编辑后售卖]进行间接盈利)。
2、本站所有内容均由合作方或网友上传,本站不对文档的完整性、权威性及其观点立场正确性做任何保证或承诺!文档内容仅供研究参考,付费前请自行鉴别。
3、如文档内容存在违规,或者侵犯商业秘密、侵犯著作权等,请点击“违规举报”。

碎片内容

(整理)01整理绿化用地.

您可能关注的文档

确认删除?
VIP
微信客服
  • 扫码咨询
会员Q群
  • 会员专属群点击这里加入QQ群
客服邮箱
回到顶部