电脑桌面
添加小米粒文库到电脑桌面
安装后可以在桌面快捷访问

危险源辨识与风险控制(完成版)VIP免费

危险源辨识与风险控制(完成版)_第1页
1/30
危险源辨识与风险控制(完成版)_第2页
2/30
危险源辨识与风险控制(完成版)_第3页
3/30
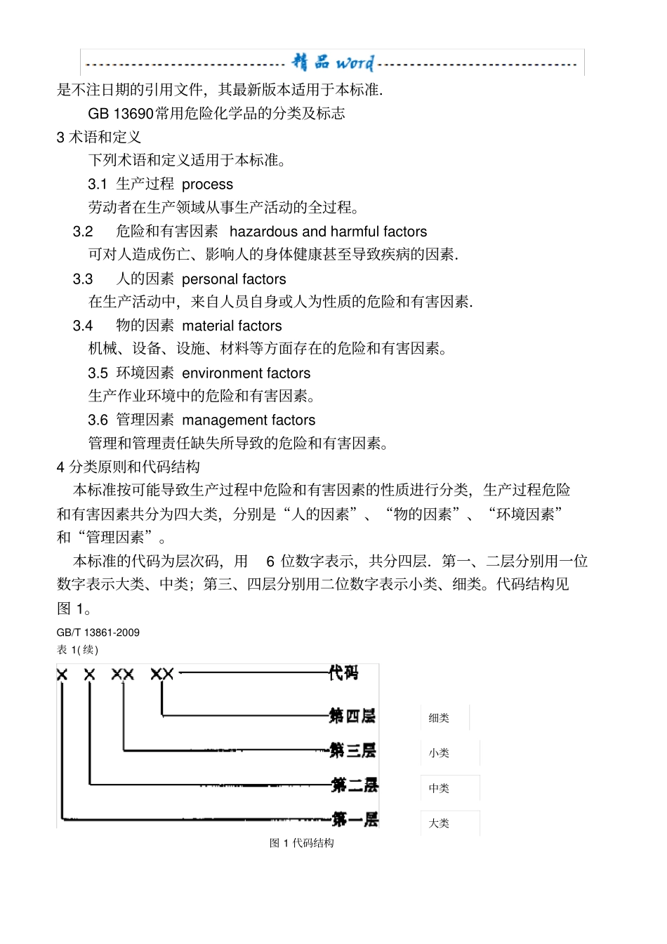
8.10危险源辨识与风险辨识8.10.1总则a.(1)开展本单位危险设施或场所危险源的辨识和确定工作;(2)辩识重大危险源,采取有效防护措施,按规定报有关部门备案。b.(1)及时对作业活动和设备设施进行危险、有害因素识别;(2)向从业人员如实告知作业场所和工作岗位存在的危险因素、防范措施以及事故应急措施。(3)对危险源进行建档,重大危险源单独建档管理。8.10.2职责a.企业负责人全面负责本单位重大危险源的安全管理与监控工作。b.企业负责人负责定期和不定期组织对危险设施或场所危险源的辨识和确定工作。c.企业负责人负责定期和不定期组织对重大危险源的辨识和确定工作,并报当地安监部门和公司备案d.企业负责人负责定期对作业活动和设备设施进行危险、有害因素的识别。8.10.3管理要求a.企业负责人负责组织制订重大危险源辨识、评价、监控及管理制度。b.企业负责人负责组织制定危险源防范措施。c.企业负责人负责组织制定重大危险源防范措施、应急措施。d.企业负责人负责组织制定重大危险源应急救援预案,并每年组织一次应急演练。f.每年12月份针对危险源辨识、风险评价和风险控制的策划结果修订下一年度的重大危险源应急救援预案。e.针对存在的危险、有害因素、重大危险源及相应的防范措施和应急措施,及时传达到全体职工。8.10.4相关文件/记录a.《生产过程危险和有害因素与代码》(GB/T13861-2009)1范围本标准规定了生产过程中各种主要危险和有害因素的分类和代码。本标准适用于各行业在规划、设计和组织生产时,对危险和有害因素的预测、预防,对伤亡事故原因的辨识和分析,也适用于职业安全卫生信息的处理与交换.2规范性引用文件下列文件中的条款通过本标准的引用而成为本标准的条款。凡是注日期的引用文件,其随后所有的修改单(不包括勘误的内容)或修订版均不适用于本标准,然而,鼓励根据本标准达成协议的各方研究是否可使用这些文件的最新版本。凡是不注日期的引用文件,其最新版本适用于本标准.GB13690常用危险化学品的分类及标志3术语和定义下列术语和定义适用于本标准。3.1生产过程process劳动者在生产领域从事生产活动的全过程。3.2危险和有害因素hazardousandharmfulfactors可对人造成伤亡、影响人的身体健康甚至导致疾病的因素.3.3人的因素personalfactors在生产活动中,来自人员自身或人为性质的危险和有害因素.3.4物的因素materialfactors机械、设备、设施、材料等方面存在的危险和有害因素。3.5环境因素environmentfactors生产作业环境中的危险和有害因素。3.6管理因素managementfactors管理和管理责任缺失所导致的危险和有害因素。4分类原则和代码结构本标准按可能导致生产过程中危险和有害因素的性质进行分类,生产过程危险和有害因素共分为四大类,分别是“人的因素”、“物的因素”、“环境因素”和“管理因素”。本标准的代码为层次码,用6位数字表示,共分四层.第一、二层分别用一位数字表示大类、中类;第三、四层分别用二位数字表示小类、细类。代码结构见图1。GB/T13861-2009表1(续)图1代码结构大类中类小类细类5分类与代码生产过程危险和有害因素分类与代码见表1.代码名称说明111110111010111010211010311019911021103人的因素心理、生理性危险和有害因素负荷超限体力负荷超限听力负荷超限视力负荷超限其他负荷超限健康状况异常从事禁忌作业指易引起疲劳、劳损、伤害等的负荷超限指伤、病期110411040111040211040311049911051105011105121105991199121201120101120W2120199120212020112020212029912031299心理异常情绪异常冒险心理过度紧张其他心理异常辨识功能缺陷感知延迟辨识错误其他辨识功能缺陷其他心理、生理性危险和有害因素行为性危险和有害因素指挥错误指挥失误违章指挥其他指挥错误操作错误误操作违章作业其他操作错误监护失误其他行为性危险和有害因素包括生产过程中的各级管理人员的指挥包括脱岗等违反劳动纪律行为GB/T13861-2009代码名露说明2212101210101210102210103物的因素物理性危险和有害因素设备,设施,工具,附件缺陷强度不够刚度不够稳定性差抗倾覆、抗位移能力不够.包括重心过高、底座不稳定、支承不正确指密封...

1、当您付费下载文档后,您只拥有了使用权限,并不意味着购买了版权,文档只能用于自身使用,不得用于其他商业用途(如 [转卖]进行直接盈利或[编辑后售卖]进行间接盈利)。
2、本站所有内容均由合作方或网友上传,本站不对文档的完整性、权威性及其观点立场正确性做任何保证或承诺!文档内容仅供研究参考,付费前请自行鉴别。
3、如文档内容存在违规,或者侵犯商业秘密、侵犯著作权等,请点击“违规举报”。

碎片内容

危险源辨识与风险控制(完成版)

确认删除?
VIP
微信客服
  • 扫码咨询
会员Q群
  • 会员专属群点击这里加入QQ群
客服邮箱
回到顶部