电脑桌面
添加小米粒文库到电脑桌面
安装后可以在桌面快捷访问

外墙保温-改性玻化微珠复合无机板课件word版本VIP免费

外墙保温-改性玻化微珠复合无机板课件word版本_第1页
1/10
外墙保温-改性玻化微珠复合无机板课件word版本_第2页
2/10
外墙保温-改性玻化微珠复合无机板课件word版本_第3页
3/10
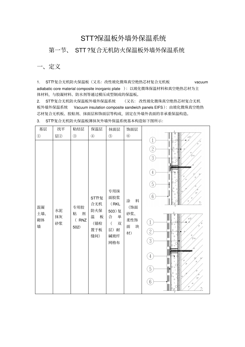
STT?保温板外墙外保温系统第一节、STT?复合无机防火保温板外墙外保温系统一、定义1.STT?复合无机防火保温板(又名:改性玻化微珠真空绝热芯材复合无机板vacuumadiabaticcorematerialcompositeinorganicplate):以玻化微珠保温材料和真空绝热芯材为主体材料,与胶凝材料、防水剂等通过模压成型制成的保温板。2.STT?复合无机防火保温板外墙外保温系统(又名:改性玻化微珠真空绝热芯材复合无机板外墙外保温系统VacuuminsulationcompositesandwichpanelsEIFS):由玻化微珠真空绝热芯材复合无机板、胶粘剂、抹面层和饰面层等构成,固定在外墙外表面的非承重保温构造。3.STT?复合无机防火保温板薄抹灰外墙外保温系统基本构造如下图所示:基层①找平层②粘结层③保温层④抹面层⑤饰面层⑥混凝土墙、砌体墙水泥抹灰砂浆专用胶粘剂(RNZ502)STT?复合无机防火保温板(锚栓置于板缝间)专用抹面胶浆(RKL503)复合单(双层)耐碱玻纤网格布涂料(饰面砂浆、柔性饰面块材)4.STT?复合无机防火保温板薄抹灰外墙外保温系统面砖饰面基本构造如下图所示:5.非透明幕墙STT?复合无机防火保温板薄抹灰外墙外保温系统基本构造如下图所示。二、STT?复合无机防火保温板外墙保温系统特点1.导热系数仅为0.014W/(m·K),南方地区使用3公分的厚度,即可轻松达到65%或更高的节能指标,在北方严寒、寒冷地区也可轻松达到65%-75%节能指标的要求;2.纯无机材料,绿色环保,防火A级,无火灾隐患;3.材料收缩小于0.3%,无开裂、空鼓、脱落隐患;4.安全性好,易施工。满粘法粘贴,粘接牢固,锚固点少,抗负风压,施工简单,传统薄抹灰系统施工人员均可熟练操作;5.由于产品的呼吸性好、保温、隔热、隔音,故采用龙者复合无机保温板外保温系统的建筑,室内透气性好,室外防潮性能好,居住舒适度高于其他保温系统。基层①找平层②粘结层③保温层④抹面层⑤饰面层⑥混凝土墙、砌体墙水泥抹灰砂浆专用胶粘剂(RNZ502)STT?无机防火保温板专用抹面胶浆(RKL503)复合单层热镀锌电焊网新型面砖饰面体系基层①找平层②粘结层③保温层④抹面层⑤承力结构饰面层⑧⑥⑦混凝土墙、砌体墙水泥抹灰砂浆专用胶粘剂(RNZ502)STT?复合无机防火保温板(锚栓置于板缝间)专用抹面胶浆(RKL503)复合耐碱玻纤网格布立柱横梁非透明幕墙饰面板三、系统材料技术参数1、单组份无机粘结胶(RNJ502)1)定义由水泥基胶凝材料、高分子聚合物材料以及填料和添加剂等组成,专用于将STT?复合无机防火保温板粘贴在基层墙体上的粘结材料。2)适用范围本产品适用于STT?保温系统中保温板材的粘贴。其主要功能是将保温板固定在基层上(诸如混凝土,水泥以及砖的抹灰基层上,但不适合金属,木头和石膏板基层)。3)技术资料2、STT?复合无机防火保温板1)定义STT?复合无机防火保温板是以玻化微珠保温材料和真空绝热芯材为主体材料,与胶凝材料、防水剂等通过模压成型制成的保温板。防火等级分为A级。2)适用范围-墙体保温-屋面保温-防火隔离带或挡火梁-冷库保温3)技术资料颜色灰色与水混合后有效期限1.5-4.0小时施工温度5℃-30℃粘接强度(与水泥基底)>0.6MPa粘接强度(与STT?复合板)>0.1MPa,破坏界面的STT?复合板上用量5.5-6.5公斤/平方米(经验数据,仅供参考,请以实际为准)包装规格25公斤复膜编织袋保质期存放于干燥处保存12个月存放置于木托盘上,放置于干燥处产品执行标准DBJ50/T-224-2015《玻化微珠真空绝热芯材复合无机板建筑外墙保温系统应用技术规程》颜色白色或灰色导热系数,W/(m·K)≤0.014表观密度,kg/m3≤350垂直于板面方向的抗拉强度,MPa≥0.10线性收缩率,%≤0.3软化系数≥0.60抗压强度/MPa≥0.403、抗裂增强砂浆(RKL503)1)定义由水泥基胶凝材料、高分子聚合物材料以及填料和添加剂等组成,具有一定变形能力和良好粘结性。2)适用范围本产品适用于STT?保温系统中保温板材的抗裂抹面。其主要功能是将网格布粘贴在保温板上,保护保温板、固定网格布并提供与饰面层的粘结力。3)技术资料4、标准型/加强型耐碱玻璃纤维网格布1)定义耐碱玻璃纤维网格布是以中碱或无碱玻璃纤维机织物为基础,经耐碱涂层处理而成。该产品强度高,与抹面胶...

1、当您付费下载文档后,您只拥有了使用权限,并不意味着购买了版权,文档只能用于自身使用,不得用于其他商业用途(如 [转卖]进行直接盈利或[编辑后售卖]进行间接盈利)。
2、本站所有内容均由合作方或网友上传,本站不对文档的完整性、权威性及其观点立场正确性做任何保证或承诺!文档内容仅供研究参考,付费前请自行鉴别。
3、如文档内容存在违规,或者侵犯商业秘密、侵犯著作权等,请点击“违规举报”。

碎片内容

外墙保温-改性玻化微珠复合无机板课件word版本

您可能关注的文档

确认删除?
VIP
微信客服
  • 扫码咨询
会员Q群
  • 会员专属群点击这里加入QQ群
客服邮箱
回到顶部