电脑桌面
添加小米粒文库到电脑桌面
安装后可以在桌面快捷访问

实验五苯妥英钠的制备VIP免费

实验五苯妥英钠的制备_第1页
1/9
实验五苯妥英钠的制备_第2页
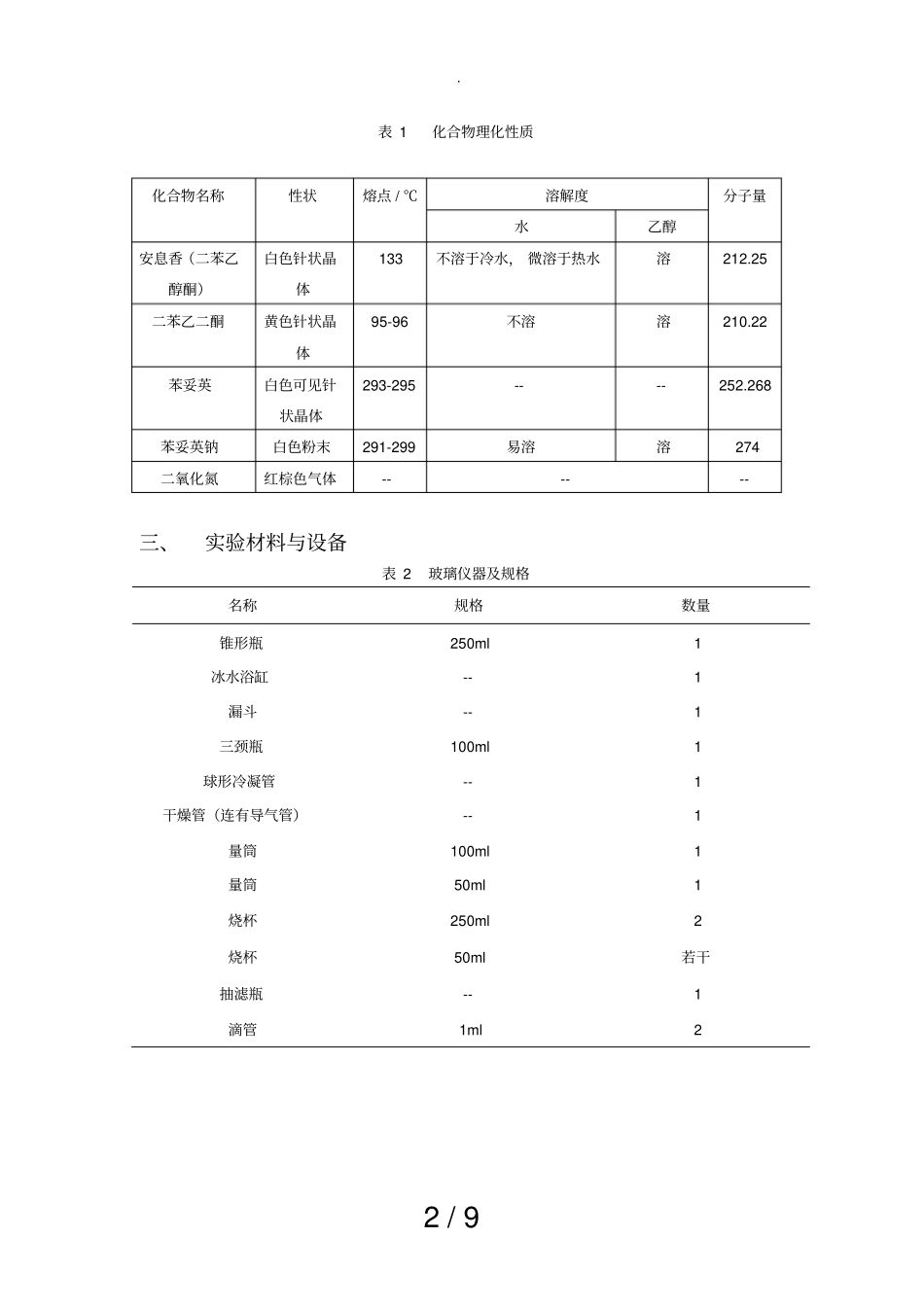
2/9
实验五苯妥英钠的制备_第3页
3/9
.1/9实验五苯妥英钠(PHenytoinSodium)的合成一、实验目的1、学习安息香缩合反应的原理和应用维生素B1为催化剂进行反应的机理和实验方法。2、了解稀硝酸作为氧化剂的实验方法。二、实验原理苯妥英钠为抗癫痫药,适于治疗癫痫大发作,也可用于三叉神经痛,及某些类型的心律不齐。苯妥英钠化学名为5,5-二苯基乙内酰脲,化学结构式为:苯妥英钠为白色粉末,无臭、味苦。易溶于水,能溶于乙醇,几乎不溶于乙醚和氯仿。微有引湿性,在空气中渐渐吸收二氧化碳,分解成苯妥英。合成路线如下:CHOCHCOOHVitB1HNO3CCOO1.H2NCONH2,NaOH2.HClHNNHC6H5C6H5OONaOHH2OHNNC6H5C6H5ONaOHNNONaO.2/9表1化合物理化性质化合物名称性状熔点/℃溶解度分子量水乙醇安息香(二苯乙醇酮)白色针状晶体133不溶于冷水,微溶于热水溶212.25二苯乙二酮黄色针状晶体95-96不溶溶210.22苯妥英白色可见针状晶体293-295----252.268苯妥英钠白色粉末291-299易溶溶274二氧化氮红棕色气体------三、实验材料与设备表2玻璃仪器及规格名称规格数量锥形瓶250ml1冰水浴缸--1漏斗--1三颈瓶100ml1球形冷凝管--1干燥管(连有导气管)--1量筒100ml1量筒50ml1烧杯250ml2烧杯50ml若干抽滤瓶--1滴管1ml2.3/9表3设备型号及规格表4试剂及规格四.实验操作步骤(一)安息香的制备1.于锥形瓶内加入VB16g、水30mL、无水乙醇60mL(水和无水乙醇提前冰水冷却)。不时摇动,待VB1溶解,加入2mol/L的(冰浴冷透)NaOH22.5mL,快速加入新蒸馏的苯甲醛22.5mL,摇匀,加入搅拌子,冰水浴下,搅拌40min,用保鲜膜封住锥形瓶口,放置两天。2.抽滤,得淡黄色结晶,用100ml冰水分多次洗,得安息香粗品,放于烘箱中烘设备名称型号厂家电热恒温鼓风干燥箱DHG-9023A上海精宏实验设备有限公司真空干燥箱DZF-6020上海精宏实验设备有限公司集热式恒温加热磁力搅拌器DF-101S郑州长城科工贸有限公司磁力搅拌器85-1A郑州长城科工贸有限公司电子天平e=10d塞多丽斯科学仪器有限公司循环水真空泵SHB-Ⅲ郑州长城科工贸有限公司显微熔点仪SGWX-4上海精密科学仪器有限公司名称厂家规格用量苯甲醛天津市大茂化学试剂厂分析纯22.5ml硝酸浙江三鹰化学试剂有限公司分析纯20mlVB1广东光华化学厂有限公司生化试剂BR6g脲宁波市化学试剂厂分析纯1.5g二甲基硅油天津市大茂化学试剂厂分析纯AR1000ml无水乙醇浙江三鹰化学试剂有限司出品分析纯适量浓盐酸衡阳市凯信化工试剂有限公司分析纯AR90ml氢氧化钠中国上海试剂总厂分析纯AR适量.4/9干,测粗产品熔点为133~140℃,结晶用95%的乙醇溶液重结晶,70℃下加95%乙醇至全溶,冰水冷却,抽滤烘干,测熔点(纯安息香为白色针状结晶,参考熔点:133℃)(二)二苯乙二酮的制备1.在装有搅拌、温度计、球型冷凝器的100mL三颈瓶中,投入二苯乙醇酮8g,稀硝酸(HNO3:H2O=1:0.6)20mL。2.搭好装置,从冷凝器顶端装一导管,将其导入0.25mol/LNaOH溶液中吸收。开动搅拌,用油浴加热,逐渐升温至沸(110℃左右),反应2h(反应中产生的二氧化氮气体,溶液颜色加深,后期变为棕色可。3.反应毕(此时体系成上下两层澄清溶液),在搅拌下,将反应液慢慢倾入150mL冷水(室温)中,搅拌至结晶全部析出。抽滤,结晶用少量水洗,干燥,得粗品。图1二苯乙二酮的制备实验装置图(三)苯妥英的制备1.在装有搅拌、温度计、球型冷凝器的100mL三颈瓶中,投入二苯乙二酮4g,脲素1.5g,20%NaOH12mL,50%乙醇20mL,开动搅拌,加热至沸100℃左右,回流反应50min。2.反应完毕,搅拌下将反应液倾入到120mL冷水中,得浅黄色溶液,用活性炭水浴(70℃)搅拌下脱色15min,然后冷却至室温,抽滤,除去副产物和活性炭。滤液用10%盐酸调至pH5~6,放置析出结晶,结晶完全后,抽滤,结晶用少量水洗,得苯妥英粗品。干燥称重为3.564g。.5/9图2苯妥英的制备实验装置图(四)成盐与精制1.预先将水加热至40℃,将苯妥英粗品置100mL烧杯中,按粗品与水为1:4之比例加入水(即水加入约14ml),搅拌下滴加20%NaOH至全溶2.加活性碳少许脱色,在搅拌下加热5min,趁热抽滤。室温放冷,后冰水冷却,析出结晶,抽滤,少量冰水洗涤,干燥得苯妥英钠,称重,计算收率。五、注意事项1...

1、当您付费下载文档后,您只拥有了使用权限,并不意味着购买了版权,文档只能用于自身使用,不得用于其他商业用途(如 [转卖]进行直接盈利或[编辑后售卖]进行间接盈利)。
2、本站所有内容均由合作方或网友上传,本站不对文档的完整性、权威性及其观点立场正确性做任何保证或承诺!文档内容仅供研究参考,付费前请自行鉴别。
3、如文档内容存在违规,或者侵犯商业秘密、侵犯著作权等,请点击“违规举报”。

碎片内容

实验五苯妥英钠的制备

爱的疯狂+ 关注
实名认证
内容提供者

该用户很懒,什么也没介绍

确认删除?
VIP
微信客服
  • 扫码咨询
会员Q群
  • 会员专属群点击这里加入QQ群
客服邮箱
回到顶部