电脑桌面
添加小米粒文库到电脑桌面
安装后可以在桌面快捷访问

DLT5417-XXXX脱硫工程质量验评定规程--热控VIP免费

DLT5417-XXXX脱硫工程质量验评定规程--热控_第1页
1/46
DLT5417-XXXX脱硫工程质量验评定规程--热控_第2页
2/46
DLT5417-XXXX脱硫工程质量验评定规程--热控_第3页
3/46
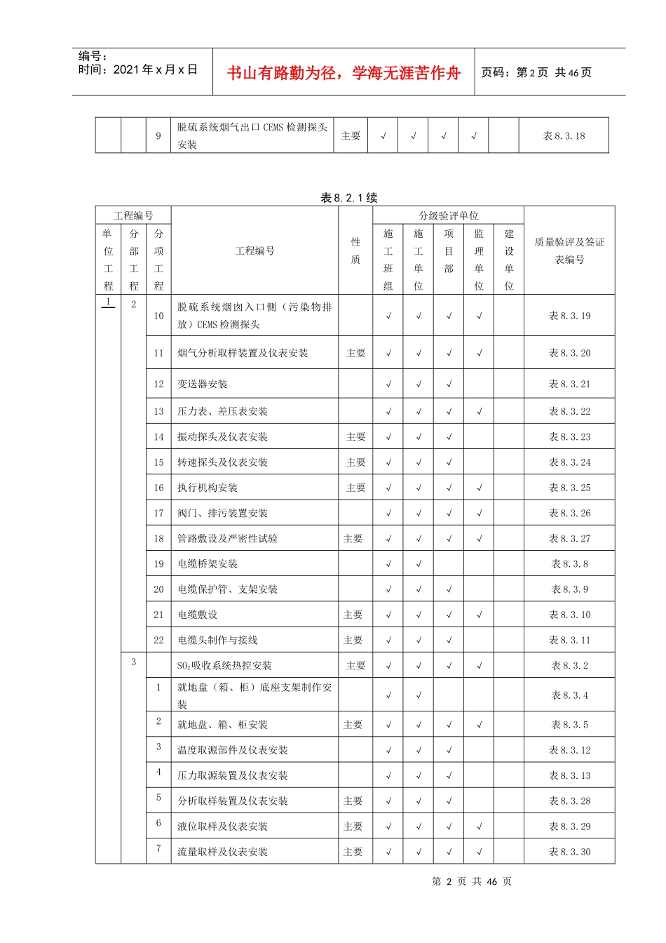
第0页共46页编号:时间:2021年x月x日书山有路勤为径,学海无涯苦作舟页码:第0页共46页8热控工程8.1一般规定8.1.1热控工程安装分项工程、分部工程、单位工程和分项工程中检验指标的质量,均分为“合格”和“优良”两个等级。评为“合格”或“优良”的标准是:8.1.1.1检验指标合格:实际检验结果符合该指标“质量标准”栏规定的“合格”标准。优良:实际检验结果符合该指标“质量标准”栏规定的“优良”标准。8.1.1.2分项工程合格:该分项工程中的“主要”检验指标,必须全部符合“质量标准”栏规定的“合格”要求,且有90%及以上的“一般”检验指标,符合“质量标准”栏规定的“合格”要求,其余的“一般”检验指标,均基本符合“质量标准”栏规定的“合格”要求。优良:该分项工程中的“主要”检验指标,必须全部达到“质量标准”栏规定的“优良”要求,且有90%及以上的“一般”检验指标,符合“质量标准”栏规定的“优良”要求,其余的“一般”检验指标均达到“质量标准”栏规定的“合格”要求。8.1.1.3分部工程合格:该分部工程中的所有分项工程均达到“合格”标准。优良:该分部工程中的“主要”分项工程必须全部达到“优良”标准,且有90%及以上的“一般”分项工程达到“优良”标准。8.1.1.4单位工程合格:该单位工程中所有分部工程均达到“合格”标准,且分部试运基本正常、各项试验合格。优良:该单位工程的”主要“分部工程,必须全部达到”优良“标准”,且有90%及以上“一般”分部工程达到“优良”标准,且分部试运正常,各项试验合格,技术资料及质量记录齐全。8.1.2分项工程检验中,如果因设备原因,虽经施工人员努力,也难以达到施工质量标准的少数非“主要”检验项目,应由施工单位提出书面报告,经监理及建设单位确认后,该检验项目可不参加质量评定,不影响该分项工程质量验收评定,但应在“质量检验结果”栏内注明。书面报告应附在该分项工程检验评定表后。8.1.3分项工程施工质量检验,有下列情况之一者,不应进行验收、评定:第1页共46页第0页共46页编号:时间:2021年x月x日书山有路勤为径,学海无涯苦作舟页码:第1页共46页1)检验项目检验结果,没有全部达到质量标准。2)设计及制造厂对质量标准有数据要求,而检验结果栏中没有填写实测数据。3)质检人员签字不齐全。8.2质量验收及评定范围8.2.1本章适用于热控工程安装质量验收及评定,质量验收及评定范围执行表8.2.18.2.2烟气脱硫热控装置在进行工程验评范围划分时,单位工程不删减,分部工程、分项工程可根据脱硫工程实际情况删减。增减项目的工程编号,可续编,确保流水号顺序即可。8.2.1热工工程质量验收及评定范围表工程编号工程编号性质分级验评单位质量验评及签证表编号单位工程分部工程分项工程施工班组施工单位项目部监理单位建设单位1脱硫热控安装主要√√√√表8.3.11公用系统热控安装主要√√√√表8.3.21盘底座制作和安装√√表8.3.42盘柜安装主要√√√√表8.3.53DCS设备安装主要√√√√表8.3.64DCS系统接地装置安装主要√√√√表8.3.75电缆桥架安装√√√表8.3.86电缆保护管、支架安装√√√表8.3.97电缆敷设主要√√√√表8.3.108电缆头制作与接线主要√√√表8.3.112烟气系统热控安装主要√√√√表8.3.21就地盘(箱、柜)底座支架制作安装√√表8.3.42就地盘(箱、柜)安装主要√√√√表8.3.53温度取源部件及仪表安装√√√表8.3.124压力取源装置及仪表安装√√√表8.3.135CEMS流量取样装置及仪表安装主要√√√√表8.3.146氧化锆氧量分析取样安装√√表8.3.157CEMS烟尘浓度探头安装主要√√表8.3.168脱硫系统烟气入口CEMS检测探头安装主要√√√√表8.3.17第2页共46页第1页共46页编号:时间:2021年x月x日书山有路勤为径,学海无涯苦作舟页码:第2页共46页9脱硫系统烟气出口CEMS检测探头安装主要√√√√表8.3.18表8.2.1续工程编号工程编号性质分级验评单位质量验评及签证表编号单位工程分部工程分项工程施工班组施工单位项目部监理单位建设单位1210脱硫系统烟囱入口侧(污染物排放)CEMS检测探头√√√√表8.3.1911烟气分析取样装置及仪表安装主要√√√√表8.3.2012变送器安装√√√表8...

1、当您付费下载文档后,您只拥有了使用权限,并不意味着购买了版权,文档只能用于自身使用,不得用于其他商业用途(如 [转卖]进行直接盈利或[编辑后售卖]进行间接盈利)。
2、本站所有内容均由合作方或网友上传,本站不对文档的完整性、权威性及其观点立场正确性做任何保证或承诺!文档内容仅供研究参考,付费前请自行鉴别。
3、如文档内容存在违规,或者侵犯商业秘密、侵犯著作权等,请点击“违规举报”。

碎片内容

DLT5417-XXXX脱硫工程质量验评定规程--热控

确认删除?
VIP
微信客服
  • 扫码咨询
会员Q群
  • 会员专属群点击这里加入QQ群
客服邮箱
回到顶部