电脑桌面
添加小米粒文库到电脑桌面
安装后可以在桌面快捷访问

20主要机械设备VIP免费

20主要机械设备_第1页
1/11
20主要机械设备_第2页
2/11
20主要机械设备_第3页
3/11
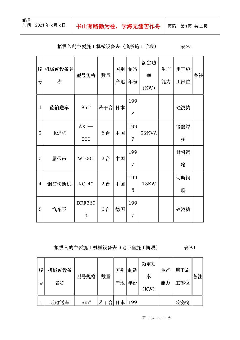
第1页共11页编号:时间:2021年x月x日书山有路勤为径,学海无涯苦作舟页码:第1页共11页第九章机械设备及仪器配置水平第一节施工机械配置原则本工程为610m的超高层建筑、钢结构工作量大、建筑造型独特、工期紧,因此对施工机械配备要求较高,根据本工程施工的结构类型、特点,我们遵循高度机械化、自动化、设备先进化的机械设备配置原则。施工过程中将机械设备进出场进行合理的安排,分别从主要大型机械到小型机械的调配做到与本工程具体施工状况相协调,适应本工程分段组织流水施工的需要。我们各类大型设备、施工机械装备齐全,我们有多台世界一流的混凝土固定泵和起重机械,并按本工程的施工进度计划要求做好了事先安排,这将成为本工程的坚强后盾,确保本工程一旦中标后可立即展开施工,满足施工进度和质量要求。1)我们拥有各类性能先进的大型施工机械设备,若本工程由我们中标,我们将按照高度机械化、自动化、设备先进化的机械设备配置原则,根据本工程施工部署并结合分部分项工程施工顺序,立即调集各类机械设备提前装车运抵施工现场并进行保养和调试。为了工程的如期完成,我们配置了足够数量的机械数量,例如在钢结构施工的高峰,我们配置了不少于60台电焊机。2)针对本工程主塔的核芯筒截面均一的特点和外围钢结构的形态特点,备4台筒内人货电梯,及两台斜爬电梯,以满足施工垂直运输的需要。3)鉴于本工程钢结构构件单件重量重,作业半径大,并考虑到施工总进度要求及结构对机械布置的适宜性,按施工部位和施工阶段选择塔式起重机为钢结构安装主要机械。其中针对本工程程钢结构吊装的需要,我们特别配备2台M900D塔吊,对本工程的工期提供了保证。另外配以300t履带吊安装大型塔吊及配合钢结构吊装。4)对于小型施工机械设备,根据工程实际需要合理配置。5)所有机械设备进场后均事先规划适当的位置停放,小型设备则规划房间集中储存备用。第二节施工机械配置计划表根据不同的施工阶段适时的对进场的机械设备进行调整与增加,以确保工第2页共11页第1页共11页编号:时间:2021年x月x日书山有路勤为径,学海无涯苦作舟页码:第2页共11页程顺利的进行,对此,主要分以下几阶段来进行机械设备的配置:桩基施工阶段底板施工阶段地下室施工阶段454m以下结构施工阶段天线桅杆施工阶段装修装饰施工阶段各阶段相应施工机械配置计划见下表。拟投入的主要施工机械设备表(桩基施工阶段)表9.1序号机械或设备名称型号规格数量国别产地制造年份额定功率(KW)生产能力用于施工部位备注1砼输送车8m3若干日本19988m3砼浇捣2电焊机AX5—50012中国199722KVA钢筋焊接3履带吊W10012中国1997100T材料运输4履带吊IPD902中国199850T桩基5钢筋切断机KQ-402中国199813KW切断钢筋6汽车泵BRF36094德国199736m砼浇捣7回旋钻机QJ250-11中国200195kw117.6KN.m钻孔桩8回旋钻机ZSD3000/2102中国2002210kw210KN.m钻孔桩9回旋钻机GW204中国200155kw65KN.m钻孔桩10反循环装置BX-1807中国200322kw钻孔桩11扩底器6中国2003钻孔桩12履带抓斗挖机4中国20012m3出土13履带吊7080GS1日本1994216kw80t吊核芯筒劲性柱14履带吊1中国1997191kw150t吊柱脚第3页共11页第2页共11页编号:时间:2021年x月x日书山有路勤为径,学海无涯苦作舟页码:第3页共11页拟投入的主要施工机械设备表(底板施工阶段)表9.1序号机械或设备名称型号规格数量国别产地制造年份额定功率(KW)生产能力用于施工部位备注1砼输送车8m3若干台日本1998砼浇捣2电焊机AX5—5006台中国199722KVA钢筋焊接3履带吊W10012台中国1997材料运输4钢筋切断机KQ-402台中国199813KW切断钢筋5汽车泵BRF36096台德国1997砼浇捣拟投入的主要施工机械设备表(地下室施工阶段)表9.1序号机械或设备名称型号规格数量国别产地制造年份额定功率(KW)生产能力用于施工部位备注1砼输送车8m3若干台日本199砼浇捣第4页共11页第3页共11页编号:时间:2021年x月x日书山有路勤为径,学海无涯苦作舟页码:第4页共11页2电焊机AX5—50010台中国19922KVA钢筋焊3履带吊W10012台中国199材料运4钢筋切断机KQ-402台中国19913KW切断钢5汽车泵BRF3604台德国199砼浇捣拟投入的主...

1、当您付费下载文档后,您只拥有了使用权限,并不意味着购买了版权,文档只能用于自身使用,不得用于其他商业用途(如 [转卖]进行直接盈利或[编辑后售卖]进行间接盈利)。
2、本站所有内容均由合作方或网友上传,本站不对文档的完整性、权威性及其观点立场正确性做任何保证或承诺!文档内容仅供研究参考,付费前请自行鉴别。
3、如文档内容存在违规,或者侵犯商业秘密、侵犯著作权等,请点击“违规举报”。

碎片内容

20主要机械设备

确认删除?
VIP
微信客服
  • 扫码咨询
会员Q群
  • 会员专属群点击这里加入QQ群
客服邮箱
回到顶部