电脑桌面
添加小米粒文库到电脑桌面
安装后可以在桌面快捷访问

220kv降压变电所电气一次部分设计VIP免费

220kv降压变电所电气一次部分设计_第1页
1/52
220kv降压变电所电气一次部分设计_第2页
2/52
220kv降压变电所电气一次部分设计_第3页
3/52
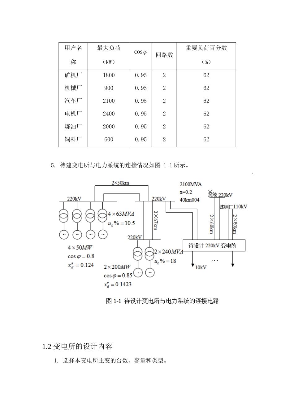
1设计任务及原始资料根据电力系统规划需新建一座220KV区域变电所。该所建成后与110KV和220KV电网相连,并供给近区用户供电。1.设计变电所在城市近郊,向开发区的炼钢厂供电,在变电所附近还有区域负荷。2.确定本变电所的电压等级为220/110/10KV,220KV是本变电所的电源电压,110KV和10KV是二次电压。3.待建变电所的电源,由双回220KV线路送到本变电所;在中压侧110KV母线,送出2回线路;在低压侧10KV母线,送出12回线路;在本所220KV母线有三回输出线路,送向负荷。该变电所的所址,地势平坦,交通方便。4.110KV和10KV用户负荷统计资料见表1-1和表1-2。最大负荷利用小时Tmax=5500h,同时率取0.9,线路损耗取5%。表1-1110KV用户负荷统计资料用户名称最大负荷(KW)回路数重要负荷百分数(%)炼钢厂420000.95265表1-210KV用户负荷统计资料用户名称最大负荷(KW)回路数重要负荷百分数(%)矿机厂机械厂汽车厂电机厂炼油厂饲料厂18009002100240020006000.950.950.950.950.950.952222226262626262625.待建变电所与电力系统的连接情况如图1-1所示。1.2变电所的设计内容1.选择本变电所主变的台数、容量和类型。2.设计本变电所的电气主接线,选出数个电气主接线方案进行技术经济综合比较,确定一个较佳方案。3.进行必要的短路电流计算。4.选择和校验所需的电气设备。5.设计和校验母线系统。1.3设计成果1.编制设计说明书。2.编制设计计算书。3.绘图若干张。(1)绘制变电所电气主接线图。(2)绘制220kV或110kV高压配电装置平面布置图。(3)绘制220kV或110kV高压配电装置断面图(进线或出线)。(4)所有图纸均要求打印[A3]摘要电力工业是国民经济发展中最重要的基础能源产业,是国民经济的第一基础产业,是关系国计民生的基础产业,是世界各国经济发展战略中的优先发展重点。作为一种先进的生产力和基础产业,电力行业对促进国民经济的发展和社会进步起到了重要作用。与社会经济和社会发展有着十分密切的关系,它不仅是关系国家经济安全的战略大问题,而且与人们的日常生活、社会稳定密切相关。本次设计的是220KV降压变电所电气一次部分设计。首先对原始资料进行分析,选择主变压器,在此基础上进行主接线设计,再进行短路计算,选择设备。关键字:变电站;短路计算;设备选择;继电保护绪论电力事业的日益发展紧系着国计民生。它的发展水平和电气的程度,是衡量一个国家的国民经济发展水平及其社会现代化水平高低的一个重要标志。党的十六大提出了全面建设小康社会的宏伟目标,从一定意义上讲,实现这个宏伟目标,需要强有力的电力支撑,需要安全可靠的电力供应,需要优质高效的电力服务。本课程设计是在完成本专业所有课程后进行的综合能力考核。通过对原始资料的分析、主接线的选择及比较、短路电流的计算、主要电器设备的选择及校验、线路图的绘制以及避雷器针高度的选择等步骤、最终确定了220kV变电站所需的主要电器设备、主接线图方案。通过本次课程设计,达到了巩固“发电厂电气部分”课程的理论知识,掌握变电站电气部分的基本方法,体验和巩固我们所学的专业基础和专业知识的水平和能力,培养我们运用所学知识去分析和解决与本专业相关的实际问题,培养我们独立分析和解决问题的能力的目的。务求使我们更加熟悉电气主接线,电力系统的潮流及短路计算以及各种电力手册及其电力专业工具书的使用,掌握变电站电气部分的知识,并在设计中增新、拓宽。提高专业知识,拓宽、提高专业知识,完善知识结构,开发创造型思维,提高专业技术水平和管理,增强计算机应用能力,成为一专多能的高层次复合型人才。1电气主接线设计1.1主接线设计要求主接线是变电站电气设计的首要部分,它是由高压电器设备通过连接线组成的接受和分配电能的电路,也是构成电力系统的重要环节。主接线的确定对电力系统整体及变电站本身运行的可靠性、灵活性和经济性密切相关,并且对电气设备选择、配电装置、继电保护和控制方式的拟定有较大影响。因此,必须正确处理好各方面的关系。我国《变电站设计技术规程》SDJ2-79规定:变电站的主接线应根据变电站在电力系统中的地位、回路数、设备特点及负荷性质等条件确定...

1、当您付费下载文档后,您只拥有了使用权限,并不意味着购买了版权,文档只能用于自身使用,不得用于其他商业用途(如 [转卖]进行直接盈利或[编辑后售卖]进行间接盈利)。
2、本站所有内容均由合作方或网友上传,本站不对文档的完整性、权威性及其观点立场正确性做任何保证或承诺!文档内容仅供研究参考,付费前请自行鉴别。
3、如文档内容存在违规,或者侵犯商业秘密、侵犯著作权等,请点击“违规举报”。

碎片内容

220kv降压变电所电气一次部分设计

教育教学文库+ 关注
实名认证
内容提供者

本店有大量的教育教学资料,课件

相关文档

确认删除?
VIP
微信客服
  • 扫码咨询
会员Q群
  • 会员专属群点击这里加入QQ群
客服邮箱
回到顶部